QQ登录

只需一步,快速开始

登录 | 注册 | 找回密码

三维网

 找回密码
 注册

QQ登录

只需一步,快速开始

展开

通知     

查看: 1664|回复: 9
收起左侧

[求助] A4SO型变量泵中的液压控制LR2N疑问

[复制链接]
发表于 2009-10-1 02:38:12 | 显示全部楼层 |阅读模式 来自: 中国辽宁鞍山

马上注册,结识高手,享用更多资源,轻松玩转三维网社区。

您需要 登录 才可以下载或查看,没有帐号?注册

x
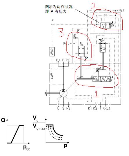
各位高手请看附图,对力士乐的A4SO型变量泵中的液压控制LR2N有以下几个困惑不明,请指点。谢谢。7 }6 I+ S1 K, z& x! k# d
1 流量(排量)正比与先导控制压力P,是如何实现的?
! {3 B" J6 n' g' K, j, O2 流量调节阀是怎么动作的?
9 R4 w1 p  t7 f# U& S: P9 k3 图中节流阀起什么作用?
1111.JPG
 楼主| 发表于 2009-10-1 02:43:02 | 显示全部楼层 来自: 中国辽宁鞍山
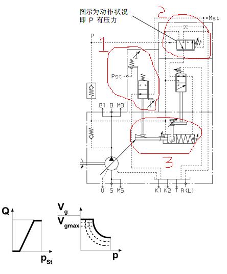
不好意思,序号标错了,在发一张
12345.JPG
发表于 2009-10-2 12:14:59 | 显示全部楼层 来自: 中国辽宁本溪
我猜一下哈。
7 ]4 R4 L* T5 [' \见贴图。3 R$ l: G5 Z' H% K9 i
1为固定液阻,2为可变液阻。
0 B: j1 Q6 {, T: Y- P2 b9 u/ G1+2=B型半桥,输出信号为敏感阀(流量阀)的弹簧腔。5 f+ g6 p" n/ W0 S, ^
调节Pst,可以改变2的液阻,也就改变了流量阀弹簧腔的压力。
' i: U& X: z" s. N: x& P有点象压差可调。
LR2N.JPG
 楼主| 发表于 2009-10-2 13:03:57 | 显示全部楼层 来自: 中国辽宁鞍山
那么变量液压缸如何平衡啊,它的流量由Pst决定,跟Pst成正比?
发表于 2009-10-2 13:48:13 | 显示全部楼层 来自: 中国云南玉溪
原帖由 bohaiyan 于 2009-10-2 12:14 发表 http://www.3dportal.cn/discuz/images/common/back.gif3 ^/ `: T; B9 V1 W, o
我猜一下哈。4 J! U7 g6 [5 e' G
见贴图。$ C" d* H4 A# i9 C6 Z& v
1为固定液阻,2为可变液阻。
0 G7 K! X6 a! X1+2=B型半桥,输出信号为敏感阀(流量阀)的弹簧腔。/ _  U1 z. D7 Y, R8 J* @& R, d
调节Pst,可以改变2的液阻,也就改变了流量阀弹簧腔的压力。% H" J# s, ~2 M5 Q4 t6 ^. ^' L
有点象压差可调。

' [% y$ S( i# D& {- _4 T4 I解释得非常好!图更不错!
发表于 2009-10-4 13:26:56 | 显示全部楼层 来自: 中国辽宁本溪
与楼主交流。8 p  ]6 T- C5 Z
我理解,Pst只决定楼主贴图右下工作曲线图中上面哪个水平线的位置(使其上、下平移)。
  F4 O6 M+ p6 |如果我的解释有误,欢迎各位直言纠正。% i7 T4 v9 j6 o

/ u& T0 a- q. \! R另外,楼主贴图左下角的工作曲线好象不对。立坐标参量应该是Vg/Vmax, 而不应该是Q。
& H1 M" \* G8 G" s& f% H: T1 H1 D' N楼主可看一下RC92064。
发表于 2009-10-4 13:31:43 | 显示全部楼层 来自: 中国辽宁本溪
应该是贴图所示。+ P3 v' W7 L4 M: o
6 K! J- S$ M0 a1 }. Y' b4 \3 F
楼上的帖子不知为何修改不了。
8 a/ D! e+ n# Z" V' u% ?; J故又发了一贴
LR2N.JPG
 楼主| 发表于 2009-10-5 11:19:12 | 显示全部楼层 来自: 中国辽宁鞍山
两个图是一样的,只是X轴,Y轴互换了
发表于 2012-3-27 10:27:28 | 显示全部楼层 来自: 中国上海
第一个,流量和先导压力成正比( L. X4 T$ }% D! E6 M& v9 Z+ [
我的理解,流量和斜盘倾角成正比,斜盘倾角和油缸杆位置△X成正比,而△X又和竖直阀的阀芯向上△Y成正比,: Z( N1 }. V  J/ C- L  f- T* l  m# G2 K
而先导压力和此阀弹簧压缩量成正比,即和此阀阀体△Y“成正比,如果要保证此阀阀芯和阀体相对位置不变,那么△Y必须和△Y“相等,所以先导压力与流量成正比。+ d2 R; J, f4 }9 ~# W
第二个流量控制阀和节流阀的作用就是力士乐典型的DF控制
发表于 2012-3-27 10:33:08 | 显示全部楼层 来自: 中国上海
恒功率控制,就是小油缸作用压力F(泵工作压力x小油缸无杆腔面积)X小油缸位置到支点的距离(即泵排量)=小油缸作用力矩,它与恒功率阀弹簧受力与恒功率阀到支点位置产生的力矩平衡,所以它是定值,当小油缸力矩大于这个值,恒功率阀上移,泵卸荷。
发表回复
您需要登录后才可以回帖 登录 | 注册

本版积分规则


Licensed Copyright © 2016-2020 http://www.3dportal.cn/ All Rights Reserved 京 ICP备13008828号

小黑屋|手机版|Archiver|三维网 ( 京ICP备2023026364号-1 )

快速回复 返回顶部 返回列表