QQ登录

只需一步,快速开始

登录 | 注册 | 找回密码

三维网

 找回密码
 注册

QQ登录

只需一步,快速开始

展开

通知     

查看: 1793|回复: 7
收起左侧

[已解决] 怎么画这个图啊?

[复制链接]
发表于 2009-10-15 15:57:35 | 显示全部楼层 |阅读模式 来自: 中国浙江湖州

马上注册,结识高手,享用更多资源,轻松玩转三维网社区。

您需要 登录 才可以下载或查看,没有帐号?注册

x
请教,急急急。。。。
1.JPG
发表于 2009-10-15 17:40:15 | 显示全部楼层 来自: 中国广东东莞

认真看图

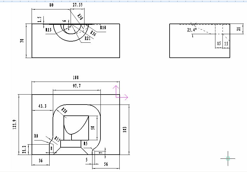
仔细看图就知道啦. ?) v' o! k7 r4 ?

3 _$ [' f0 n5 U0 L6 n只是那个[50]的尺寸看来有点误解,其它都是简单的图形4 b% n( p& b& ~3 c# r7 {9 N( r0 [% O
[50]的尺寸那里是:一个R50的圆与一个R15的圆相切 下沉尺寸21MM6 I9 o  B* S# T5 n
然后再来一个25.4度角的斜面
头像被屏蔽
发表于 2009-10-15 22:49:36 | 显示全部楼层 来自: 中国山东烟台
提示: 作者被禁止或删除 内容自动屏蔽
 楼主| 发表于 2009-10-16 07:42:25 | 显示全部楼层 来自: 中国浙江湖州
高手,赐教一下吧
 楼主| 发表于 2009-10-16 07:46:10 | 显示全部楼层 来自: 中国浙江湖州
发个制作过程给我行吗?或者给个源文件,谢谢了
 楼主| 发表于 2009-10-16 08:11:19 | 显示全部楼层 来自: 中国浙江湖州
会了,谢谢两位
发表于 2009-10-16 09:35:08 | 显示全部楼层 来自: 中国浙江金华
剖视图也不上点剖视线,难怪人家看不明白的。
 楼主| 发表于 2009-10-16 12:45:42 | 显示全部楼层 来自: 中国浙江湖州
这副图没有剖视图啊,哪有啊?
发表回复
您需要登录后才可以回帖 登录 | 注册

本版积分规则


Licensed Copyright © 2016-2020 http://www.3dportal.cn/ All Rights Reserved 京 ICP备13008828号

小黑屋|手机版|Archiver|三维网 ( 京ICP备2023026364号-1 )

快速回复 返回顶部 返回列表