QQ登录

只需一步,快速开始

登录 | 注册 | 找回密码

三维网

 找回密码
 注册

QQ登录

只需一步,快速开始

展开

通知     

全站
2天前
查看: 1286|回复: 2
收起左侧

[分享] 几个电气控制CAD图

[复制链接]
发表于 2009-10-20 10:22:18 | 显示全部楼层 |阅读模式 来自: 中国福建厦门

马上注册,结识高手,享用更多资源,轻松玩转三维网社区。

您需要 登录 才可以下载或查看,没有帐号?注册

x
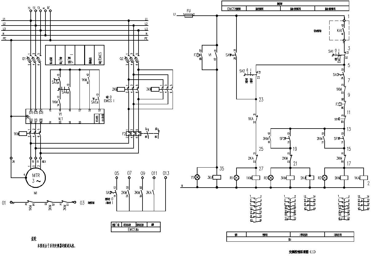
几个电气控制CAD图,包括风机、风阀和变频控制

风机、风阀、变频器控制原理图.rar

281.47 KB, 下载次数: 40

 楼主| 发表于 2009-10-23 09:14:24 | 显示全部楼层 来自: 中国福建厦门
根据斑竹的要求,放个其中一幅图的抓图
Snap1.jpg
发表于 2009-10-23 09:53:13 | 显示全部楼层 来自: 中国浙江嘉兴
不错谢谢楼主!
发表回复
您需要登录后才可以回帖 登录 | 注册

本版积分规则

Licensed Copyright © 2016-2020 http://www.3dportal.cn/ All Rights Reserved 京 ICP备13008828号

小黑屋|手机版|Archiver|三维网 ( 京ICP备2023026364号-1 )

快速回复 返回顶部 返回列表