QQ登录

只需一步,快速开始

登录 | 注册 | 找回密码

三维网

 找回密码
 注册

QQ登录

只需一步,快速开始

展开

通知     

查看: 1748|回复: 5
收起左侧

[求助] CAMLOCK,也就是凸轮锁,有哪位知道它的工作原理吗?

[复制链接]
发表于 2009-10-21 11:39:25 | 显示全部楼层 |阅读模式 来自: 中国北京

马上注册,结识高手,享用更多资源,轻松玩转三维网社区。

您需要 登录 才可以下载或查看,没有帐号?注册

x
在加工平旋盘法兰时碰到一种装置:CAMLOCK,也就是凸轮锁,有哪位知道它的工作原理吗?谢谢了
: E$ }$ z- n2 v/ H) V
. }, K! {6 d5 P3 v[ 本帖最后由 虎强 于 2009-10-26 13:19 编辑 ]
camlock.jpg
发表于 2009-10-21 17:02:17 | 显示全部楼层 来自: 中国江苏常州
这个很难吗?????????????????
10101.jpg
10102.jpg

评分

参与人数 1三维币 +2 收起 理由
虎强 + 2 技术讨论

查看全部评分

发表于 2009-10-22 14:16:30 | 显示全部楼层 来自: 中国山东威海
是采用凸轮有死点的原理吗?
发表于 2009-10-22 22:08:00 | 显示全部楼层 来自: 中国江苏南京
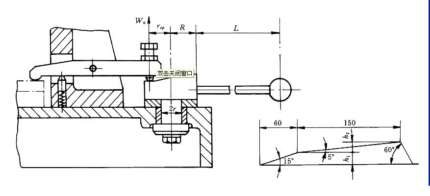
楼主这个是你要的结构吗?
未命名.JPG

评分

参与人数 1三维币 +2 收起 理由
虎强 + 2 技术讨论

查看全部评分

 楼主| 发表于 2009-10-23 10:21:32 | 显示全部楼层 来自: 中国北京
不是这个啊,楼上的
' A; ]( ?- W% c6 x( P% x1 y1 L" U它是由径向和轴向两个销子组成,中间圆弧有凹进去的* D; E4 h3 S2 U% g7 n. S
/ e0 R# _6 a7 b' ^  D/ _  R; F
[ 本帖最后由 xiaoxu007 于 2009-10-23 10:46 编辑 ]
 楼主| 发表于 2009-10-26 09:57:19 | 显示全部楼层 来自: 中国北京
附件里可以看到

camlock.rar

168.26 KB, 下载次数: 7

发表回复
您需要登录后才可以回帖 登录 | 注册

本版积分规则


Licensed Copyright © 2016-2020 http://www.3dportal.cn/ All Rights Reserved 京 ICP备13008828号

小黑屋|手机版|Archiver|三维网 ( 京ICP备2023026364号-1 )

快速回复 返回顶部 返回列表