QQ登录

只需一步,快速开始

登录 | 注册 | 找回密码

三维网

 找回密码
 注册

QQ登录

只需一步,快速开始

展开

通知     

全站
9天前
查看: 1614|回复: 9
收起左侧

[已解决] 帮我看看国外的系统图

[复制链接]
发表于 2009-10-22 15:37:30 | 显示全部楼层 |阅读模式 来自: 中国江苏南京

马上注册,结识高手,享用更多资源,轻松玩转三维网社区。

您需要 登录 才可以下载或查看,没有帐号?注册

x
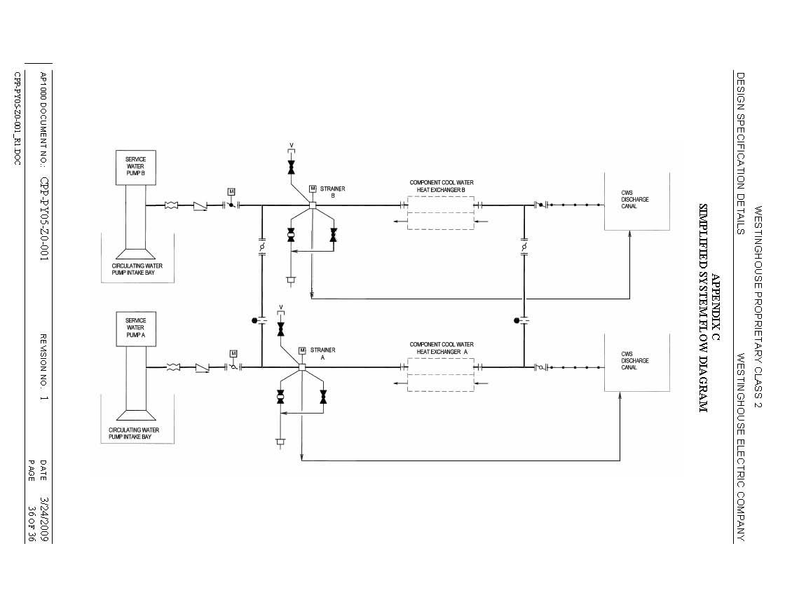
我这边有一张美国西屋的管路系统图。里边的图形符号代表的东西我不明白,求助
页面提取自- CPP-PY05-Z0-001.jpg
 楼主| 发表于 2009-10-22 15:42:31 | 显示全部楼层 来自: 中国江苏南京
下面这符号分别代表什么设备?* v9 @1 w# W: ?1 I" S  u

7 U6 p2 Z  D2 X* i! F8 e* v[ 本帖最后由 langjs 于 2009-10-22 15:44 编辑 ]
未命名.JPG
未命名1.JPG
未命名3.JPG
发表于 2009-10-22 15:52:18 | 显示全部楼层 来自: 中国浙江宁波
这个图例里面都有的。
发表于 2009-10-22 16:09:21 | 显示全部楼层 来自: 中国北京
通常都有legend,应该可以找到线索
 楼主| 发表于 2009-10-22 21:21:14 | 显示全部楼层 来自: 中国江苏南京
他们就给我一张图啊,想找找国外的液压符号标准看看,也没找到
发表于 2009-10-23 02:12:38 | 显示全部楼层 来自: 巴西
欧美国家的制图标准基本是统一的。
发表于 2009-10-23 15:28:24 | 显示全部楼层 来自: 中国浙江宁波
中间那个图从左到右应该是:波纹补偿器,止回阀,电动球阀
 楼主| 发表于 2009-10-23 20:21:07 | 显示全部楼层 来自: 中国江苏南京
我特别想知道最上边那张图三个是什么?
发表于 2009-10-23 21:34:24 | 显示全部楼层 来自: 中国江苏南京
这种问题需要业主提供legend & symbol,即我们所谓的首页图,如果确实有困难,那就只能猜了。
0 ], @- n4 |6 X/ E1 |/ i" d4 P0 A第一张图三个:
3 W. v1 F2 y( j" L' B$ P! s常开球阀,常闭球阀(或截止阀),地沟. H% o' H. L" N5 a7 V" x
第二张:
4 c0 |' W* ~9 [. W( w4 z1 P单波膨胀节,止回阀,常闭蝶阀
/ e! O5 F' h4 C! d7 m  I第三张:6 g0 z( j- Z# M
这个比较难,如果是孔板,与流程不符,如果是8字盲板,这个图例又不像。4 p- ~# c4 x& {  f- n, a$ d- g
1 V3 C9 H. f% ?6 _- Z  m9 \' ?  [
这是循环水泵的流程一开一备,为什么循环水直排呢?是否通过水沟回到水池?

评分

参与人数 1三维币 +5 收起 理由
niao_csu + 5 应助

查看全部评分

 楼主| 发表于 2009-10-24 13:55:15 | 显示全部楼层 来自: 中国江苏南京
谢谢9楼指点,第一张图搞明白就行了,非常谢!
发表回复
您需要登录后才可以回帖 登录 | 注册

本版积分规则


Licensed Copyright © 2016-2020 http://www.3dportal.cn/ All Rights Reserved 京 ICP备13008828号

小黑屋|手机版|Archiver|三维网 ( 京ICP备2023026364号-1 )

快速回复 返回顶部 返回列表