QQ登录

只需一步,快速开始

登录 | 注册 | 找回密码

三维网

 找回密码
 注册

QQ登录

只需一步,快速开始

展开

通知     

查看: 1849|回复: 1
收起左侧

[分享] 三一振动压路机液压电器原理图

[复制链接]
发表于 2009-10-22 17:19:22 | 显示全部楼层 |阅读模式 来自: 中国台湾

马上注册,结识高手,享用更多资源,轻松玩转三维网社区。

您需要 登录 才可以下载或查看,没有帐号?注册

x
三一振动压路机液压电器原理图需要的朋友请收下
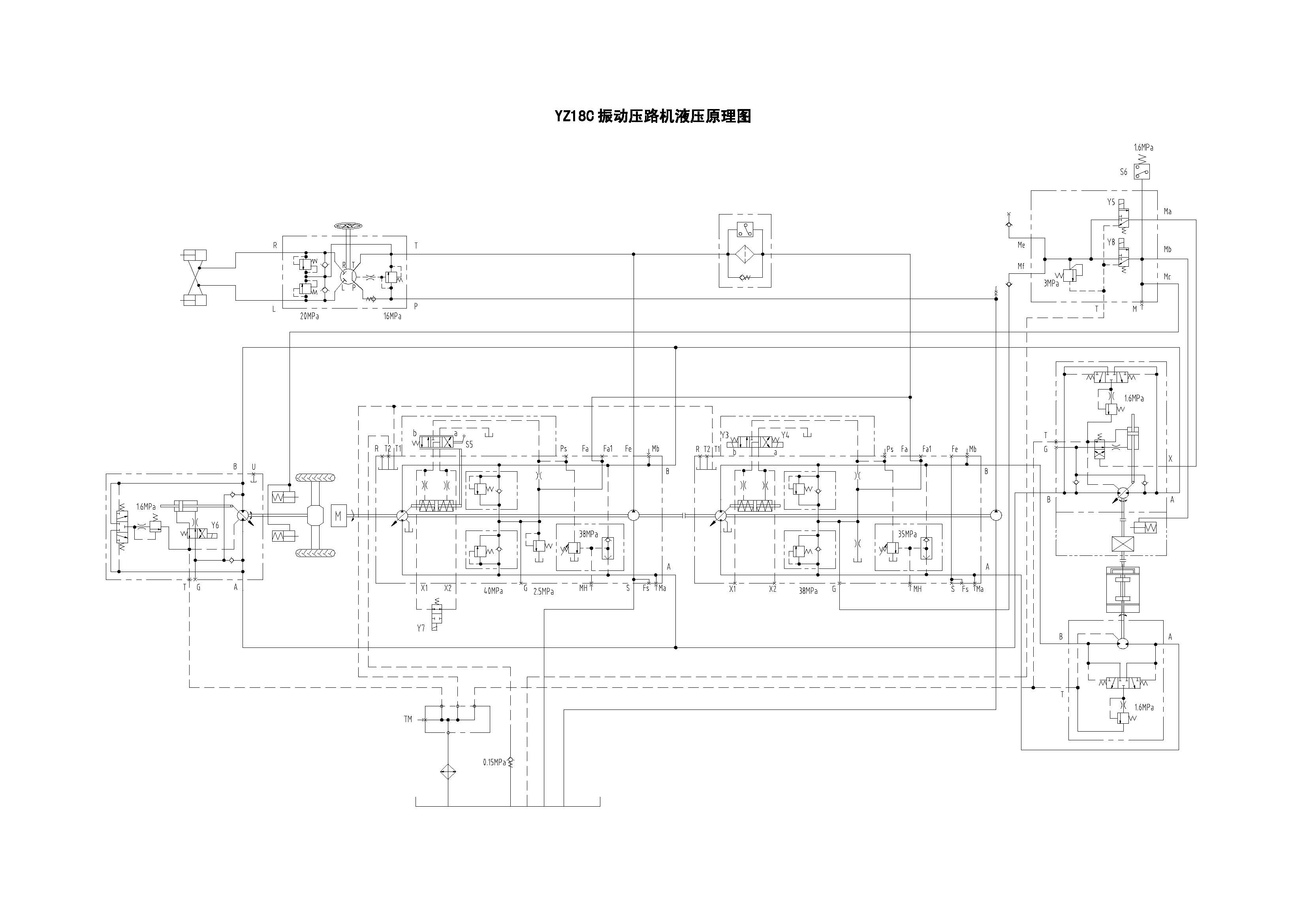
1.jpg
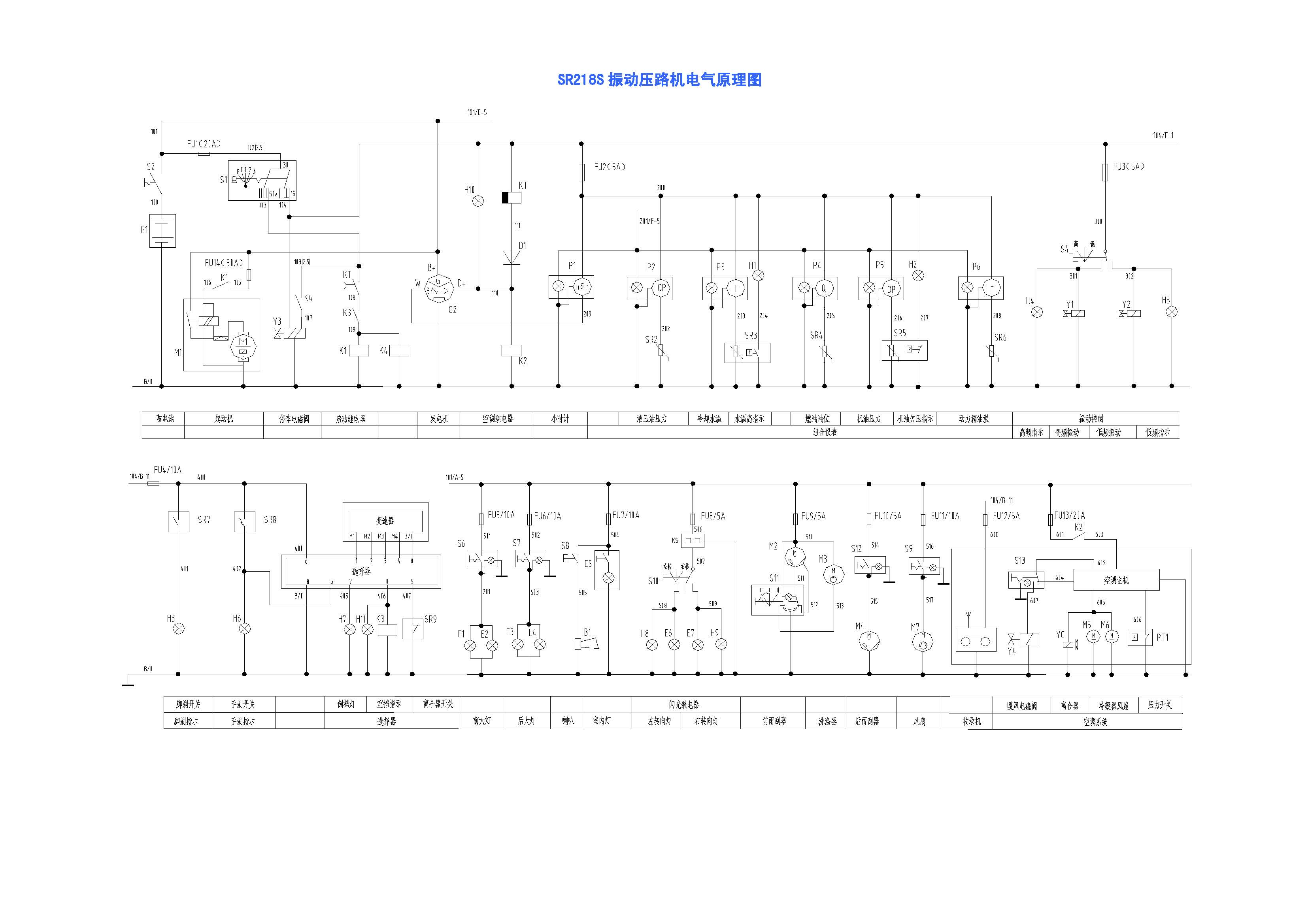
2.jpg

三一C12G双钢轮振动压路机原理图.pdf

301.84 KB, 下载次数: 48

三一SR218S振动压路机原理图.pdf

282.22 KB, 下载次数: 45

三一SR222S振动压路机原理图.pdf

281.65 KB, 下载次数: 44

三一YZ18C振动压路机原理图.pdf

209.89 KB, 下载次数: 41

三一全液压轮胎压路机液压回路图.pdf

1.73 MB, 下载次数: 44

发表于 2011-7-26 11:06:38 | 显示全部楼层 来自: 新加坡
楼主真的是太无私了,非常感谢
发表回复
您需要登录后才可以回帖 登录 | 注册

本版积分规则


Licensed Copyright © 2016-2020 http://www.3dportal.cn/ All Rights Reserved 京 ICP备13008828号

小黑屋|手机版|Archiver|三维网 ( 京ICP备2023026364号-1 )

快速回复 返回顶部 返回列表