QQ登录

只需一步,快速开始

登录 | 注册 | 找回密码

三维网

 找回密码
 注册

QQ登录

只需一步,快速开始

展开

通知     

查看: 2678|回复: 12
收起左侧

[已解决] 现场的液压系统动作转换成原理图

[复制链接]
发表于 2009-10-28 08:25:27 | 显示全部楼层 |阅读模式 来自: 中国山东威海

马上注册,结识高手,享用更多资源,轻松玩转三维网社区。

您需要 登录 才可以下载或查看,没有帐号?注册

x
急需将现场的液压系统动作转换成液压原理图,其实难度不大,只因小弟在这方面不够专业,有劳达人帮忙了!多谢!!!
9 z( h% T& w7 I6 O8 r3 C4 r) _, u! r5 v, s  ~

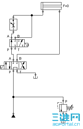
. ?! S8 n# G7 v: e( l液压站有三位四通阀和两位三通阀各一个,调速阀一个(用于慢进调速),溢流阀等必备元件
/ C' [% v, o2 w' F' t/ V: x5 }) R启动开关后,液压站开始向液压系统供油,三位四通阀和两位三通阀得电,液压缸快速工进。到达感应开关1位置时,两位三通阀断电,液压缸慢速工进。到达感应开关2时,两位三通阀和三位四通阀得电换向,液压缸快速工退,工件加工结束。
+ Q8 s1 \3 {' w2 G* V简而言之,三位四通阀和两位三通阀共同作用时液压缸快进、快退,三位四通阀单独作用时液压缸慢进+ r/ c6 O2 r: _& v

- d" l8 h+ n; T7 F3 t9 Z[ 本帖最后由 chjq2008 于 2009-10-29 16:55 编辑 ]
发表于 2009-10-28 10:12:46 | 显示全部楼层 来自: 中国北京
上个照片吧。那个“两位三通”是干什么的想不出来。
发表于 2009-10-28 10:42:25 | 显示全部楼层 来自: 中国北京
这个原理应该很简单,但怎么发给你呢?
发表于 2009-10-28 10:51:26 | 显示全部楼层 来自: 中国陕西宝鸡
就是这样子,三通阀可以拿四通堵口来用
; ~. g' ~6 z% L9 x/ K4 D( u" \) ]  c& [
[ 本帖最后由 shimingqw 于 2009-10-28 10:58 编辑 ]
截图1256698699.png
 楼主| 发表于 2009-10-28 16:52:25 | 显示全部楼层 来自: 中国山东威海

回复 4# shimingqw 的帖子

谢谢!我看看1 ]8 `& C/ z2 @  K) x
觉得有点不对劲,(三位四通阀和两位三通阀共同作用时液压缸快进、快退,三位四通阀单独作用时液压缸慢进)
6 F: F$ a3 n( m2 V  i& V' Y6 t- i! _8 f" B7 x5 U; |
[ 本帖最后由 chjq2008 于 2009-10-28 16:56 编辑 ]
发表于 2009-10-28 18:22:02 | 显示全部楼层 来自: 中国贵州贵阳
四楼的贴图中当油缸回程时,油缸无杆腔的油怎么走向啊?
发表于 2009-10-28 20:36:42 | 显示全部楼层 来自: 中国上海
个人感觉应该把那个两位三通的阀放在靠近泵的那里才对。在家不方便画图,其实4楼的思路是靠那个两位三通来决定是不是经过那个节流阀。因为快进和快退都要这个两位三通的参与,所以应该放在三位四通阀的前面,节流阀也在三位四通阀的前面
发表于 2009-10-28 21:36:26 | 显示全部楼层 来自: 中国陕西宝鸡
原帖由 chjq2008 于 2009-10-28 16:52 发表 http://www.3dportal.cn/discuz/images/common/back.gif
' t. e- N& e7 V, \  w3 ~谢谢!我看看% o$ w5 z- _7 }
觉得有点不对劲,(三位四通阀和两位三通阀共同作用时液压缸快进、快退,三位四通阀单独作用时液压缸慢进)

( M+ J3 ?3 _: I0 a& l那么就把调速阀放在右位(与B腔接)/ Y( `) y! \8 r1 \3 j) J2 R
快进:图示状态。(三位四通阀左位得电,二位三通阀得电)
+ g* e  v/ K1 z% H+ t: f2 u工进:前者得电,后者不得电。
9 O* \  f3 b0 M8 O/ W1 k4 O4 z快退:前者右位得电,后者得电)
发表于 2009-10-28 21:38:44 | 显示全部楼层 来自: 中国陕西宝鸡
原帖由 lqy840905 于 2009-10-28 18:22 发表 http://www.3dportal.cn/discuz/images/common/back.gif. |4 N  y' o, m; i) T
四楼的贴图中当油缸回程时,油缸无杆腔的油怎么走向啊?
0 W5 f4 @0 a- j- v6 w' q; u1 _8 ?
看不出来吗?
发表于 2009-10-28 21:48:47 | 显示全部楼层 来自: 中国陕西宝鸡
原帖由 xiaochong2000 于 2009-10-28 20:36 发表 http://www.3dportal.cn/discuz/images/common/back.gif
9 ^% S8 n5 S( U; X个人感觉应该把那个两位三通的阀放在靠近泵的那里才对。在家不方便画图,其实4楼的思路是靠那个两位三通来决定是不是经过那个节流阀。因为快进和快退都要这个两位三通的参与,所以应该放在三位四通阀的前面,节流阀也 ...
+ q3 [' W$ ?) b1 w/ c
1 f1 v8 {* V0 M
放在前面,确实可行
发表于 2009-10-28 22:26:08 | 显示全部楼层 来自: 中国北京
从楼主介绍来分析,要到两个行程开关的位置是切换二位三通,如果采用双泵系统,二位三通作为溢流阀上(电磁溢流阀),长开形式的,攻进时大泵靠它卸荷,快进时大小泵合流,不过这样系统有点浪费,呵呵
发表于 2009-10-28 23:49:09 | 显示全部楼层 来自: 中国贵州贵阳
原帖由 shimingqw 于 2009-10-28 21:38 发表 http://www.3dportal.cn/discuz/images/common/back.gif
+ ~5 s8 z: u! K* h( V/ O: U( a( c& K* D0 Q9 b8 i. \6 [8 i
看不出来吗?

& ?$ i) G3 h9 ]5 Y9 D/ G电磁阀能按照箭头方向反向通油吗?我就是想问一问,并非质问,别介意。
 楼主| 发表于 2009-10-29 08:10:30 | 显示全部楼层 来自: 中国山东威海
这个液压系统是拆卸别的设备上的,并非我们自己选择的,呵呵
发表回复
您需要登录后才可以回帖 登录 | 注册

本版积分规则


Licensed Copyright © 2016-2020 http://www.3dportal.cn/ All Rights Reserved 京 ICP备13008828号

小黑屋|手机版|Archiver|三维网 ( 京ICP备2023026364号-1 )

快速回复 返回顶部 返回列表