QQ登录

只需一步,快速开始

登录 | 注册 | 找回密码

三维网

 找回密码
 注册

QQ登录

只需一步,快速开始

展开

通知     

查看: 2250|回复: 11
收起左侧

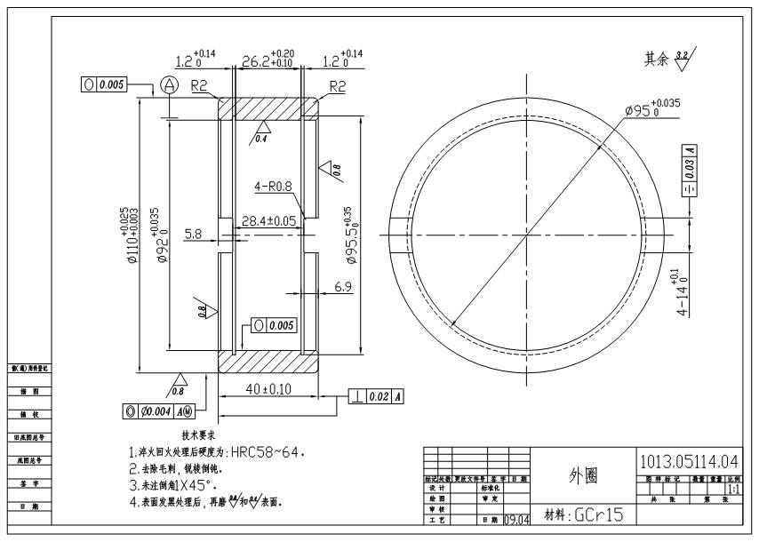
[已解决] 大家帮我看看有什么好方法加工此产品

[复制链接]
发表于 2009-10-29 12:51:45 | 显示全部楼层 |阅读模式 来自: 中国江西宜春

马上注册,结识高手,享用更多资源,轻松玩转三维网社区。

您需要 登录 才可以下载或查看,没有帐号?注册

x
接了个圈,除了磨,其它没什么好说的,正常我们这样走:* F  d& o1 w2 J6 j& P, g' A( }) Y
1.车内孔外圆留量0.5-0.6,厚度留0.3,切槽26.2要求分中。) J' Y2 {$ b7 w3 E9 k8 t
2.热处理。, K0 Y: x* {# t; b5 s
3.粗磨,留量0.2-0.3,* h" d. Q0 f8 ~- K
4.煮油,8 x9 N7 t+ H) Z8 ^/ f
5.精磨,+ |3 p3 [( p' k$ B5 U: T
6.平磨5.8及40合格。
: D6 e/ [- B9 F/ c  a9 K7.线切割4个14宽槽。* u% T; r9 @( T

# r  a: c/ @( N3 g5 u6 H7 W问题是我们没有专用带磁力吸盘的磨床,这产品只能压,下来的椭圆度达不成要求,磨床的工装有几个版本,
( {2 @( f9 q  O" E2 ya:以内孔定位精磨的,穿心轴磨外圆。7 X1 d) p: j0 T
b:以外圆及槽定位精磨的,要求粗磨后外圆有一致尺寸,并且要先割槽。
5 l2 V6 v$ A0 g大家能否帮我想想还有何招 $ H' H5 y; j. r% B9 d# g+ C
: T" {% h  l8 X2 j1 t. |4 t
[ 本帖最后由 罗文 于 2009-10-30 11:15 编辑 ]
未命名.JPG
发表于 2009-10-29 15:20:34 | 显示全部楼层 来自: 中国河南南阳
你的这个问题不好解决 ,没有专用带磁力吸盘的磨床是你们最大不足,要是赔本生意就别做了,做就要买设备
 楼主| 发表于 2009-10-29 20:15:13 | 显示全部楼层 来自: 中国江西宜春
这事不由我做主,我也知道普通磨床的精度就只有这么好,老大定的单,几百件,已经说过难达要求,硬要做,却也不能老和抬杠。
, ?4 {! @. h6 N下午想了个招,欢迎大家批评指教
# G% K, R; J/ c" M5 E粗磨内孔后,穿心轴磨外圆留量到统一尺寸110.3,线切割键槽后煮油。9 u  ~" X# V& C  @1 C2 J
以外圆及键定位,精磨孔到尺寸,最后再穿心轴磨外圆到尺寸。下图是个安装在磨床主轴1:4锥度的工装,诚心欢迎大家批评指教:handshake* A# i; P7 Y' q1 J/ g

! @+ R  _& u# G[ 本帖最后由 罗文 于 2009-10-30 13:54 编辑 ]
0.jpg
0.1.jpg
0.1.1.jpg
发表于 2009-10-29 21:09:11 | 显示全部楼层 来自: 中国江苏常州
1.方案是有道理的,磨内孔时压平面,外圆定位微间隙,保证无定位装夹变形。9 E$ f3 W& e. N& S
2.前提是,两平面应该在前面磨了吧,不然怎么保证垂直度0.02.

评分

参与人数 1三维币 +2 收起 理由
sxw68 + 2 应助

查看全部评分

 楼主| 发表于 2009-10-29 21:11:56 | 显示全部楼层 来自: 中国江西宜春
楼上说的有道理,谢谢提醒现在我是骑虎难下,死马当活马医了
1 C- F' Y) d- O: a" z" ~( q/ F( u& _; _6 N
[ 本帖最后由 罗文 于 2009-10-29 21:13 编辑 ]
发表于 2009-10-29 21:28:11 | 显示全部楼层 来自: 中国江苏常州
1.注意控制热前精度:端面对孔垂直度,两端面平行度。  V$ w7 c0 V+ Y0 X9 f
2.控制热变形。( a) t$ C2 h& M$ G' L0 P
3.粗磨孔装夹时校正平面。
; R/ ?- [$ A) S1 ~6 v4.磨平面。
9 b+ [- |( Z3 x' {5.端面及孔定位(H/f配合),压另一端面,磨外圆。
6 D$ E$ D1 l, @% ~6.按你方案磨孔。' W, l' L+ P4 [0 [, r
7.按孔径分2-3组,选配芯轴(0.005-0.01间隙,保证套入及压紧无变形),端面及孔定位,压另一端面,磨外圆。  ]! O& _! s2 A8 o) L. D, E

" {" j, Y4 u. Y3 |; k[ 本帖最后由 ftgww123 于 2009-10-29 21:46 编辑 ]

评分

参与人数 1三维币 +2 收起 理由
sxw68 + 2 应助

查看全部评分

 楼主| 发表于 2009-10-30 11:14:49 | 显示全部楼层 来自: 中国江西宜春

回复 6# ftgww123 的帖子

非常感谢 ftgww123 的帮助 * n1 l+ \* H& h3 C) e
到今天重新和老大谈了一下:不是怕做工装,是怕做无用功,机床的精度不是我们能控制的,成本高不说,产品合格才是关键。联系了轴承加工单位,价格还合理,最后决定外协。- N% X2 }8 C0 P4 W/ O; S9 q5 q
再次感谢 ftgww123 给予的指教
发表于 2009-10-30 11:51:36 | 显示全部楼层 来自: 中国江苏常州

回复 7# 罗文 的帖子

正确的决策。
发表于 2009-11-2 10:26:34 | 显示全部楼层 来自: 中国福建福州
原帖由 罗文 于 2009-10-30 11:14 发表 http://www.3dportal.cn/discuz/images/common/back.gif
! L! z6 i4 p7 N! f# v( A非常感谢 ftgww123 的帮助 ; K/ `6 o4 y3 F; n6 e0 j
到今天重新和老大谈了一下:不是怕做工装,是怕做无用功,机床的精度不是我们能控制的,成本高不说,产品合格才是关键。联系了轴承加工单位,价格还合理,最后决定外协。
9 V, t/ H, P% f$ H再次 ...
0 T( B; ?! V2 s$ C

) [4 d- v/ w' u/ o" {: F5 k言之有理,话说到这样子了,老大还能不听吗?
发表于 2009-12-4 20:55:42 | 显示全部楼层 来自: 中国广东广州

正确的决策

:lol:
发表于 2009-12-5 00:03:23 | 显示全部楼层 来自: 中国河南安阳
不错。看了大家的意见真的感觉很好,看到已经过期的帖子了。很遗憾……其实还有更好的方法……
发表于 2009-12-6 14:40:53 | 显示全部楼层 来自: 中国福建厦门
原帖由 lujinglong 于 2009-12-5 00:03 发表 http://www.3dportal.cn/discuz/images/common/back.gif
8 ~6 C6 q9 ?" @) K6 D9 d4 p不错。看了大家的意见真的感觉很好,看到已经过期的帖子了。很遗憾……其实还有更好的方法……

' J0 c2 g) ]* b* T5 N( P0 h; H: `5 t1 q. _3 O, ^
有什么好的方法说出来让大有学习下嘛!
发表回复
您需要登录后才可以回帖 登录 | 注册

本版积分规则


Licensed Copyright © 2016-2020 http://www.3dportal.cn/ All Rights Reserved 京 ICP备13008828号

小黑屋|手机版|Archiver|三维网 ( 京ICP备2023026364号-1 )

快速回复 返回顶部 返回列表