QQ登录

只需一步,快速开始

登录 | 注册 | 找回密码

三维网

 找回密码
 注册

QQ登录

只需一步,快速开始

展开

通知     

查看: 1865|回复: 15
收起左侧

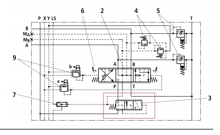
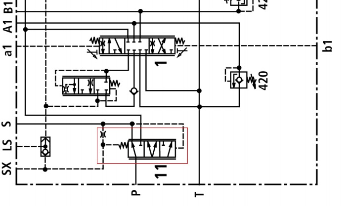
[求助] 力士乐多路阀上的这个阀起什么作用?

[复制链接]
发表于 2009-11-2 20:14:07 | 显示全部楼层 |阅读模式 来自: 中国江苏徐州

马上注册,结识高手,享用更多资源,轻松玩转三维网社区。

您需要 登录 才可以下载或查看,没有帐号?注册

x
TM截图未命名1.jpg 0 i1 _  \4 ^( L
TM截图未命名2.jpg " d( u( X: I. W0 ^& M
TM截图未命名3.jpg
/ S" s" E* A" A# K" x  u3 P; J5 @
就是这三个被框起来的阀,有什么作用,这三个的区别是什么?
发表于 2009-11-3 18:12:37 | 显示全部楼层 来自: 中国山西大同
二通压力补偿器。
发表于 2009-11-4 18:00:15 | 显示全部楼层 来自: 中国贵州毕节
第一张图中的应该是力士乐的LUDV系统阀后压力补偿器,第三张图中应该是LS系统的阀前压力补偿器,个人所见。
发表于 2009-11-4 20:36:10 | 显示全部楼层 来自: 中国江苏徐州
同意楼上的 说法:第一张是LUDV系统后的 压力补偿& V2 ]0 K; e/ {+ S. k3 @
第二张是应该是负载补偿吧,回去在看看书告诉你 / P- p* E; q; M+ n6 A( A6 I
第三张是LS系统的压力补偿
发表于 2009-11-4 21:34:14 | 显示全部楼层 来自: 中国广西南宁
各位前辈,第一张图的压力补偿阀是怎么工作的呢?
发表于 2009-11-4 22:03:59 | 显示全部楼层 来自: 中国广东清远
学习一下,不懂
发表于 2009-11-5 15:41:04 | 显示全部楼层 来自: 中国贵州
学习讨论一下2 S9 u( |4 a8 p4 Y: |9 T# r/ ^# v6 O
下图也是本论坛的网友高手发给我的一张图( A9 o( a* Y$ K: L/ O$ C) i
http://file:///E:/机械书籍/德国ITC312H3资料/回复:%20德国挖掘机液压原理图(三维论坛中lqy840905)/裁剪.bmp9 d2 L) p) N6 k. I/ y8 ]
针对楼主的第一张图,阀中间的(A、B口之间)的就是压力补偿器,也就是楼主第一张图中框起的部分。当P口压力可以克服压力补偿器弹簧时,阀芯被顶起,A口(B口)与P口联通,同时和阀体上的LS口联通,将执行器负载压力(A口)传递到泵上。
发表于 2009-11-5 15:44:49 | 显示全部楼层 来自: 中国贵州
怪,图怎么发不上去啊?(BMP文件)我用复制的呀。可以粘贴到回复栏中的嘛,发之前都看的见嘛。" B) Z( Q# ^9 ~; ?/ k- h5 k3 s
直接发文件吧

rde64284-w_2004-01(LUCV#M6-15).pdf

145.49 KB, 下载次数: 31

发表于 2009-11-5 15:50:48 | 显示全部楼层 来自: 中国贵州
版主指点一下怎么将图型直接发到回复栏中。
发表于 2009-11-5 20:18:58 | 显示全部楼层 来自: 中国山西大同
下载看了,楼上发的资料很好。
 楼主| 发表于 2009-11-6 20:24:04 | 显示全部楼层 来自: 中国江苏徐州

回复 4# haonan890 的帖子

能把压力补偿器的每一位的都说清楚吗?
发表于 2009-11-8 20:24:23 | 显示全部楼层 来自: 中国辽宁鞍山
电液比例技术的书上讲的挺明白,看看书就好了
发表于 2009-11-8 21:12:32 | 显示全部楼层 来自: 中国天津
学习了,谢谢,这么多高手
发表于 2009-11-8 22:35:08 | 显示全部楼层 来自: 中国北京
学习!有流量,压力补偿作用?
发表于 2009-11-9 01:52:42 | 显示全部楼层 来自: 中国湖北孝感
是让通过的流量随负载需要而变化
发表于 2010-3-24 19:08:02 | 显示全部楼层 来自: 中国江西南昌
是否可以通俗的讲是调速阀?
发表回复
您需要登录后才可以回帖 登录 | 注册

本版积分规则


Licensed Copyright © 2016-2020 http://www.3dportal.cn/ All Rights Reserved 京 ICP备13008828号

小黑屋|手机版|Archiver|三维网 ( 京ICP备2023026364号-1 )

快速回复 返回顶部 返回列表