QQ登录

只需一步,快速开始

登录 | 注册 | 找回密码

三维网

 找回密码
 注册

QQ登录

只需一步,快速开始

展开

通知     

查看: 1496|回复: 2
收起左侧

[已答复] 如何实现自动钻孔方案选择

[复制链接]
发表于 2009-11-9 09:44:54 | 显示全部楼层 |阅读模式 来自: 中国山东威海

马上注册,结识高手,享用更多资源,轻松玩转三维网社区。

您需要 登录 才可以下载或查看,没有帐号?注册

x
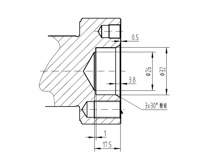
打算在普通车床CA6140上改造,实现车端面及钻孔、铰孔的加工,共需4把刀,(有的轴需5把刀)
* c7 b# s0 Y0 T4 ]1 j请问用什么样的数控刀台可以实现自动换刀?" Q% S& v* R5 [
备注:6 W. i: g) \! ~& p% V0 g) h
1、如果用立式(转台式)需要安装在车床的托板上,替换原来的4工位刀台。Z、X轴需改造成数控。  Z$ ~% G$ p! @) }) o/ y% L2 ^1 ~
2、如果用伞形的刀塔可以考虑安装到尾座上,用伺服控制尾座进给。对尾座主轴有什么特殊要求吗?4 P! P6 s3 D' a9 ~$ R* H
这两种方案哪个更加合理,更容易实现,成本更低?
未命名.JPG
发表于 2009-11-12 17:03:27 | 显示全部楼层 来自: 中国河南南阳
你说的很有高度,估计很少人能说全面。
发表于 2009-11-12 17:47:25 | 显示全部楼层 来自: 中国浙江宁波
可以在中托板上加上平移式的刀库6把刀,可以完成。
发表回复
您需要登录后才可以回帖 登录 | 注册

本版积分规则


Licensed Copyright © 2016-2020 http://www.3dportal.cn/ All Rights Reserved 京 ICP备13008828号

小黑屋|手机版|Archiver|三维网 ( 京ICP备2023026364号-1 )

快速回复 返回顶部 返回列表