QQ登录

只需一步,快速开始

登录 | 注册 | 找回密码

三维网

 找回密码
 注册

QQ登录

只需一步,快速开始

展开

通知     

全站
7天前
查看: 5955|回复: 16
收起左侧

[已解决] 中心孔问题

[复制链接]
发表于 2009-11-9 18:17:35 | 显示全部楼层 |阅读模式 来自: 中国上海

马上注册,结识高手,享用更多资源,轻松玩转三维网社区。

您需要 登录 才可以下载或查看,没有帐号?注册

x
在设计轴定位中心孔时 空的类型和开孔大小一般是怎么来定的 ?
发表于 2009-11-9 18:39:15 | 显示全部楼层 来自: 中国江苏苏州
中心孔的类型主要取决于零件的质量和中心孔的用途,A型、B型、C型,每一种对应的都不一样,楼主可以查下设计手册!
发表于 2009-11-9 18:49:04 | 显示全部楼层 来自: 中国江苏常州
机械加工工艺手册第三册比较详细。
发表于 2009-11-9 21:34:03 | 显示全部楼层 来自: 中国浙江嘉兴
可查《机械设计手册》
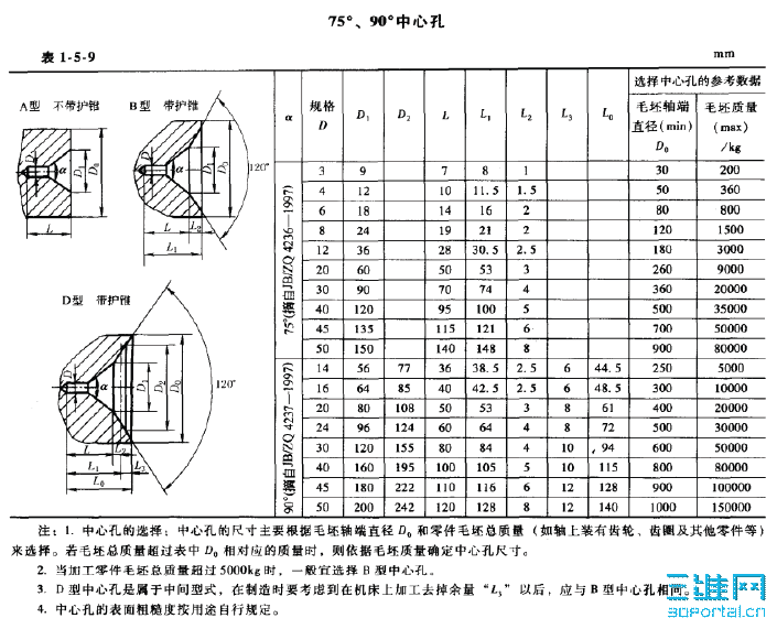
60°.png
75°90°.png

评分

参与人数 1三维币 +3 收起 理由
asdolmlm + 3 鼓励参与

查看全部评分

发表于 2009-11-9 22:09:26 | 显示全部楼层 来自: 中国江西九江
按GB/T 145-2001 中心孔标准。
) ?; m- K% U- W; j4 P选中心孔要看看你加工零件的精度 还有工序等
) z% v8 F$ x8 @A型 精度要求一般
  H+ l$ P& Q7 p  k& \. o- r6 zB型 精度要求较高工序多的工件4 {# n- K% M8 g3 r2 @% m
C型 需要把其他零件轴向固定轴上的时候用C型中心孔
6 A% I2 K/ h# [) O( QR型 适用于轻型和高精度的轴

评分

参与人数 1三维币 +2 收起 理由
天际孤帆 + 2 技术交流

查看全部评分

 楼主| 发表于 2009-11-10 13:34:31 | 显示全部楼层 来自: 中国上海
那比如A型的话 D的大小如何选择
发表于 2009-11-10 14:17:35 | 显示全部楼层 来自: 中国辽宁沈阳
中心孔的大小,即孔径应该由轴径大小和工件最大重量决定。详见4楼的图表。

评分

参与人数 1三维币 +2 收起 理由
天际孤帆 + 2 技术交流

查看全部评分

发表于 2009-11-10 14:58:37 | 显示全部楼层 来自: 中国广东清远
要参考你的毛坯轴端直径和毛坯轴质量来选取,另外中心钻是标准刀具,直接可以保证尺寸D

评分

参与人数 1三维币 +2 收起 理由
天际孤帆 + 2 技术交流

查看全部评分

头像被屏蔽
发表于 2009-11-10 15:47:02 | 显示全部楼层 来自: 中国辽宁丹东
提示: 作者被禁止或删除 内容自动屏蔽
发表于 2009-11-10 20:58:49 | 显示全部楼层 来自: 中国江苏苏州
原帖由 hbsky20 于 2009-11-10 13:34 发表 http://www.3dportal.cn/discuz/images/common/back.gif
$ D4 j- V8 [" J' o& o7 T- P+ n那比如A型的话 D的大小如何选择

3 o( C3 {/ W$ D* d/ Y& ~9 L4楼的表里不是还有个D0吗,D0是轴的外径,可以根据轴径定义D1大小

评分

参与人数 1三维币 +2 收起 理由
天际孤帆 + 2 技术交流

查看全部评分

发表于 2009-11-11 00:26:27 | 显示全部楼层 来自: 中国江苏南京
粥定位中心孔》?是你加工用?要不直接设计一个空就可以了
 楼主| 发表于 2009-11-11 09:38:59 | 显示全部楼层 来自: 中国上海
中心孔的大小,即孔径应该由轴径大小和工件最大重量决定  有对应的数据吗
发表于 2009-11-11 10:24:51 | 显示全部楼层 来自: 中国山西太原

回复 12# hbsky20 的帖子

看一下4楼的第二个表的最后两栏就可以参考。

评分

参与人数 1三维币 +2 收起 理由
天际孤帆 + 2 应助

查看全部评分

 楼主| 发表于 2009-11-11 19:05:09 | 显示全部楼层 来自: 中国上海
谢谢各位 学习了
发表于 2010-11-21 15:24:32 | 显示全部楼层 来自: 中国湖南株洲
中心孔的大小,即孔径应该由轴径大小和工件最大重量决定。详见4楼的图表。% f& N8 N8 O" @& A3 I
songyun1007 发表于 2009-11-10 14:17 http://www.3dportal.cn/discuz/images/common/back.gif
3 a. v0 O  x6 _, @8 H) s. U/ P

9 k3 g' x4 p$ h: RGB/T 145中,GB/T4459.5中均没有规定按照轴径大小、工件最大重量选取中心孔大小的描述,请问如何根据轴径、重量确定中心孔大小?
发表于 2013-8-6 14:23:51 | 显示全部楼层 来自: 中国湖南长沙
刚好需要这个 谢谢
发表于 2013-8-6 17:01:27 | 显示全部楼层 来自: 中国湖北武汉
机械设计手册上应该有详细说明。
发表回复
您需要登录后才可以回帖 登录 | 注册

本版积分规则

Licensed Copyright © 2016-2020 http://www.3dportal.cn/ All Rights Reserved 京 ICP备13008828号

小黑屋|手机版|Archiver|三维网 ( 京ICP备2023026364号-1 )

快速回复 返回顶部 返回列表