QQ登录

只需一步,快速开始

登录 | 注册 | 找回密码

三维网

 找回密码
 注册

QQ登录

只需一步,快速开始

展开

通知     

goto3d 说: 在线网校重磅上线MC2022&Inventor2022全新课程,虞为民老师、大表哥同事精彩讲解,快去围观!
2021-06-25
查看: 1919|回复: 8
收起左侧

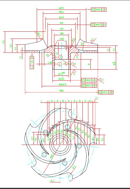
[求助] 高手,这个图怎么画

[复制链接]
发表于 2009-11-12 10:02:50 | 显示全部楼层 |阅读模式 来自: 中国广东中山

马上注册,结识高手,享用更多资源,轻松玩转三维网社区。

您需要 登录 才可以下载或查看,没有帐号?注册

x
高手,这个图怎么画
1.jpg
11.jpg
头像被屏蔽
发表于 2009-11-12 10:57:06 | 显示全部楼层 来自: 中国辽宁营口
提示: 作者被禁止或删除 内容自动屏蔽
发表于 2009-11-12 11:20:54 | 显示全部楼层 来自: 中国广东佛山
同意楼上的意见,也就几个拉伸的事
发表于 2009-11-12 11:26:20 | 显示全部楼层 来自: 加拿大
补充一点,在记事本里输入点的坐标,另存为.IBL文件,格式如下:1 h& W  |8 x  ^- n7 h6 |8 g* {) s
0 g/ d4 `( Z, M9 S
$ H% s- d; l- A- p4 k
open
1 j& o/ B3 B# Z5 }2 M+ c) Zarclength% s  Q9 I! ?1 |: g  p
begin section!( B$ ]. ?* h1 W* e; I* q7 }. Y
begin curve!
" W' R8 `3 `& }1 d1 10 20 503 u; M1 M. L  T) ^/ l
2 30 40 60
" M9 T/ S: m+ D2 a, v) |) X3 50 70 902 ?% ]) s2 w  f$ g/ X+ H6 d9 r4 Q* g
4 30 150 100

评分

参与人数 1三维币 +2 收起 理由
kevin_pcac + 2 技术讨论

查看全部评分

发表于 2009-11-12 13:07:42 | 显示全部楼层 来自: 中国湖北鄂州
先做出点,由点构线,再用边界混合,实体化做出一个叶片,然后阵列,就可以啦!没有时间,有时间的话,可以练练手。你把图纸你把图纸发个附件上来,这样看不清楚。如果不行,你发我邮箱:dadaoguo@sina.com.cn,晚上我可以做一下
1 B% E' Q" K9 k. h- ^6 }9 e8 x9 o+ I0 ]1 |
[ 本帖最后由 gzqin 于 2009-11-12 13:11 编辑 ]
发表于 2009-11-12 15:17:57 | 显示全部楼层 来自: 中国广东中山
  学习一下 
发表于 2009-11-12 18:45:50 | 显示全部楼层 来自: 中国浙江宁波
有2D文件的话,估计是有的
5 B# Y+ g* u6 K5 R* ]将那个2D文件输入不就行了
9 Y# R7 z& _% B+ Y6 h5 c然后就。。。。4 B% @% w4 Z& `: X$ ~7 E
基本线还用的着画吗
: s3 ]0 N3 D0 M- Y' D5 Q
8 V5 e0 q; K9 u/ H[ 本帖最后由 darkbit 于 2009-11-12 18:47 编辑 ]
发表于 2009-11-13 10:39:11 | 显示全部楼层 来自: 中国广东中山
路过,顶一下 
发表于 2009-12-1 16:47:18 | 显示全部楼层 来自: 中国江苏苏州
这个有点问题  怪我学识太浅
发表回复
您需要登录后才可以回帖 登录 | 注册

本版积分规则


Licensed Copyright © 2016-2020 http://www.3dportal.cn/ All Rights Reserved 京 ICP备13008828号

小黑屋|手机版|Archiver|三维网 ( 京ICP备2023026364号-1 )

快速回复 返回顶部 返回列表