QQ登录

只需一步,快速开始

登录 | 注册 | 找回密码

三维网

 找回密码
 注册

QQ登录

只需一步,快速开始

展开

通知     

查看: 1351|回复: 6
收起左侧

[已解决] 高手请进!

[复制链接]
发表于 2009-11-15 21:01:23 | 显示全部楼层 |阅读模式 来自: 中国

马上注册,结识高手,享用更多资源,轻松玩转三维网社区。

您需要 登录 才可以下载或查看,没有帐号?注册

x
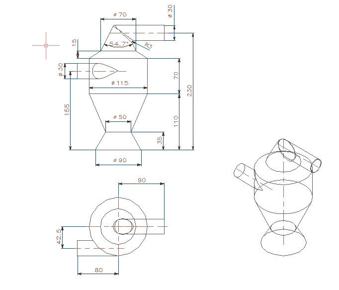
这个图怎么画?
1 ?" }( ?& h4 ?$ E) a, `6 U7 Y' U  O# C0 v+ H2 W/ m( n; s+ b
[ 本帖最后由 amwpl 于 2009-11-15 21:02 编辑 ]
45.jpg
发表于 2009-11-15 22:20:53 | 显示全部楼层 来自: 中国广东汕头
相对较简单,附上PRT文件,仅供参考
4 \9 K5 o6 E9 T  s7 m
# _& ~/ K8 O5 `2 T[ 本帖最后由 xcrxxc 于 2009-11-15 22:28 编辑 ]
这个图怎么画.jpg

20091115.rar

149.19 KB, 下载次数: 6

评分

参与人数 1三维币 +3 收起 理由
beyond2009 + 3 应助

查看全部评分

 楼主| 发表于 2009-11-16 07:56:54 | 显示全部楼层 来自: 中国广东惠州

回复 2# xcrxxc 的帖子

我就是画不来顶上的那个特征,不知道啥画?
发表于 2009-11-16 09:34:54 | 显示全部楼层 来自: 中国上海
图纸上很清楚的,一个圆台和一个圆柱相交的结果
 楼主| 发表于 2009-11-17 17:53:40 | 显示全部楼层 来自: 中国浙江衢州

回复 4# 阿帕奇 的帖子

我画得这样的?0 v( v$ M# N7 p7 I) P/ z

9 T) x% @4 k6 B, x) L[ 本帖最后由 amwpl 于 2009-11-17 18:00 编辑 ]
QQ截图未命名.jpg
发表于 2009-11-18 10:03:25 | 显示全部楼层 来自: 中国广东惠州

我不是高手,简单做给你看看

录像.rar (1.68 MB, 下载次数: 24)

评分

参与人数 1三维币 +5 收起 理由
beyond2009 + 5 应助

查看全部评分

 楼主| 发表于 2009-11-18 19:15:51 | 显示全部楼层 来自: 中国广东惠州

回复 6# 603803 的帖子

谢谢你!
发表回复
您需要登录后才可以回帖 登录 | 注册

本版积分规则


Licensed Copyright © 2016-2020 http://www.3dportal.cn/ All Rights Reserved 京 ICP备13008828号

小黑屋|手机版|Archiver|三维网 ( 京ICP备2023026364号-1 )

快速回复 返回顶部 返回列表