QQ登录

只需一步,快速开始

登录 | 注册 | 找回密码

三维网

 找回密码
 注册

QQ登录

只需一步,快速开始

展开

通知     

查看: 2154|回复: 15
收起左侧

[讨论] amesim进行伺服建模仿真

[复制链接]
发表于 2009-11-16 20:45:58 | 显示全部楼层 |阅读模式 来自: 中国内蒙古呼和浩特

马上注册,结识高手,享用更多资源,轻松玩转三维网社区。

您需要 登录 才可以下载或查看,没有帐号?注册

x
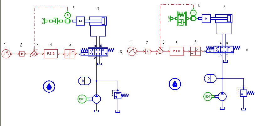
以位移反馈的液压伺服系统仿真图为1,那么如果改为力反馈图是什么样子的呢?希望大家讨论一下,谢谢/ y+ R1 D6 E  ~4 G

6 Z+ G1 S* M0 f& W+ {我试了用图2中任意一种,系统总是不能实现按照输入指令闭环实现目标载荷要求。
1 u4 E$ E' Y& g! w) Z3 v/ l4 a- n: d% t/ P
[ 本帖最后由 lszdyx 于 2009-11-16 21:41 编辑 ]
1.jpg
2.jpg
发表于 2009-11-17 00:30:31 | 显示全部楼层 来自: 中国陕西西安
力系统比位移要复杂,力系统中,负载的运动会影响力的保持,即产生多余力。/ [% L+ }6 S& Z5 E  p6 n
必须对负载的运动补偿。
发表于 2009-11-17 09:32:12 | 显示全部楼层 来自: 中国湖南衡阳
看起来下图的回路搭接应该没问题,问题出在哪里真要自己亲手做一下才能有答案。学习一下,如果你有结果了,也告诉我一声
 楼主| 发表于 2009-11-17 19:50:31 | 显示全部楼层 来自: 中国内蒙古呼和浩特
好,谢谢各位,同时也希望其它侠客指教
 楼主| 发表于 2009-11-18 10:34:30 | 显示全部楼层 来自: 中国内蒙古呼和浩特
2楼能否详细描述一下您的建议,补偿思路,如何实现!
 楼主| 发表于 2009-11-20 13:52:36 | 显示全部楼层 来自: 中国内蒙古呼和浩特
希望高手们帮忙分析
 楼主| 发表于 2009-11-21 20:26:40 | 显示全部楼层 来自: 中国内蒙古呼和浩特
问题解决,谢谢楼上各位
 楼主| 发表于 2009-11-24 19:46:44 | 显示全部楼层 来自: 中国内蒙古呼和浩特
其实我想弄明白开口对称伺服阀控制对称缸和非对称缸方面的区别或者补偿方法。
发表于 2009-11-24 20:51:55 | 显示全部楼层 来自: 中国辽宁大连
正想学AMESIM呢
 楼主| 发表于 2009-11-25 08:44:22 | 显示全部楼层 来自: 中国内蒙古呼和浩特
2楼能说说补偿思路吗
发表于 2009-11-25 09:42:42 | 显示全部楼层 来自: 中国北京
原理上好像没问题,要看你具体选件的参数。
 楼主| 发表于 2009-11-26 22:09:18 | 显示全部楼层 来自: 中国内蒙古呼和浩特
大家看一下图中伺服阀的流量和压降,是输入额定值吗
发表于 2009-11-26 23:49:21 | 显示全部楼层 来自: 中国陕西西安

回复 10# lszdyx 的帖子

实在不好意思,才看见。
% w# m0 C2 @0 m补偿思路其实就是把负载的运动也作为输入,进行补偿,补偿方法很多种,比较实用的是结构不变性方法,还有力系统最好别用零开口,要选预开口伺服阀。力系统有很多要注意的细节问题,我QQ,PM给你了,Q上共同探讨。

评分

参与人数 1三维币 +2 收起 理由
自流井 + 2 技术讨论

查看全部评分

 楼主| 发表于 2009-11-27 09:38:27 | 显示全部楼层 来自: 中国内蒙古呼和浩特
好,谢谢楼主,就此我想咨询几个问题,同时欢迎高手们指点:
& g+ Y/ J, {( E7 U* U$ Y2 M1 S1、伺服阀分为零、正、负开口,每种分别用于什么场合较为合宜?0 L7 m9 `  T( H0 `3 H
2、楼上的预开口伺服阀是1中那种,负开口吗?3 D1 p; H9 W7 W$ q
3、结构不变性方法是什么?
发表于 2010-7-22 20:29:37 | 显示全部楼层 来自: 中国河北秦皇岛
楼主,我同学做了一个类似的系统模型,但是是用来测量液压缸杆端静力变化,但是发现,力传感器一直为零,找不到原因。应为是静力,所以液压缸位移为零,我怀疑是不是库里的力传感器不能检测到静力啊?
 楼主| 发表于 2011-4-23 14:41:15 | 显示全部楼层 来自: 中国内蒙古呼和浩特
15楼你 可以把模型发上来看看。
发表回复
您需要登录后才可以回帖 登录 | 注册

本版积分规则


Licensed Copyright © 2016-2020 http://www.3dportal.cn/ All Rights Reserved 京 ICP备13008828号

小黑屋|手机版|Archiver|三维网 ( 京ICP备2023026364号-1 )

快速回复 返回顶部 返回列表