QQ登录

只需一步,快速开始

登录 | 注册 | 找回密码

三维网

 找回密码
 注册

QQ登录

只需一步,快速开始

展开

通知     

查看: 2922|回复: 10
收起左侧

[已答复] 笔记本面盖怎么防止跑毛边

[复制链接]
发表于 2009-11-22 16:20:55 | 显示全部楼层 |阅读模式 来自: 中国广东深圳

马上注册,结识高手,享用更多资源,轻松玩转三维网社区。

您需要 登录 才可以下载或查看,没有帐号?注册

x
这是一款笔记本面盖,现在用TOSHIBA_450T新成型机量产,但是毛边很大,后处理人员太多,成本增加。
4 j/ V* E7 ^- F3 v* _' E  W曾经试过550T,毛边稍微小了,但是还是要后处理。毛边大时,后处理不良率很大。继续加大成型机的可能性比较小,希望大家多出主意,讨论一下,今后如何改进。
2 v7 o* G# ~7 j0 h  K. n- [9 g4 t模具肯定是没有问题的。柱位的内外孔径这些是不能变更的。柱位天面肉厚,和中间的孔深度都进行过调整的。大家看看还有其他的办法没有
9 g9 `! _( Z! _1 G& u- V; F" h
5 N" @' s3 v5 E, B[ 本帖最后由 alonezq 于 2009-11-23 19:04 编辑 ]
無題.JPG

aaa.rar

177.05 KB, 下载次数: 4

评分

参与人数 1三维币 +10 收起 理由
开亮 + 10 鼓励发题讨论!

查看全部评分

发表于 2009-11-23 08:16:23 | 显示全部楼层 来自: 中国广东东莞
气辅成型就解决问题了
 楼主| 发表于 2009-11-23 12:46:24 | 显示全部楼层 来自: 中国广东深圳
气辅成型有很多种?楼上能不能说得更详细点?谢谢
发表于 2009-11-23 15:54:58 | 显示全部楼层 来自: 中国广东广州

回复 1# alonezq 的帖子

图片无效,请重新上传。
发表于 2009-11-23 19:22:24 | 显示全部楼层 来自: 中国浙江金华
模具嘛  y$ x4 r9 h# s, \, ?$ x# S' a: \
无非就那么几个问题啦) {# j1 w, j8 ~" c3 z
板太薄了,变形( S+ |* G/ `! ]
模具结构设计不合理
+ P; p" C6 l2 t) m- D模具fit模没弄好

评分

参与人数 1三维币 +2 收起 理由
hxg168 + 2 老大出现了,还带答疑,好。看你的头像很忙

查看全部评分

 楼主| 发表于 2009-11-25 17:27:48 | 显示全部楼层 来自: 中国广东深圳
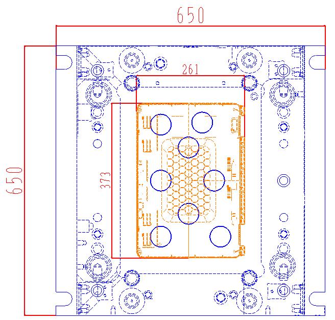
大家帮忙分析,这个型板和入子厚度弱不弱?如果弱,型板变形是怎么一个状态?A还是B? (考虑成型机锁模力分布,本产品是电动机450T,四角锁模)
1.JPG
2.JPG
3.JPG
发表于 2009-11-25 17:54:26 | 显示全部楼层 来自: 中国广东广州
略看进胶对角距离较长,一点进胶难于注满。- Q- W6 t) v& S9 Z5 V5 }$ L* f4 I& m
具体批锋位置在什么地方?
 楼主| 发表于 2009-11-25 19:07:42 | 显示全部楼层 来自: 中国广东深圳
产品是镜面要求,两点会有融合线,喷光油覆盖不了。
4.JPG

评分

参与人数 1三维币 +5 收起 理由
开亮 + 5 技术交流

查看全部评分

发表于 2009-11-25 20:33:39 | 显示全部楼层 来自: 中国广东广州

建议两点进胶。

模具通常会有披锋的问题出现,例如:分型面有披锋,流道水口有披锋,碰穿位有披锋,擦穿位有披锋,顶针司筒有披锋,镶件拼合处有披锋,斜顶有披锋,滑块有披锋等。# ~. q. H" f9 P; f9 A9 q
一.试模时产品有披锋时要在机台上涂一层薄而均匀的红丹,检查FIT模是否到位。如果红丹未到或到得不均匀,则要重新FIT模。: o9 A& d' c! G: O3 Q4 {  p
二.红丹已均匀到达,检查是否是机台是否不够力,还是模架太单薄,模架强度不够,撑头是否高于方铁0.15~0.25mm。. X! }& s! a6 [% G. Q
三.红丹均匀到达,但浇口处和夹水处还是有披锋,是否浇口流道是否太小难注满,要加大注塑压力。则检讨浇口流道是否满足注塑要求,是否要加大入水或增加入水点。夹水处要加排气。3 b% O* F7 ?0 M' |
四.材料流动性好则易有披锋,顶针孔和司筒孔是否太松。6 {( y' f) S+ X7 M: r
五.斜顶披锋是否FIT模不到位,封胶位有间隙或是螺丝未收紧。
# p( a" H0 w: d0 Z六.滑块披锋是否压作锁不死,封胶位红丹不到位或不均匀。3 u$ \) W2 {* x
七.镶件拼合处披锋,是否镶件太松还是封胶位有打磨过度,或是镶件曲尺不对有间隙。还是镶件太单薄有变形。& W& a# N. \! x' E5 V+ n( s
八.顶块封胶的侧面是直身,顶出复位时有擦伤。
) q+ Y6 c: I: ^6 K( ~1 G7 B  j" l0 h  t九.顶块未氮化,顶出复位时有擦伤。5 z# ~; b. `7 ?
十.装配时没装好,顶块螺丝未收紧。1 N' h- @: f* K+ L4 {6 s
试模时要仔细检查,确定披锋形成的原因,以便作出正确的修正。
发表于 2009-11-26 12:04:55 | 显示全部楼层 来自: 中国内蒙古呼和浩特
分析主要就是从下面几个方面
1 j. r- v6 q& [7 O8 ]1 }% K; w一。产品设计
1 X+ p2 i- k# R6 ]$ m/ [8 k二。模具设计3 B% k9 [& c8 f( I
三。成型条件; C8 U% I; h- U4 k" t$ R* c5 c
1看你提供的资,料,看不出产品的外观面是否全在母模侧,建议你将PL分在非外观面侧,就是在背面蓝线处分模,3 H' m/ ]7 i+ M8 F' p! a; F
2,条件许可可以换成流动性差的PC料等。
! W: j; H2 n4 q- ~1 A" D4 V3,在模具上加强排气,多做排气纹。7 p: C+ g  j" j  Z# c: h2 Y, w: N( x
4,成型时加大锁模力,另外,掌握好注射切换位置,比如分三段注塑,尽量把自攻孔与侧边分在不同的段上。
* P1 r( }6 A. S其实,这些改善在很多时候就是不行,还不如后加工来的快与实惠,雇两操作员,用小刀削毛边,熟练了不良率很低的,呵呵。
Capture.JPG

评分

参与人数 1三维币 +3 收起 理由
开亮 + 3 技术讨论

查看全部评分

 楼主| 发表于 2009-11-26 20:27:30 | 显示全部楼层 来自: 中国广东深圳
模具被撑开而漏毛边,但是产品四边毛边不一致,很难解释.市面上有很多笔记本,大家应该都有接触过,有没有做的好日系韩系产品,分享一经验.我们成型生产部门总是说模具做的不好,俺们不服气,但是黔驴技穷也没办法,产品太多因素制约模具了.想知道其他模具厂是如何处理这问题的.
無題.JPG

评分

参与人数 1三维币 +5 收起 理由
开亮 + 5 鼓励讨论

查看全部评分

发表回复
您需要登录后才可以回帖 登录 | 注册

本版积分规则


Licensed Copyright © 2016-2020 http://www.3dportal.cn/ All Rights Reserved 京 ICP备13008828号

小黑屋|手机版|Archiver|三维网 ( 京ICP备2023026364号-1 )

快速回复 返回顶部 返回列表