QQ登录

只需一步,快速开始

登录 | 注册 | 找回密码

三维网

 找回密码
 注册

QQ登录

只需一步,快速开始

展开

通知     

全站
10天前
查看: 2155|回复: 2
收起左侧

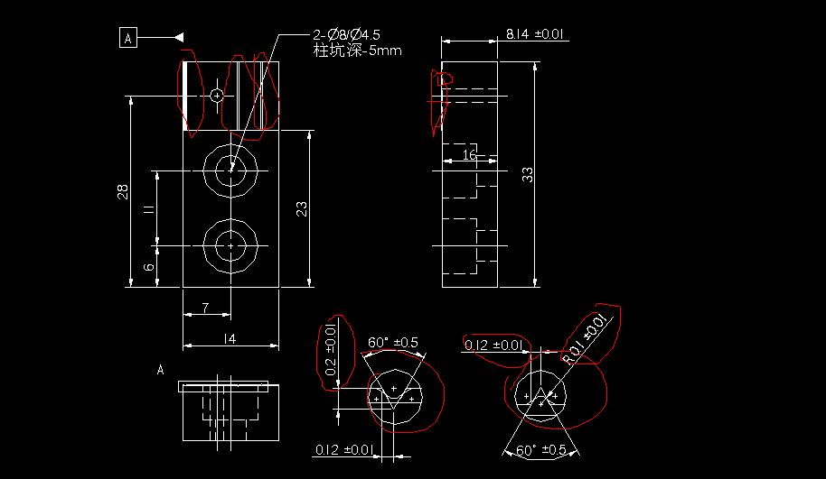
[求助] R0.1凹圆弧

[复制链接]
发表于 2009-11-24 13:00:45 | 显示全部楼层 |阅读模式 来自: 中国广东东莞

马上注册,结识高手,享用更多资源,轻松玩转三维网社区。

您需要 登录 才可以下载或查看,没有帐号?注册

x
skd11  
; Y4 I8 N" L8 u0 P5 u  C热处理55度
# K( W( y" A7 b$ w. ~. G表面光滑
! |, l" K7 ?# P& {$ x6 v7 F
; x# v& F3 [4 w+ b% e加工流程
9 ?3 l: [: _$ [2 L' ^6 |3 Y9 m: i; g; Q  V; {7 R. ^) U* u; j
1-先开四方,. T8 e0 d" s4 F) }
2-加工孔与牙
. |, |$ N& m/ r9 _( ?) e9 u; ~3-热处理55度' d1 C$ q, Q0 i4 L
4-精磨外形. ?4 o( Z1 `, P" Z- |0 Y4 v0 n7 G
5-快走丝割角度  凸圆弧  留0.1MM
" m: j0 K/ A: Z6-精磨台阶面
( Q" A4 I, P5 v; b2 T  v7-佳铁高科cnc  精加工 角度  凸圆弧) l3 }7 v4 U3 S: C# A% k
  台湾一品60度R3刀半精加工0.03  S16000  F4000$ t" r4 c0 b: S
  台湾一品60度R3新刀精加工-0.02  S18000  F4000
% {: z4 v' ^- J( w. p& H. ?问题:刀磨损太快一个工件一把刀  造成工差不稳定大了 , @  E6 m" I; |, k: ]; L- [3 G
   不知道应该用那种刀好  用慢走丝可以达到要求,但老板舍不得太贵了# U1 g3 g' R1 V9 p9 q. l
请前辈门指点一下
101.JPG
102.JPG

822.9108.rar

394.6 KB, 下载次数: 9

 楼主| 发表于 2009-11-24 13:04:39 | 显示全部楼层 来自: 中国广东东莞
111111111111111
822.6111.016-A.JPG
 楼主| 发表于 2009-11-24 13:08:16 | 显示全部楼层 来自: 中国广东东莞
22222222222
822.6111.018-A.JPG
发表回复
您需要登录后才可以回帖 登录 | 注册

本版积分规则


Licensed Copyright © 2016-2020 http://www.3dportal.cn/ All Rights Reserved 京 ICP备13008828号

小黑屋|手机版|Archiver|三维网 ( 京ICP备2023026364号-1 )

快速回复 返回顶部 返回列表