QQ登录

只需一步,快速开始

登录 | 注册 | 找回密码

三维网

 找回密码
 注册

QQ登录

只需一步,快速开始

展开

通知     

查看: 3289|回复: 17
收起左侧

[讨论] 如何标注相同的结构要素

[复制链接]
发表于 2009-11-28 14:26:59 | 显示全部楼层 |阅读模式 来自: 中国北京

马上注册,结识高手,享用更多资源,轻松玩转三维网社区。

您需要 登录 才可以下载或查看,没有帐号?注册

x
在一个零件中,有些相同的结构要素,比如说内圆角R2吧。如果一个零件总共就10个R2,在主视图中可以看到4个,俯视图里可以看到6个。那么应该怎么标注呢?1 x9 T+ v/ C1 ]
是:1.在其中一个视图里标注成10-R2;
7 [4 x4 @# O1 F/ B( e4 r, `, \8 G       2.在主视图里标注4-R2,俯视图里标注成6-R2?+ N$ T! ]2 ^- h" D  c8 @
3 K/ q- ?) i) D4 x4 |, G
大家一般用哪种方法?说一下原因
发表于 2009-11-28 15:41:10 | 显示全部楼层 来自: 中国山西太原
1  这个多处R2就不要在图中标注了,其它尺寸的圆角半径标注。在技术要求中写一条“其余未注圆角半径均为R2”。$ D& |' B: U* u: o& G: `
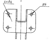
2  如下图那样,一看便知4个圆弧一样,可只标一处。4 I/ R- i) J* [
像楼主说的那样简化标注方法在机械制图标准中没有,这几处在哪里也不一定清楚。
' ]1 T$ U: |! G9 s: J( J* L3 \/ o: f# x$ D
[ 本帖最后由 gaoyns 于 2009-11-28 16:03 编辑 ]
相同圆弧标注1.jpg

评分

参与人数 1三维币 +2 收起 理由
天际孤帆 + 2 技术交流

查看全部评分

发表于 2009-11-28 16:13:08 | 显示全部楼层 来自: 中国山东烟台
2楼意见很对,清晰明了
发表于 2009-11-28 19:39:26 | 显示全部楼层 来自: 中国福建厦门
应该“在主视图里标注4-R2,俯视图里标注成6-R2”
发表于 2009-11-28 19:56:17 | 显示全部楼层 来自: 中国上海
如果在同一个视图里,可以很明显的看出几处圆角R相同,可以标注N—R--,如果不能明显的分别出N个R在什么地方,是不可以标注成N—R--的;不同的视图中也是不可以合并标注的;如果所有视图图中存在很多相同的圆角,可以在把不同尺寸的圆角标注后,如2楼所说,在技术要求里写上未注圆角R--,但也只限于要求不严格的圆角。

评分

参与人数 1三维币 +2 收起 理由
天际孤帆 + 2 技术交流

查看全部评分

发表于 2009-11-28 19:56:19 | 显示全部楼层 来自: 中国安徽马鞍山
我认为分别标注,不应该在一处标,要在技术要求里注明要视整个图纸的情况而定不能盲从。
 楼主| 发表于 2009-11-28 20:38:21 | 显示全部楼层 来自: 中国北京
当年我的领导要求我用第1中注法,说制造者自然回去数到底有多少个的;
4 [% J8 [7 J% i( {9 {而我凭自己感觉,觉得第2种注法更适合于理解。但是一直没有找到相应的标准规定。一直心存疑惑。0 d( q0 Q- M9 q/ Z+ }* r
希望谁能找出好的依据出来,终结这个讨论。
发表于 2009-11-28 20:44:08 | 显示全部楼层 来自: 中国广东广州
5楼的说法合情合理,我比较赞同。有时候会不会有一种约定俗成的习惯呢?
发表于 2009-11-28 22:12:00 | 显示全部楼层 来自: 中国江西九江
2.在主视图里标注4-R2,俯视图里标注成6-R2。
: _; C# y' C* [& s5 h2 v' t
, |% \, X) h! w% t4 x方便识图2 p' C1 }; k, E5 l
! B. A! z* U: S  e
[ 本帖最后由 asdolmlm 于 2009-11-28 22:13 编辑 ]
发表于 2009-11-29 21:59:59 | 显示全部楼层 来自: 中国广东深圳
技术要求中写名就行了
发表于 2009-12-26 15:52:21 | 显示全部楼层 来自: 中国江苏镇江
在未注圆角里写明
发表于 2009-12-26 16:29:27 | 显示全部楼层 来自: 中国河北石家庄
楼上高见。。。。多谢!
发表于 2009-12-26 17:33:20 | 显示全部楼层 来自: 中国江苏南京
呵呵 主图6-R2 俯视图4-R2
发表于 2009-12-26 17:49:28 | 显示全部楼层 来自: 中国山西晋中
其余未注圆角半径均为R2
发表于 2009-12-26 23:13:28 | 显示全部楼层 来自: 中国四川广安
赞同在技术要求中标注未注圆角均为R2,简单明了
 楼主| 发表于 2009-12-31 12:31:35 | 显示全部楼层 来自: 中国北京
赞同在技术要求中标注未注圆角均为R2,简单明了1 O/ d4 h% ]" O- E3 i( a6 ?" k
672623990 发表于 2009-12-26 23:13 http://www.3dportal.cn/discuz/images/common/back.gif
9 K7 S8 Z2 H: h- T8 e: N5 Q/ M0 N
: l: I! j# G8 z' M
我是说相同的结构要素,以圆角来打比方。
4 B9 |5 ~" N$ N# d: o0 W6 {" b$ r不是说标圆角而已。* ]6 Y6 G3 z% Q/ _8 J' z  L/ H

* P& c) y, {* x6 n  _1 H! C- H澄清一下啊
发表于 2009-12-31 12:44:10 | 显示全部楼层 来自: 中国广东深圳
在平时制图中,有较多相同结构要素的,我一般在技术要求上写明。
发表于 2009-12-31 15:44:33 | 显示全部楼层 来自: 中国山西晋中
形状尺寸相同的可以直接省略标注。
发表回复
您需要登录后才可以回帖 登录 | 注册

本版积分规则


Licensed Copyright © 2016-2020 http://www.3dportal.cn/ All Rights Reserved 京 ICP备13008828号

小黑屋|手机版|Archiver|三维网 ( 京ICP备2023026364号-1 )

快速回复 返回顶部 返回列表