QQ登录

只需一步,快速开始

登录 | 注册 | 找回密码

三维网

 找回密码
 注册

QQ登录

只需一步,快速开始

展开

通知     

查看: 3239|回复: 12
收起左侧

[求助] 关于滑阀过渡状态机能的问题

[复制链接]
发表于 2009-11-28 15:41:55 | 显示全部楼层 |阅读模式 来自: 中国浙江嘉兴

马上注册,结识高手,享用更多资源,轻松玩转三维网社区。

您需要 登录 才可以下载或查看,没有帐号?注册

x
知道换向阀中位机能,但对于滑阀过渡状态机能不是很清楚
1 r, m# L) y% G. ]9 c什么是过度状态机能?
( n# I6 J# q8 ^1 Z+ o" x  U8 |3 ?有哪些分类,各自作用?' Q  S' z6 U: m1 ^9 Z; }

& }% F+ }! s1 n哪位大侠能较为详细的说一下,我不懂这个问题!
发表于 2009-11-28 21:44:03 | 显示全部楼层 来自: 中国河南安阳
过渡机能即换向的瞬间的换向阀的机能。
发表于 2009-11-28 23:12:30 | 显示全部楼层 来自: 中国内蒙古呼和浩特
这方面介绍的少,确实需要讨论# \, }. u- |0 U8 g1 P8 K4 L
换向阀机能是换向阀实际使用的位,而过渡机能只是在阀换向过程中用到的机能,一些特殊场合比如为了避免冲击等则常用到H型过渡机能
 楼主| 发表于 2009-11-28 23:16:39 | 显示全部楼层 来自: 中国浙江嘉兴
谢谢楼上两位仁兄,在有关书籍中,都简单说滑阀过渡状态机能要注意,但就是不详细说明!+ ]6 K/ t/ b2 P& v" i3 N, K/ c
请问搞设计的朋友,能否说一下这个问题!你们有考虑设计滑阀时过这个问题吗 ?
头像被屏蔽
发表于 2009-11-28 23:18:12 | 显示全部楼层 来自: 中国福建厦门
提示: 作者被禁止或删除 内容自动屏蔽
发表于 2009-11-30 08:24:16 | 显示全部楼层 来自: 中国浙江宁波
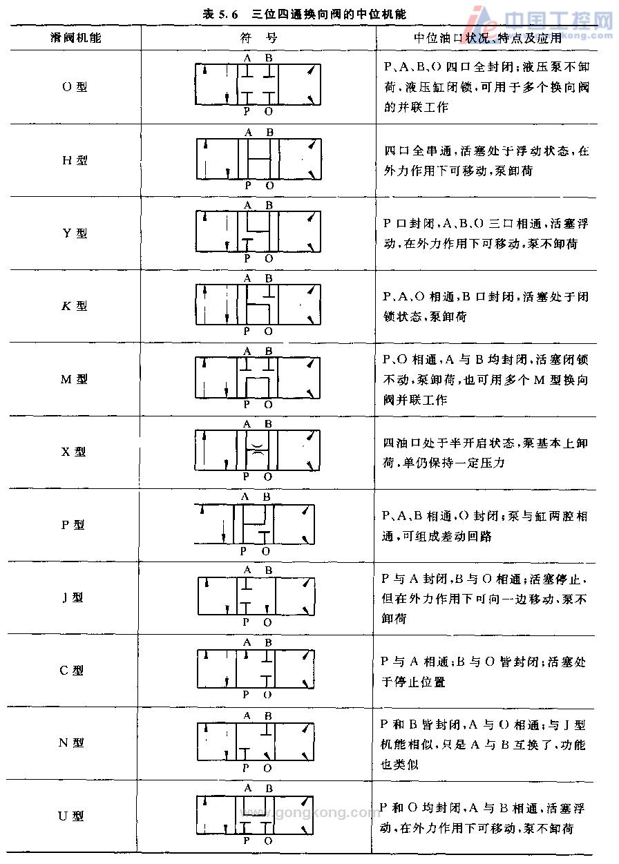
换向阀是借助于滑阀和阀体之间的相对运动,使与阀体相连的各油路实现液压油流的接通、切断和换向。换向阀的中位机能是指换向阀里的滑阀处在中间位置或原始位置时阀中各油口的连通形式,体现了换向阀的控制机能。采用不同形式的滑阀会直接影响执行元件的工作状况。因此,在进行工程机械液压系统设计时,必须根据该机械的工作特点选取合适的中位机能的换向阀。中位机能有O型、H型、X型、M型、Y型、P型、J型、C型、K型,等多种形式。 2 g# t4 L, F' m8 R5 k) N
1 R- d( G- n" m3 H+ }9 E
一、O型符号为
( \  n5 r6 w2 ^1 B3 g$ O2 c, m
  ?* h# C; {+ o2 h( i& H其中P表示进油口,T表示回油口,A、B表示工作油口。结构特点:在中位时,各油口全封闭,油不流通。机能特点:1、工作装置的进、回油口都封闭,工作机构可以固定在任何位置静止不动,即使有外力作用也不能使工作机构移动或转动,因而不能用于带手摇的机构。2、从停止到启动比较平稳,因为工作机构回油腔中充满油液,可以起缓冲作用,当压力油推动工作机构开始运动时,因油阻力的影响而使其速度不会太快,制动时运动惯性引起液压冲击较大。3、油泵不能卸载。4、换向位置精度高。 ; `: u5 c1 r0 E; u8 \
8 s/ L, o- J  H3 u/ @
二、H型符号为
9 C; X% k! k. Z2 t& B. ^& _
4 ~* m" B6 a# s' V1 `- e6 s6 b8 M结构特点:在中位时,各油口全开,系统没有油压。机能特点:1、进油口P、回油口T与工作油口A、B全部连通,使工作机构成浮动状态,可在外力作用下运动,能用于带手摇的机构。2、液压泵可以卸荷。3、从停止到启动有冲击。因为工作机构停止时回油腔的油液已流回油箱,没有油液起缓冲作用。制动时油口互通,故制动较O型平稳。4、对于单杆双作用油缸,由于活塞两边有效作用面积不等,因而用这种机能的滑阀不能完全保证活塞处于停止状态。
  y  k0 D, x+ V. X  q0 b5 G9 ?2 M, L* w( J
三、M型符号为
0 G+ K" a5 y3 Y# X6 E
; F: X3 F( [7 e' [8 C结构特点:在中位时,工作油口A、B关闭,进油口P、回油口T直接相连。机能特点:1、由于工作油口A、B封闭,工作机构可以保持静止。2、液压泵可以卸荷。3、不能用于带手摇装置的机构。4、从停止到启动比较平稳。5、制动时运动惯性引起液压冲击较大。6、可用于油泵卸荷而液压缸锁紧的液压回路中。 # O  [8 P& O( ]) ?0 o4 z

4 T% t7 G+ o  O! k四、Y型符号为 1 M/ Y" D. n% G# S$ W4 T

( I- f! S4 a1 R) p结构特点:在中位时,进油口P关闭,工作油口A、B与回油口T相通。机能特点:1、因为工作油口A、B与回油口T相通,工作机构处于浮动状态,可随外力的作用而运动,能用于带手摇的机构。2、从停止到启动有些冲击,从静止到启动时的冲击、制动性能0型与H型之间。3、油泵不能卸荷。 + `, d6 T% ^( y+ h2 _' l
2 q! A1 \1 V* a0 D, m+ b. [6 Y! ~8 a
五、P型符号为 4 N1 @7 f- @4 [" H. b7 h1 x8 O

% U* w7 m! g% V% q" |0 a结构特点:在中位时,回油口T关闭,进油口P与工作油口A、B相通。机能特点:1、对于直径相等的双杆双作用油缸,活塞两端所受的液压力彼此平衡,工作机构可以停止不动。也可以用于带手摇装置的机构。但是对于单杆或直径不等的双杆双作用油缸,工作机构不能处于静止状态而组成差动回路。2、从停止到启动比较平稳,制动时缸两腔均通压力油故制动平稳。3、油泵不能卸荷。4、换向位置变动比H型的小,应用广泛。 % }' s9 k8 c5 l" v

/ {+ x2 U1 Q3 `& w" N六、X型符号为
; a1 o# _* j; C! a5 N; k# F
' r2 c8 S  j2 s* N( m# K5 P" Y* ~9 Z. d结构特点:在中位时,A、B、P油口都与T回油口相通。机能特点:1、各油口与回油口T连通,
- ^) G3 Z2 F' G处于半开启状态,因节流口的存在,P油口还保持一定的压力。2、在滑阀移动到中位的瞬间使P、A、B与T油口半开启的接通,这样可以避免在换向过程中由于压力油口P突然封堵而引起的换向冲击。3油泵不能卸荷。4、换向性能介于0型和H型之间。 - g' C2 J& @' J7 I) D
七、U型符号为 ' v4 T0 o6 E- ?

: [5 C1 F6 c4 [2 q% N$ V结构特点:A、B工作油口接通,进油口P、回油口T封闭。机能特点:1、由于工作油口A、B连通,工作装置处于浮动状态,可在外力作用下运动,可用于带手摇装置的机构。2、从停止到启动比较平稳。3、制动时也比较平稳。4、油泵不能卸荷。
% o. D7 C8 o: M' e, u
3 k$ s1 t4 R# p) B) h( }3 C3 D八、K型符号为 # _1 o9 t+ C- [9 P' O8 X

: t, U9 s; r/ `9 p/ D. @结构特点:在中位时,进油口P与工作油口A与回油口T连通,而另一工作油口B封闭。机能特点:1、油泵可以卸荷。2、两个方向换向时性能不同。 & }, M3 f/ X% r5 n

" J. a2 G1 V6 P0 y* I7 t九、J型符号为 , d9 C: _2 i( s+ N& L+ F

/ e; f8 t6 n' h7 d8 B7 x# X" [结构特点:进油口P和工作油口A封闭,另一工作油口B与回油口T相连。机能特点:1、油泵不能卸荷。2、两个方向换向时性能不同。 + o$ |& _" b# A& a

1 r5 S: L' W( L6 p) {十、C型符号为
$ o# |: t' c" ^; B: |7 |% v/ {" ]
" ], q" a8 f/ B  d结构特点:进油口P与工作油口A连通,而另一工作油口B与回油口T连通。机能特点:油泵不能卸荷;从停止到启动比较平稳,制动时有较大冲击。 2 E) T0 q  Q9 [, u- m! G
- L  e9 y% r/ N  P0 u" I$ A
举例分析
0 k/ A" [- m7 w# f/ _! D; ?: G( P: ], u# j2 b* L3 v6 G) C5 u
1、利用滑阀的中位机能设计成卸荷回路,实现节能。当滑阀中位机能为H、K或M型的三位换向阀处于中位时,泵输出的油液直接回油箱,构成卸荷回路,可使泵在空载或者输出功率很小的工况下运动,从而实现节能,如图1所示。这种方法比较简单,但是不适用于一泵驱动两个或两个以上执行元件的系统。 ; p# z. Q* L+ s) ^7 m8 y: [1 F7 e
& S/ N/ y7 A% y5 C. A
2、利用滑阀的中位机能设计成制动回路或锁紧回路。为了使运动着的工作机构在任意需要的位置上停下来,并防止其停止后因外界影响而发生移动,可以采用制动回路。最简单的方法是利用换向阀进行制动例如滑阀机能为M型或O型的换向阀,在它恢复中位时,可切断它的进回油路,使执行元件迅速停止运动。如图2所示:装载机动臂液压缸采用M型中位机能的换向阀构成的制动油路,动臂在将铲斗举升到最高位置和下降至最低放平位置时能自行限位制动,图中的回位限位阀(即M型和H型四位四通换向阀)是靠钢球定位的,当铲斗移至限位点时碰触开关,二位电磁阀换向,接入压缩空气,将定位钢球压回槽内,回位限位阀便在弹簧作用下恢复中位,切断动臂油缸的进、回油油路,于是动臂连同铲斗一起被限位制动。 8 X  A2 B4 e2 ?5 h( n' d- e* D
/ O+ g7 R( j/ b* D, E& y$ j/ ?
3、利用H型、Y型换向实现浮动。例如液压起重机的回转机构在负载下回转时,如果制动过急,惯性力将产生很大的液压冲击,因此,常常采用滑阀机能为H型或Y型的换向阀,如图3所示,当换向阀回中位时,回转马达处于浮动状态,然后再用脚制动使它平稳的停止转动。图2所示的装载机动臂液压缸。当M型和H型四位四通换向阀处于H位,即浮动位置,这时可以下铲取物料或者平整场地,铲斗可随地面的高低而升降,即实现浮动;另外这种回路在遇到系统突然停止工作时,仍能顺利放下铲斗。在履带挖掘机行走马达的换向阀上采用Y型滑阀机能的换向阀,它可以使挖掘作业时行走马达处于浮动状态不承受制动载荷。
. }0 B  w- F. L# U$ [2 `
0 l4 J  \1 `# N5 a4、换向阀滑阀中位机能的选用对压路机开式振动液压系统的换向速度,对压路机的振动工作性能有着十分重要的影响。利用H型三位四通换向阀, % P- N# ?! a, E0 s, Q% N- E( A
当滑阀处于中位时,P、T、A、B四个油口相通而构成连通同路。由于激振器旋转惯性的作用,会使振动轮产生余振,从而造成被压实的铺层表面产生压痕,但这对于压路基的振动压路机来说,给基础层压实效果产生的影响不大,反而还减少了系统的液压冲击力。在图4中,单频双幅振动开式液压系统中。对于压路面的振动压路机,则要求在压实作业过程中需停振或或变幅时,激振器能在1.5-1.7s的时间内,迅速的停止旋转以避免瞬间的余振使压实表面出现压痕,而影响压实质量。常采用M型三位四通换向阀,当滑阀处于中位时,A、B两个工作油口截止,能产生很大的背压,促使马达克服激振器的惯性力矩而急速停止旋转,这样就避免了在路面压实时产生压痕,但是会在马达回路中造成很高的瞬时压力峰值,提高马达及其他有关元件损坏率。因此通常在换向阀的A、B油口设置两个溢流阀对系统进行保护。 ( f9 Y- M9 G' {/ M6 R  x
总之,在进行换向阀的选用时,一定要根据工作机构的工作特点选用适当的中位机能。
2008050908535200001.jpg
 楼主| 发表于 2009-11-30 19:45:49 | 显示全部楼层 来自: 中国浙江嘉兴
不错,而且是很不错
& E, Y3 i8 ^9 K; r* r, }又一步巩固下,很感谢技术团队!
 楼主| 发表于 2009-11-30 21:28:27 | 显示全部楼层 来自: 中国浙江嘉兴
原帖由 sealive_leafage 于 2009-11-30 08:24 发表 http://www.3dportal.cn/discuz/images/common/back.gif
6 w) p1 x  Y4 Z2 F& @1 V5 s换向阀是借助于滑阀和阀体之间的相对运动,使与阀体相连的各油路实现液压油流的接通、切断和换向。换向阀的中位机能是指换向阀里的滑阀处在中间位置或原始位置时阀中各油口的连通形式,体现了换向阀的控制机能。采用 ...
) M; s7 q" a& V# |% A

( Y( |  b+ b) K) {2 K7 K7 U. u" n, K: A8 w2 R. H# A$ B% ~
楼上的,有点疑问,你第六点叙述中关于“X”中位机能,你说泵不能卸荷,但下面列表中X型说泵属于基本卸荷型,请问到底属于什么?3 Y4 J* U. u5 S: v2 P* i5 |
应该是卸荷型对吧?
 楼主| 发表于 2009-11-30 21:32:19 | 显示全部楼层 来自: 中国浙江嘉兴
我花了点时间看玩了“技术团队”关于中位机能的描述,很不错!
* Q! t8 W5 t. W! S十分感谢,以后多向你学习!
发表于 2009-11-30 21:47:18 | 显示全部楼层 来自: 中国湖北孝感
过度技能是为了减小发换向时的液压冲击用的
 楼主| 发表于 2009-12-2 18:04:59 | 显示全部楼层 来自: 中国浙江嘉兴
原帖由 gjf126 于 2009-11-30 21:47 发表 http://www.3dportal.cn/discuz/images/common/back.gif$ i. }; H/ b/ m  y4 r2 K
过度技能是为了减小发换向时的液压冲击用的

5 A% R. K$ M1 y
/ ]' K0 M# [1 O/ B那么过渡机能又有哪些类型呢?4 D) D7 }, r, g6 H5 e, k
留上的能否说明一下!我们一般都注意中位机能,对于过渡机能很少涉及,楼上的能否说明一下* s  l0 N! W$ {4 Y- d* l+ L6 }1 n
谢谢!
发表于 2009-12-3 09:15:47 | 显示全部楼层 来自: 中国辽宁大连
6楼介绍的非常好,谢谢
发表于 2009-12-3 19:55:28 | 显示全部楼层 来自: 中国山东青岛
过度技能是为了减小发换向时的液压冲击用的
发表回复
您需要登录后才可以回帖 登录 | 注册

本版积分规则


Licensed Copyright © 2016-2020 http://www.3dportal.cn/ All Rights Reserved 京 ICP备13008828号

小黑屋|手机版|Archiver|三维网 ( 京ICP备2023026364号-1 )

快速回复 返回顶部 返回列表