QQ登录

只需一步,快速开始

登录 | 注册 | 找回密码

三维网

 找回密码
 注册

QQ登录

只需一步,快速开始

展开

通知     

全站
7天前
查看: 2346|回复: 21
收起左侧

[求助] 大家说说这个系统能保压吗?

[复制链接]
发表于 2009-12-2 16:20:14 | 显示全部楼层 |阅读模式 来自: 中国北京

马上注册,结识高手,享用更多资源,轻松玩转三维网社区。

您需要 登录 才可以下载或查看,没有帐号?注册

x
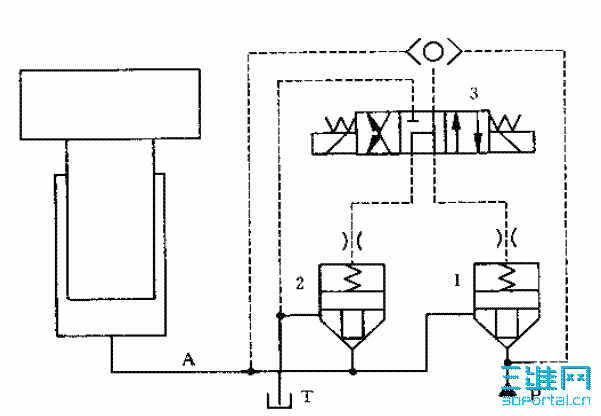
http://file:///C:/Documents%20and%20Settings/sen/%E6%A1%8C%E9%9D%A2/%E6%9C%AA%E5%91%BD%E5%90%8D.GIFhttp://file:///C:/Documents%20and%20Settings/sen/%E6%A1%8C%E9%9D%A2/%E6%9C%AA%E5%91%BD%E5%90%8D.GIF这个系统在中间位置停留时会不会从A腔向T腔内泄呢?能保压吗?
未命名.GIF
发表于 2009-12-2 16:33:55 | 显示全部楼层 来自: 中国北京
没有问题,能够保压。图中所画,T口和A口并没有接通。只有有黑点的交点处才连通。
 楼主| 发表于 2009-12-2 16:38:23 | 显示全部楼层 来自: 中国北京
不能吧,插装阀的2个腔A和B之间是滑动密封,当A点压力高时,油液会从插装阀的A腔(A点)经C腔(弹簧腔)向B(T)腔内泄。
发表于 2009-12-2 17:28:35 | 显示全部楼层 来自: 中国湖南株洲
可以。。。。。。。。
发表于 2009-12-2 18:36:25 | 显示全部楼层 来自: 中国浙江宁波
短时间保压可以,但油缸会因为阀芯的泄漏而缓慢下落,关键取决于二通插装阀的渗漏水平;
发表于 2009-12-2 18:44:11 | 显示全部楼层 来自: 中国四川成都
在各部密封理想的情况下可以保压。
发表于 2009-12-2 19:17:03 | 显示全部楼层 来自: 中国辽宁大连
我觉得应该可以
发表于 2009-12-2 22:11:27 | 显示全部楼层 来自: 中国山东济南
原帖由 yjsss 于 2009-12-2 16:38 发表 http://www.3dportal.cn/discuz/images/common/back.gif2 k4 B: h3 e. I+ R! C
不能吧,插装阀的2个腔A和B之间是滑动密封,当A点压力高时,油液会从插装阀的A腔(A点)经C腔(弹簧腔)向B(T)腔内泄。
$ Y& n& P. j% R& ]2 z+ E9 z

  C2 o2 {, I6 F4 Z: PA、B腔是线密封
) ~* o1 Y) w# {# T9 E4 ?: eB、C腔是滑动密封. W! T! B# R& E4 \

( m3 p( A- `, ]0 N2 U[ 本帖最后由 cn_young 于 2009-12-2 22:20 编辑 ]
 楼主| 发表于 2009-12-2 22:11:44 | 显示全部楼层 来自: 中国北京
“短时间保压可以,但油缸会因为阀芯的泄漏而缓慢下落,关键取决于二通插装阀的渗漏水平;”我同意,但是版主怎么说可以呀。
 楼主| 发表于 2009-12-2 22:15:28 | 显示全部楼层 来自: 中国北京
原帖由 cn_young 于 2009-12-2 22:11 发表 http://www.3dportal.cn/discuz/images/common/back.gif
/ E2 H7 l. q1 H3 h& f6 ]
6 m: R, c2 g/ d, K) s% \  z9 r$ T( V" X
A、B腔是线密封
+ d+ T) m. j4 J6 k7 V
是呀,但是C腔与B腔是滑动密封,而不是AB之间的线密封呀。
 楼主| 发表于 2009-12-3 20:35:02 | 显示全部楼层 来自: 中国北京
有高手吗?
发表于 2009-12-3 20:49:51 | 显示全部楼层 来自: 中国江苏镇江
没问题,可以保压
发表于 2009-12-3 21:01:18 | 显示全部楼层 来自: 中国山东济南
原帖由 sealive_leafage 于 2009-12-2 18:36 发表 http://www.3dportal.cn/discuz/images/common/back.gif
4 m7 y& u6 w3 r, R短时间保压可以,但油缸会因为阀芯的泄漏而缓慢下落,关键取决于二通插装阀的渗漏水平;

$ {1 ^* D$ T/ `8 i6 R* C
" X1 k4 }- s0 Y+ {先导滑阀是泄漏最多的地方
: V4 q$ a: w" O+ q4 T插件和阀套由于封油长度长好一些
 楼主| 发表于 2009-12-4 07:30:58 | 显示全部楼层 来自: 中国北京
原帖由 cn_young 于 2009-12-3 21:01 发表 http://www.3dportal.cn/discuz/images/common/back.gif
; B: C& v2 c) F* x9 H% n$ o% o6 w" T% Y% O

; w" o/ n8 x$ t先导滑阀是泄漏最多的地方1 o& d* M4 w/ t! `  b. w
插件和阀套由于封油长度长好一些
7 Z! C# M3 a/ X9 J( W

. [7 O3 w8 y& U, g  Y( W# R学习了,
发表于 2009-12-4 16:48:23 | 显示全部楼层 来自: 中国河南安阳
关键看你要保压多长时间,我所在单位就应用到你上面的结构,一般情况下,保压效果还是不错的.
发表于 2009-12-4 19:57:50 | 显示全部楼层 来自: 中国广东广州

没有问题,能够保压

:lol:
发表于 2009-12-4 21:49:30 | 显示全部楼层 来自: 中国北京
从原理上是可以保压的
发表于 2009-12-4 22:04:39 | 显示全部楼层 来自: 中国浙江湖州
这种结构原则上来讲是叫封闭.就算插件不打开泄漏,先导换向滑阀总存在泄漏,所以不能保压.如果要保压的话,插件2要用电磁球阀作先导.
发表于 2009-12-4 23:56:58 | 显示全部楼层 来自: 中国广东广州
这还要看阀1的油源的情况+ m2 C* E( X  f8 |5 A2 Z/ @
如果保压阀1的压力大于负载压,没问题
* N/ T+ y" h- g& O$ r3 `否则会非常缓慢的下降,但对插装阀,这种下降很慢啦,至少也是个DN16,流量很大的
发表于 2009-12-5 16:42:02 | 显示全部楼层 来自: 中国四川成都
只能短时间保压,首先先导阀3的滑阀是有内泄漏的,插装阀的B腔至C腔也是滑阀结构,保压时间是由你的滑阀内泄漏量来决定的
发表于 2009-12-5 18:49:54 | 显示全部楼层 来自: 中国河南新乡
不能保压。
; ]3 |" Q8 s- F0 y* o$ S2 V由于梭阀的作用使得A腔的油路与换向阀接通,由于换向阀的泄露,同时两个二通插装阀中也存在着滑动密封。
发表于 2009-12-5 22:11:35 | 显示全部楼层 来自: 中国山东济南
效果不好,要保压最好油缸出口就是锥型密封类的元件,滑阀很难
发表回复
您需要登录后才可以回帖 登录 | 注册

本版积分规则

Licensed Copyright © 2016-2020 http://www.3dportal.cn/ All Rights Reserved 京 ICP备13008828号

小黑屋|手机版|Archiver|三维网 ( 京ICP备2023026364号-1 )

快速回复 返回顶部 返回列表