QQ登录

只需一步,快速开始

登录 | 注册 | 找回密码

三维网

 找回密码
 注册

QQ登录

只需一步,快速开始

展开

通知     

查看: 1513|回复: 3
收起左侧

[求助] 多孔 钻 程序怎么编?

[复制链接]
发表于 2009-12-8 16:38:46 | 显示全部楼层 |阅读模式 来自: 中国浙江宁波

马上注册,结识高手,享用更多资源,轻松玩转三维网社区。

您需要 登录 才可以下载或查看,没有帐号?注册

x
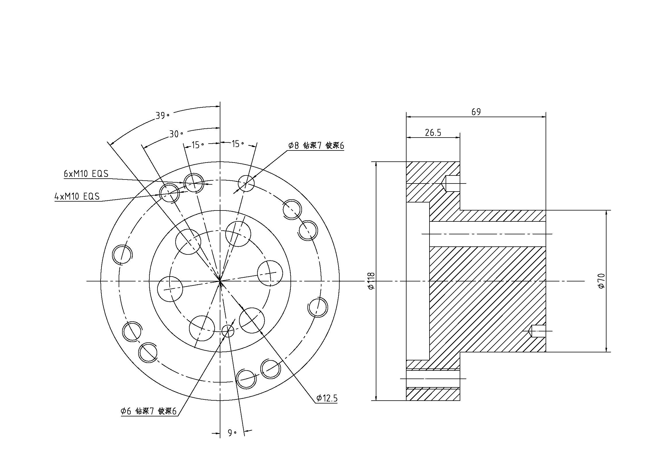
大家好啊,我有张多孔钻的图纸,
8 G  C9 g! p; T8 C' o不知到在MASTERCAM 里程序怎么编最好。
' v4 q" L4 n0 F1 ?* W; o# S
0 e" ~" j7 n6 S: E3 I求助大家。9 o8 O. V. Q2 b
谢![local]1[/local] 1.jpg
发表于 2009-12-8 18:12:59 | 显示全部楼层 来自: 中国上海
用极坐标编程是最好的。
发表于 2009-12-8 20:13:30 | 显示全部楼层 来自: 中国江苏苏州
图形画出来随便编编就好了,可以手工选取孔,控制先后
 楼主| 发表于 2009-12-9 10:19:08 | 显示全部楼层 来自: 中国浙江宁波
能否将此图的编程程序
* Z6 G3 j/ g1 w- [, q以教材的形式发上来。- t# K# ?# _  [( N
我跟着学一下。
发表回复
您需要登录后才可以回帖 登录 | 注册

本版积分规则


Licensed Copyright © 2016-2020 http://www.3dportal.cn/ All Rights Reserved 京 ICP备13008828号

小黑屋|手机版|Archiver|三维网 ( 京ICP备2023026364号-1 )

快速回复 返回顶部 返回列表