QQ登录

只需一步,快速开始

登录 | 注册 | 找回密码

三维网

 找回密码
 注册

QQ登录

只需一步,快速开始

展开

通知     

查看: 2304|回复: 20
收起左侧

[讨论] 对于机械设计而言,蜗杆有没有必要画出真实图形

[复制链接]
头像被屏蔽
发表于 2009-12-9 11:55:37 | 显示全部楼层 |阅读模式 来自: 中国江苏泰州
提示: 作者被禁止或删除 内容自动屏蔽
发表于 2009-12-9 12:08:43 | 显示全部楼层 来自: 中国福建福州
如果没有画出真实的图形,那要画什么程度呢?
发表于 2009-12-9 12:15:23 | 显示全部楼层 来自: 中国
要根据你自己情况,如果是标准件采购,主要技术指标清晰能保证采购到合格的零件就可以,如果是要自己加工,或外协加工,要确保工程图上尺寸,公差等技术指标的准确与完整!如果是设计阶段的构思,有个草图就行,但考虑到设计完成后的采购,加工,宣传演示,还是一开始就花点功夫吧
: k) Z) Q; \5 Y& y, ]7 c. N+ L# }3 U. k/ ?7 \8 g, w* u
[ 本帖最后由 YN_URUS 于 2009-12-9 12:18 编辑 ]
发表于 2009-12-9 12:20:11 | 显示全部楼层 来自: 中国辽宁沈阳
视情况和设计时间来定,肯定还是真实的好
发表于 2009-12-9 12:26:33 | 显示全部楼层 来自: 中国河南安阳
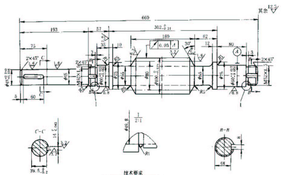
这是机械设计手册上蜗杆的零件图,显然没必要画出真实的齿形。
蜗杆.jpg
发表于 2009-12-9 12:33:43 | 显示全部楼层 来自: 中国江苏泰州

对于机械设计而言,蜗杆有没有必要画出真实图形

蜗杆(包括齿轮等等)有没有必要画出真实图形?
) W1 p; h" c0 W2 d! o" k) f/ J大家是否来个讨论!!( `+ N3 _& V) L
哈哈!
发表于 2009-12-9 13:52:47 | 显示全部楼层 来自: 中国江苏泰州
原帖由 datafield 于 2009-12-9 12:08 发表 http://www.3dportal.cn/discuz/images/common/back.gif
/ q) y/ I" Q! k2 [) m, y如果没有画出真实的图形,那要画什么程度呢?

3 M: w3 U2 `- E
+ ~  f- _* L4 T9 [: n0 e4 M您知道装饰螺纹线的作用吗?
发表于 2009-12-9 14:47:24 | 显示全部楼层 来自: 中国浙江杭州
蜗杆(包括齿轮等等)有没有必要画出真实图形?: o. d6 A+ J$ |3 B' P1 f! r8 i$ U
大家是否来个讨论!!
1 j4 c2 u) t) g& C就是有没有必要画出齿轮轮廓吧!!!!被弄错题让人误会!!!
发表于 2009-12-9 15:01:51 | 显示全部楼层 来自: 中国河北秦皇岛
画出轮廓线就可以
发表于 2009-12-9 15:11:11 | 显示全部楼层 来自: 中国浙江温州
如果不用画出来,做力的分析应如何做?
发表于 2009-12-9 15:57:08 | 显示全部楼层 来自: 中国重庆
2D图没必要吧
发表于 2009-12-9 20:03:36 | 显示全部楼层 来自: 中国广东惠州
我认为没有必要画出真实形状,加工单位生产零件只看图纸上的参数。当然,你如果做什么分析什么等等之类的,另当别论。
发表于 2009-12-9 20:23:04 | 显示全部楼层 来自: 中国广东珠海
CAD不必,CAE、CAM就必须有了, 那样的形状普通的加工方式肯定不行,因此终究是需要的,尤其是要求传动精密的场合,就是必须的了。
发表于 2009-12-9 20:29:55 | 显示全部楼层 来自: 中国江苏苏州
看自己是做哪个行当了,只是要设计用的,简单能表达久足够了,演示的话,还是像真实一点好
发表于 2009-12-9 20:32:26 | 显示全部楼层 来自: 中国河南洛阳
个人感觉如果不是用于数控加工或应力分析,蜗杆不必画出详细外形,示意性画法就行了,要不然国家制图标准中怎么会有简化画法呢!
发表于 2009-12-9 20:37:49 | 显示全部楼层 来自: 中国安徽蚌埠
原帖由 ZHYJ96 于 2009-12-9 13:52 发表 http://www.3dportal.cn/discuz/images/common/back.gif
- @) w- Z; e. M  Q! x5 \8 ?
" R6 |. w! b% b( o3 H  A
# ~! n! L& W3 J  O; ?# S您知道装饰螺纹线的作用吗?

5 d1 W7 `5 g* T6 T那你知道三位软件的作用与用途吗??????
发表于 2009-12-9 20:39:45 | 显示全部楼层 来自: 中国安徽蚌埠
如果这也不用画那也不用画,还画图做什么用啊,大家就说说算了,不要在画图了吗?
发表于 2009-12-10 05:03:23 | 显示全部楼层 来自: 中国黑龙江齐齐哈尔
数控加工和应力分析要用真实图吧。 用到高精的地方只是简图就不行的。
发表于 2009-12-10 05:11:15 | 显示全部楼层 来自: 中国黑龙江齐齐哈尔
用简图实际是有一个前提,就是用你图的人知道并默许了你的简图。 数控和电脑和你不存在这个默许。* ~" O% @  O0 a) Q

; N5 h- l' f5 K2 m7 H+ l  T[ 本帖最后由 流浪的鱼 于 2009-12-10 05:12 编辑 ]
发表于 2009-12-10 07:58:23 | 显示全部楼层 来自: 中国福建福州
先前国标所以定出一些简易画法,是考虑到减轻人工画图的劳动强度。现在用电脑做图,应该是追求尽可能的完美表达。
发表于 2009-12-10 08:56:00 | 显示全部楼层 来自: 中国安徽马鞍山
我认为在一般的图纸里不需要画出真实的形状,除非做三维实体装配、数控加工时才画出来。
发表回复
您需要登录后才可以回帖 登录 | 注册

本版积分规则


Licensed Copyright © 2016-2020 http://www.3dportal.cn/ All Rights Reserved 京 ICP备13008828号

小黑屋|手机版|Archiver|三维网 ( 京ICP备2023026364号-1 )

快速回复 返回顶部 返回列表