QQ登录

只需一步,快速开始

登录 | 注册 | 找回密码

三维网

 找回密码
 注册

QQ登录

只需一步,快速开始

展开

通知     

全站
9天前
查看: 1300|回复: 2
收起左侧

[求助] 各位兄弟朋友,求普通车床的机构图!

[复制链接]
发表于 2009-12-9 14:56:25 | 显示全部楼层 |阅读模式 来自: 中国重庆

马上注册,结识高手,享用更多资源,轻松玩转三维网社区。

您需要 登录 才可以下载或查看,没有帐号?注册

x
求普通车床的机构图(不是结构图)!如CA6140车床,发我邮箱。307136205@qq.com。。。谢谢。很急,麻烦了
发表于 2010-2-4 21:36:24 | 显示全部楼层 来自: 中国河南洛阳
LZ现在有没有了?有的话发我邮箱16300021@qq.com5 q7 q2 ^, z: `3 I7 Y/ o$ u/ {
或者和我联系。或许可以合作
发表于 2010-2-5 10:10:44 | 显示全部楼层 来自: 中国山西太原
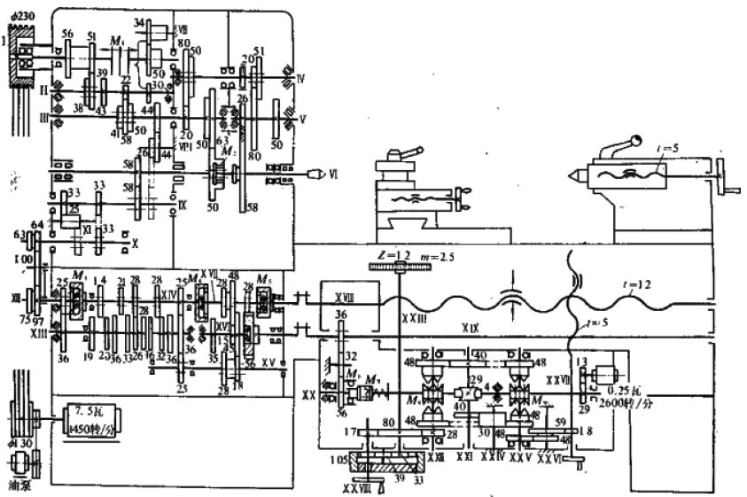
普通车床机构图如下:
普通车床的机构图.jpg

评分

参与人数 1三维币 +2 收起 理由
虎强 + 2 应助

查看全部评分

发表回复
您需要登录后才可以回帖 登录 | 注册

本版积分规则


Licensed Copyright © 2016-2020 http://www.3dportal.cn/ All Rights Reserved 京 ICP备13008828号

小黑屋|手机版|Archiver|三维网 ( 京ICP备2023026364号-1 )

快速回复 返回顶部 返回列表