QQ登录

只需一步,快速开始

登录 | 注册 | 找回密码

三维网

 找回密码
 注册

QQ登录

只需一步,快速开始

展开

通知     

查看: 2564|回复: 18
收起左侧

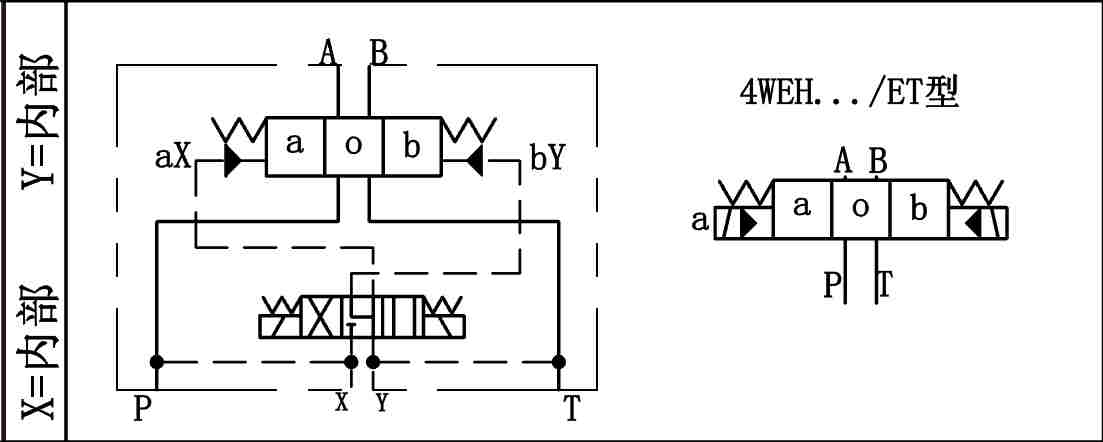
[求助] 4WEH25的G型阀(中位卸荷)为主系统控制阀 一定要用外控油么

[复制链接]
发表于 2009-12-21 14:02:55 | 显示全部楼层 |阅读模式 来自: 中国北京

马上注册,结识高手,享用更多资源,轻松玩转三维网社区。

您需要 登录 才可以下载或查看,没有帐号?注册

x
4WEH25的G型阀(中位卸荷)为主系统控制阀 一定要用外控油么 * x+ J6 q! V; B/ r) A
由于控制油液为内控,而在中位时(G型 中位卸荷)又无任何压力,其控制油无法提供负责换向时的控制压力
2 u( S: k7 v% g# u5 U9 g* H" E这样理解对吗?
Snap1.jpg
发表于 2009-12-21 14:26:43 | 显示全部楼层 来自: 中国山东
理解正确,也可以在P口放置一个插件,
Adobe Acrobat Professional - [华德阀.jpg

评分

参与人数 1三维币 +6 收起 理由
9619 + 6 有效应助

查看全部评分

发表于 2009-12-21 14:36:25 | 显示全部楼层 来自: 中国江苏扬州
对于该阀,只要控制压力大小满足要求,并不是一定要外控方式
 楼主| 发表于 2009-12-21 17:31:37 | 显示全部楼层 来自: 中国北京
怎么看出预控压力阀是否安装啊 有单独购买这一说吗? 有相关资料么 多谢指导
 楼主| 发表于 2009-12-22 08:25:53 | 显示全部楼层 来自: 中国北京
二楼的朋友 那个插件也是自己弄得吗 是一个阻尼孔吧
发表于 2009-12-22 08:47:03 | 显示全部楼层 来自: 中国山西晋中
力士乐系列阀厂家可以配套在阀内安装插件,仔细翻一下样本应该有介绍的。
 楼主| 发表于 2009-12-22 09:39:00 | 显示全部楼层 来自: 中国北京
问题解决啦 多谢各位啦
发表于 2009-12-22 17:34:29 | 显示全部楼层 来自: 中国山东
5.JPG
发表于 2009-12-22 19:50:53 | 显示全部楼层 来自: 中国江苏南京

回复 7# zuozuo520 的帖子

问题是增么解决的 分享一下
 楼主| 发表于 2009-12-23 09:31:48 | 显示全部楼层 来自: 中国北京
采购没有买P4.5的 后来去华德那单买了一个 预控压力阀 我晕 100元 还没装上呢 装上即可啦 还不会装呢 好像在阀上一装即可 试一试去
发表于 2009-12-23 20:27:04 | 显示全部楼层 来自: 中国上海
用外控和内控我觉得没有关系,我上次仔细研究了一下这个阀,好像内控就是需要在P到控制油路之间加一个阻尼就可以了。
 楼主| 发表于 2009-12-24 11:23:50 | 显示全部楼层 来自: 中国北京
对就是要个压差啊 不然没有控制油无法使液动阀动啊
发表于 2009-12-26 21:38:14 | 显示全部楼层 来自: 中国河北唐山
没有压差,无法驱动阀芯工作。
发表于 2009-12-26 22:11:58 | 显示全部楼层 来自: 中国江苏无锡
加个单向阀吧
发表于 2009-12-26 22:26:46 | 显示全部楼层 来自: 中国湖南长沙

回复

搞个单向阀反装就可以了 就是建立背压
发表于 2009-12-27 10:03:25 | 显示全部楼层 来自: 中国河北唐山
原帖由 xiaochong2000 于 2009-12-23 20:27 发表 http://www.3dportal.cn/discuz/images/common/back.gif
7 s6 s$ T! L, b5 e* i用外控和内控我觉得没有关系,我上次仔细研究了一下这个阀,好像内控就是需要在P到控制油路之间加一个阻尼就可以了。

% y2 }, L' q' ~) s; \我也有同样的经历,买比例换向阀时本应是外控结果买成内控了,按照样本上说明将主油路与控制油路之间的一个小螺栓拧下来就可以了。
 楼主| 发表于 2009-12-28 15:51:31 | 显示全部楼层 来自: 中国北京

回复 16# tudou198423 的帖子

我这个不是内控和外控的选择啦 是已经订了内控阀但是是中位卸荷的G型阀啊 需要一个推动阀芯的压差力而已 东西还没装呢 8 D* @, V/ h7 l- G4 v( x  {- H
我说应该加 但是问题是现场以前都没加 居然一直用着 A11VO260的大泵 25通径的G型阀 难道不用么?
发表于 2009-12-29 21:20:25 | 显示全部楼层 来自: 中国江苏扬州
回油管加个单向阀不就行了
发表于 2009-12-30 12:27:49 | 显示全部楼层 来自: 中国江苏南京

回复 17# zuozuo520 的帖子

个人感觉好像不加也行,看结构也就是一个阻尼,如果P口一直有压力的话,难道还推不动阀芯
发表回复
您需要登录后才可以回帖 登录 | 注册

本版积分规则


Licensed Copyright © 2016-2020 http://www.3dportal.cn/ All Rights Reserved 京 ICP备13008828号

小黑屋|手机版|Archiver|三维网 ( 京ICP备2023026364号-1 )

快速回复 返回顶部 返回列表