QQ登录

只需一步,快速开始

登录 | 注册 | 找回密码

三维网

 找回密码
 注册

QQ登录

只需一步,快速开始

展开

通知     

查看: 3567|回复: 13
收起左侧

[分享] 回转支承图纸

 关闭 [复制链接]
发表于 2009-12-28 09:44:14 | 显示全部楼层 |阅读模式 来自: 中国四川成都

马上注册,结识高手,享用更多资源,轻松玩转三维网社区。

您需要 登录 才可以下载或查看,没有帐号?注册

x
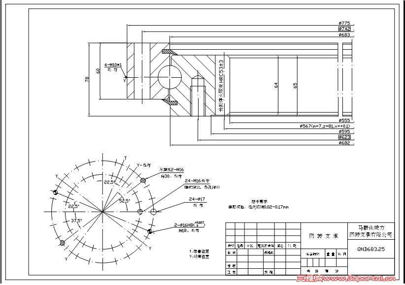
回转支承图纸5 `- ^" c/ P9 ^5 v# g" X
QND683[1].25.rar (71.63 KB, 下载次数: 84)
发表于 2009-12-28 10:19:06 | 显示全部楼层 来自: 中国山东济南
下了看看
发表于 2009-12-28 12:54:19 | 显示全部楼层 来自: 中国江苏无锡
楼主也不贴个图,什么格式的图啊
发表于 2009-12-30 17:03:31 | 显示全部楼层 来自: 中国北京
是回转外齿圈呀,说清楚,免得大家乱下。
发表于 2010-9-19 09:29:40 | 显示全部楼层 来自: 中国江苏泰州
66-1999标准系列上查不到这规格
发表于 2010-9-19 11:25:22 | 显示全部楼层 来自: 中国辽宁本溪
只是一张图纸
555555555.JPG
发表于 2010-9-23 23:56:03 | 显示全部楼层 来自: 中国上海
比较小型的内啮合回转支承(型号:013.25.683),仅为安装示意图,无承载曲线图。
发表于 2010-9-28 13:13:36 | 显示全部楼层 来自: 中国江苏泰州
希望有拆开的零件图,对各尺寸的公差控制要求,特别是滚道。
发表于 2010-12-14 13:52:14 | 显示全部楼层 来自: 中国上海
靠,差点上当了
发表于 2011-2-8 21:44:53 | 显示全部楼层 来自: 中国台湾
SLEWING BEARING is nice product I hope this helpful Thanks & Best Regards
发表于 2011-3-29 12:21:58 | 显示全部楼层 来自: 中国浙江杭州
下下来看看,
发表于 2011-8-23 19:07:04 | 显示全部楼层 来自: 中国湖北武汉
谢谢分享啊
发表于 2011-8-23 19:10:22 | 显示全部楼层 来自: 中国湖北武汉
流量是怎么获得啊?
发表于 2011-8-23 19:18:34 | 显示全部楼层 来自: 中国湖北武汉
没什么用,是PDF格式的。
发表回复
您需要登录后才可以回帖 登录 | 注册

本版积分规则


Licensed Copyright © 2016-2020 http://www.3dportal.cn/ All Rights Reserved 京 ICP备13008828号

小黑屋|手机版|Archiver|三维网 ( 京ICP备2023026364号-1 )

快速回复 返回顶部 返回列表