QQ登录

只需一步,快速开始

登录 | 注册 | 找回密码

三维网

 找回密码
 注册

QQ登录

只需一步,快速开始

展开

通知     

全站
1天前
查看: 2221|回复: 6
收起左侧

[已解决] SCM435

 关闭 [复制链接]
发表于 2009-12-29 13:26:09 | 显示全部楼层 |阅读模式 来自: 中国北京

马上注册,结识高手,享用更多资源,轻松玩转三维网社区。

您需要 登录 才可以下载或查看,没有帐号?注册

x
哪位对此材料比较熟悉?能不能说说其性能用途。
发表于 2009-12-29 13:54:33 | 显示全部楼层 来自: 中国北京
我在百度了一下。具体如下,希望对你有帮助:
7 g, N8 b% r1 O; `; Z合金结构钢:SCM4350 b! o: p6 a! S$ B+ ?
  执行标准: JIS G4053-2003% p, I8 Q. m. T  Y4 H
  ●特性及适用范围:
0 N! i" Q+ h: \2 ?- L) |  有很高的静力强度、冲击韧性及较高的疲劳极限,淬透性较40Cr高,高温下有高的蠕变强度与持久强度,长期工作温度可达 500℃;冷变形时塑性中等,焊接性差。用作在高负荷下工作的重要结构件,如车辆和发动机的传动件;汽轮发电机的转子、主轴、重载荷的传动轴,大断面零件6 B  X# p1 q7 |4 F; A
  ●化学成份:
2 ?1 V6 b% ^8 `/ e& u  碳 C :0.33~0.384 P* V2 Z5 x, B/ I& c- n% H
  硅 Si:0.15~0.35" O  e1 T& X. i  o1 P3 \6 L
  锰 Mn:0.60~0.90
9 w; G9 U* p8 T5 V4 z% k. q8 w- K  硫 S :允许残余含量≤0.030
- I% f) B' d5 K  磷 P :允许残余含量≤0.0306 s. _% o/ }9 s
  铬 Cr:0.90~1.20, o0 l+ I' |  G- s
  镍 Ni:允许残余含量≤0.256 U% Z* U3 z9 {
  铜 Cu:允许残余含量≤0.0301 X: q) U' k+ T% e: [, H
  钼 Mo:0.15~0.30% }1 `& S0 l( @9 D4 E& w
  ●力学性能:% Y5 {5 ^5 R  N5 _5 J( Y
  抗拉强度 σb (MPa):≥985(100)' c1 V8 C2 k9 g  j, r) B
  屈服强度 σs (MPa):≥835(85)/ a; p2 l4 Q0 R, G
  伸长率 δ5 (%):≥12
- Y6 y9 ]+ Z8 h; B2 z  断面收缩率 ψ (%):≥45
( J$ _$ B: _, o9 d4 Y6 ]: d1 s3 U  冲击功 Akv (J):≥63
. d' @2 l' }  I$ b  冲击韧性值 αkv (J/cm2):≥78(8): s+ ^* K; \  O7 j  K6 g
  硬度 :≤229HB. L7 J" X  M+ d: n6 X" |+ ]
  试样尺寸:试样毛坯尺寸为25mm- T( ~3 z1 ?- L# ~" Q
  ●热处理规范及金相组织:
( w9 D" F, q! k* B9 c  热处理规范:淬火850℃,油冷;回火550℃,水冷、油冷。
) e) W3 r" K. E+ c/ o* _  ●交货状态:以热处理(正火、退火或高温回火)或不热处理状态交货,交货状态应在合同中注明。[

评分

参与人数 1三维币 +3 收起 理由
ajhtiger + 3 应助

查看全部评分

发表于 2009-12-29 14:01:36 | 显示全部楼层 来自: 中国四川德阳
相应的国内材料就是35CrMoA,可以参考下35CrMoA的性能。

评分

参与人数 1三维币 +2 收起 理由
ajhtiger + 2 应助

查看全部评分

发表于 2009-12-29 23:27:45 | 显示全部楼层 来自: 中国湖北十堰
SCM435日本钢铁牌号,是一种铬钼合金钢,符合日本标准JIS G4053-2003,国内相对应得钢材为35CrMo。
发表于 2009-12-30 09:08:58 | 显示全部楼层 来自: 中国台湾

回复 2# VICTORLUO888 的帖子

台湾这边比较常用
7 f. D! w+ K; f+ V8 y通常用来做ISO 898-1 12.9级规格或ANSI/ASME B18.3的产品
发表于 2010-2-10 09:35:12 | 显示全部楼层 来自: 中国四川德阳
SCM435是日本牌号,对应国内材料是35CrMoA
发表于 2010-2-10 22:20:22 | 显示全部楼层 来自: 中国江苏南京
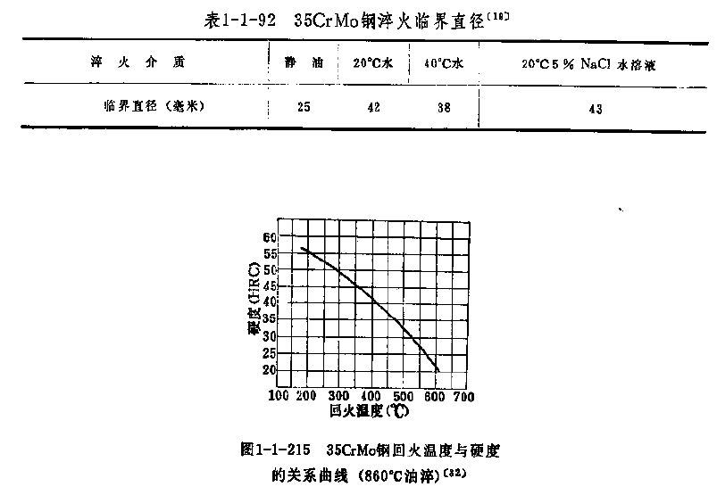
给几张35CrMo的截图供参考。5 h# J- E  g3 g! s' Z9 G1 P* f
截图05.jpg 截图06.jpg
发表回复
您需要登录后才可以回帖 登录 | 注册

本版积分规则

Licensed Copyright © 2016-2020 http://www.3dportal.cn/ All Rights Reserved 京 ICP备13008828号

小黑屋|手机版|Archiver|三维网 ( 京ICP备2023026364号-1 )

快速回复 返回顶部 返回列表