QQ登录

只需一步,快速开始

登录 | 注册 | 找回密码

三维网

 找回密码
 注册

QQ登录

只需一步,快速开始

展开

通知     

全站
3天前
查看: 4871|回复: 10
收起左侧

[已解决] 皮带轮的计算直径怎样求?

 关闭 [复制链接]
发表于 2009-12-30 16:33:15 | 显示全部楼层 |阅读模式 来自: 中国河南焦作

马上注册,结识高手,享用更多资源,轻松玩转三维网社区。

您需要 登录 才可以下载或查看,没有帐号?注册

x
已知传动比,电动机功率,皮带轮的计算直径怎样求?如果是查表该查哪?
发表于 2009-12-31 10:57:00 | 显示全部楼层 来自: 中国山西太原
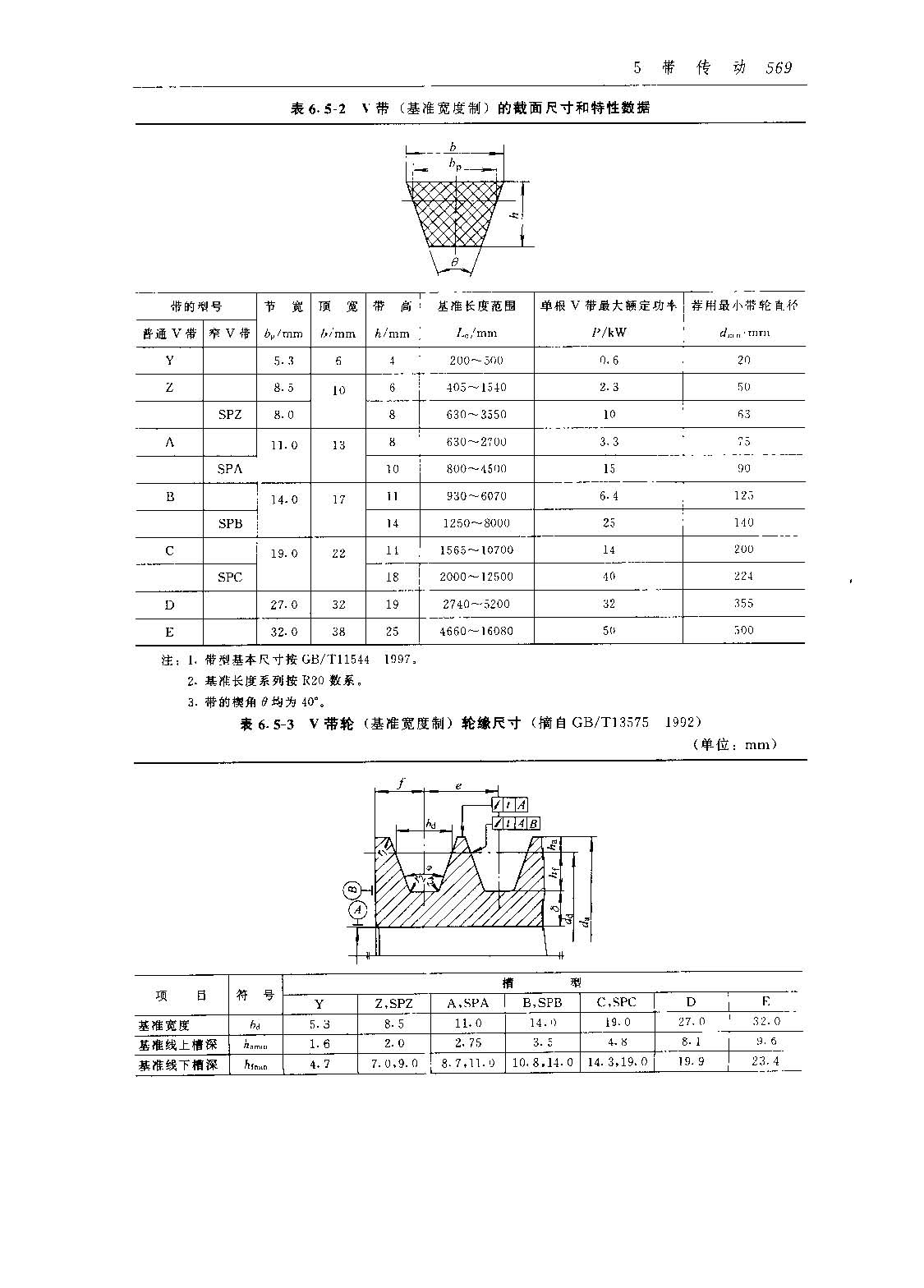
1  根据电机功率及主动轮线速度查表确定带的型号及使用条数,查化工版机械设计手册第3卷带传动篇。
; V9 @4 E$ ]: E9 ]( o2  根据带型号确定小带轮计算直径。# E& J" q( b4 x3 p2 [
3  根据传动比确定大带轮计算直径。

评分

参与人数 1三维币 +3 收起 理由
华氏911 + 3 应助

查看全部评分

发表于 2009-12-31 13:12:19 | 显示全部楼层 来自: 中国辽宁沈阳
此类常用机械零件的设计计算,在各种机械设计手册和机械零件设计手册上都有,查一下很方便,也很简单。并且,要比你在论坛上求助快捷的多。
* A( ~; B5 a. X6 F  n# b2 ]所以,借此多说一句。大家在设计上,有了问题,尤其是普通常用零件的设计计算类问题,首要的方法是自己到机械设计手册上去寻找答案。手册使用不熟的,更应勤加应用,用多了,自然就熟了。手册使用中,有疑问的,首先,要问身边的技术人员。在周边无法解决的问题,再到论坛求助。
+ D0 d8 {% X  z" M: i9 ~: S: b这样,既方便、快捷,有利于解决实际问题,又有利于自己的学习和锻炼,以及技术能力的提高。

评分

参与人数 1三维币 +3 收起 理由
华氏911 + 3 技术指导

查看全部评分

发表于 2009-12-31 20:36:17 | 显示全部楼层 来自: 中国河北保定
推荐用那个化工版的机械设计手册软件版2008版,里面有个小软件,可帮助你一步步的选型,设计,很方便,当然,还是要一定的基础的。
发表于 2009-12-31 21:01:53 | 显示全部楼层 来自: 中国重庆
找一本机械零件设计书看一下就可以了
发表于 2009-12-31 21:56:16 | 显示全部楼层 来自: 中国安徽马鞍山
看杨可帧编的《机械设计基础》书里面讲得很详细,简单实用。
发表于 2010-1-1 16:34:09 | 显示全部楼层 来自: 中国河北保定
还是3楼说的在理。
发表于 2010-1-1 21:16:44 | 显示全部楼层 来自: 中国山东泰安
001_页面_1.jpg 001_页面_2.jpg 你可以参考以上的公式进行计算
001_页面_3.jpg

评分

参与人数 1三维币 +3 收起 理由
华氏911 + 3 贴图

查看全部评分

发表于 2010-1-2 10:51:09 | 显示全部楼层 来自: 中国辽宁锦州
机械书籍上都有。
发表于 2010-1-2 14:14:13 | 显示全部楼层 来自: 中国广东广州
机械设计手册必备,没有请下载查阅!!
发表于 2010-1-9 13:57:06 | 显示全部楼层 来自: 中国山东烟台
呵呵,收啦~~~
发表回复
您需要登录后才可以回帖 登录 | 注册

本版积分规则

Licensed Copyright © 2016-2020 http://www.3dportal.cn/ All Rights Reserved 京 ICP备13008828号

小黑屋|手机版|Archiver|三维网 ( 京ICP备2023026364号-1 )

快速回复 返回顶部 返回列表