QQ登录

只需一步,快速开始

登录 | 注册 | 找回密码

三维网

 找回密码
 注册

QQ登录

只需一步,快速开始

展开

通知     

全站
3天前
查看: 1529|回复: 1
收起左侧

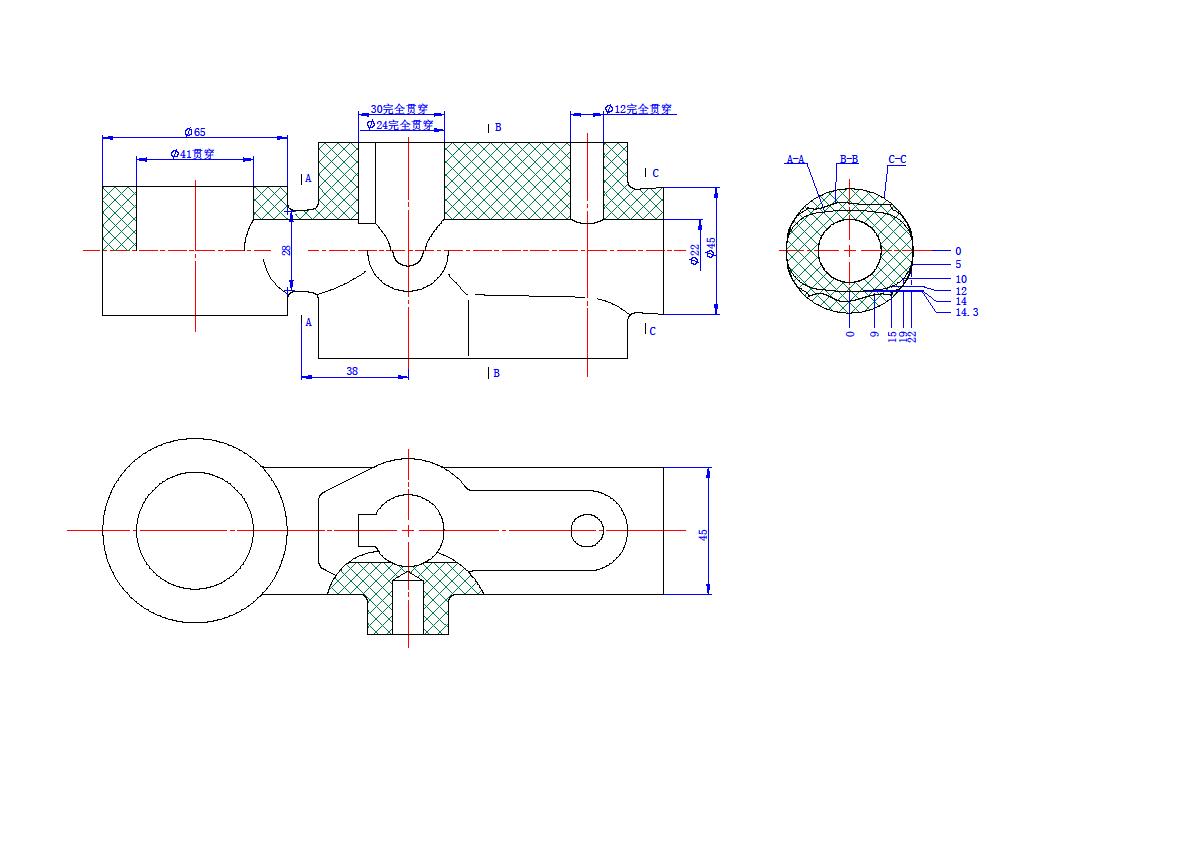
[求助] 圆角过渡线的表达正确吗

[复制链接]
发表于 2010-1-7 17:15:58 | 显示全部楼层 |阅读模式 来自: 中国浙江金华

马上注册,结识高手,享用更多资源,轻松玩转三维网社区。

您需要 登录 才可以下载或查看,没有帐号?注册

x
本帖最后由 yxb861210 于 2010-1-8 12:51 编辑
( C! K0 |' ?9 d2 W- J! y% x. U' g' B# i) W7 h
1.JPG
- p5 L" s# y/ s 未命名.JPG

Idler Arm.PDF

42.62 KB, 下载次数: 5

123.rar

76.13 KB, 下载次数: 4

发表于 2010-3-19 09:56:43 | 显示全部楼层 来自: 中国江苏镇江
楼主能提供模型文件参考下吗,觉得楼主做得不错
发表回复
您需要登录后才可以回帖 登录 | 注册

本版积分规则


Licensed Copyright © 2016-2020 http://www.3dportal.cn/ All Rights Reserved 京 ICP备13008828号

小黑屋|手机版|Archiver|三维网 ( 京ICP备2023026364号-1 )

快速回复 返回顶部 返回列表