QQ登录

只需一步,快速开始

登录 | 注册 | 找回密码

三维网

 找回密码
 注册

QQ登录

只需一步,快速开始

展开

通知     

查看: 1406|回复: 5
收起左侧

[求助] 五缸同步系统(不同缸径)

[复制链接]
发表于 2010-1-8 17:19:53 | 显示全部楼层 |阅读模式 来自: 中国河北石家庄

马上注册,结识高手,享用更多资源,轻松玩转三维网社区。

您需要 登录 才可以下载或查看,没有帐号?注册

x
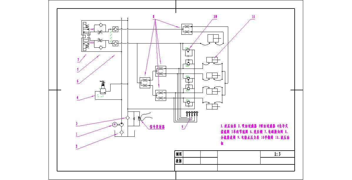
zzzz.JPG 1个125/63*200    4个63/32*200液压缸  负载14吨,大缸位于中间,小缸四角对称分布8 r$ h& v+ p* L1 t
系统流量70L/MIN  组合式调节分流集流阀4个分流比例1:1
zzzz.JPG
发表于 2010-1-8 22:35:11 | 显示全部楼层 来自: 中国湖南长沙
设计想法挺好的 不过效果应该不好吧 最好是4小缸带动大缸来动作 到位置后加压要好些吧 不知道什么设备用的 具体不清楚 还有 楼主的问题也没有说出来哪里有问题
 楼主| 发表于 2010-1-11 08:57:19 | 显示全部楼层 来自: 中国河北石家庄
4个小缸带动大缸的话,会不会系统压力要求太高呀
发表于 2010-1-16 00:04:48 | 显示全部楼层 来自: 中国北京
想办法机械同步吧   不知道你用到啥子上,同步要求高的话 麻烦大了
: g5 `) {4 z, o4 }6 p5 b5 q不然你就 把你的系统压力调高 尽量的高 让单缸至少搞定你负载的1/2
发表于 2010-1-17 16:33:46 | 显示全部楼层 来自: 中国广东中山
用四个小做牵引油缸,在缸加一个充液阀以保证速度,当到位时用在缸来增压。
发表于 2010-1-17 16:41:47 | 显示全部楼层 来自: 中国江苏泰州
图太胡了,看不清
发表回复
您需要登录后才可以回帖 登录 | 注册

本版积分规则


Licensed Copyright © 2016-2020 http://www.3dportal.cn/ All Rights Reserved 京 ICP备13008828号

小黑屋|手机版|Archiver|三维网 ( 京ICP备2023026364号-1 )

快速回复 返回顶部 返回列表