QQ登录

只需一步,快速开始

登录 | 注册 | 找回密码

三维网

 找回密码
 注册

QQ登录

只需一步,快速开始

展开

通知     

全站
7天前
查看: 1659|回复: 1
收起左侧

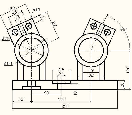
[机械] 发练习图啦---对称图形及倾斜方向图形

[复制链接]
发表于 2010-1-15 09:41:37 | 显示全部楼层 |阅读模式 来自: 中国山东青岛

马上注册,结识高手,享用更多资源,轻松玩转三维网社区。

您需要 登录 才可以下载或查看,没有帐号?注册

x
例题4-1.jpg / J$ {' `1 w( p( z) Q' \& S
. Y% ?" C2 b6 c4 h# |4 a5 g
dwg格式的图图哦:
+ X# k. o6 n5 C2 _$ A/ P1 f6 d1 M 第4章图.rar (20.79 KB, 下载次数: 15)
发表于 2010-1-17 16:21:30 | 显示全部楼层 来自: 中国河北石家庄
这些题太简单了,练个熟手。
发表回复
您需要登录后才可以回帖 登录 | 注册

本版积分规则


Licensed Copyright © 2016-2020 http://www.3dportal.cn/ All Rights Reserved 京 ICP备13008828号

小黑屋|手机版|Archiver|三维网 ( 京ICP备2023026364号-1 )

快速回复 返回顶部 返回列表