QQ登录

只需一步,快速开始

登录 | 注册 | 找回密码

三维网

 找回密码
 注册

QQ登录

只需一步,快速开始

展开

通知     

全站
2天前
查看: 2187|回复: 5
收起左侧

[讨论] 请关注:两种加热炉正火的金相组织比较,哪种效果更好?

[复制链接]
发表于 2010-1-15 11:17:32 | 显示全部楼层 |阅读模式 来自: 中国福建泉州

马上注册,结识高手,享用更多资源,轻松玩转三维网社区。

您需要 登录 才可以下载或查看,没有帐号?注册

x
本帖最后由 jiangxiaojun 于 2010-1-15 11:18 编辑 * ]" ]& a  [, R: d0 T

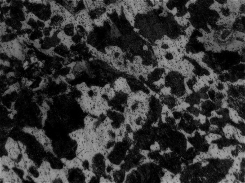
+ T) J& B$ W5 a! O$ J* h' }我公司用电炉和煤气发生炉做铸件的正火处理,材质相同,取样金相试验,金相图如下:( U. q& c! |' Y8 @4 t2 i: Q
请大家讨论哪种效果会比较好,有何建议和意见,请专家发表意见?( R+ f* N" F6 U# u" g5 k& e7 p
[fly]1,煤气发生炉正火金相图片:[/fly]7 I$ z, z! u0 j! X: d/ y1 W
100X金相) p& i/ p- }$ w7 ]
meilu-zhenghuo-100x-2.jpg " r' r# ]* z) E! J5 s
400金相:
+ B; r# j& Z& {) d meilu-zhenghuo-400x.jpg 7 _  G! C4 n9 ]: z" s8 K
! y& X& r; ^( \  n) L7 k. j$ [* V
[fly]2,电炉正火金相[/fly]
, T8 m( L% W8 ?2 z3 f0 l% f100X金相:  x/ K( o1 m. ?. \" `, r) t' M- E0 u
2270-100x.jpg
& x0 e8 T' ?5 d, W) g3 e! P2 Y
9 T! V5 Z. u' F( C; h) P( i8 C400金相:0 C7 H& S9 O" u! N5 Z" M  L
2270-400x.jpg
发表于 2010-1-15 11:55:01 | 显示全部楼层 来自: 中国陕西西安
电炉处理的结果号
发表于 2010-1-17 17:44:28 | 显示全部楼层 来自: 中国河南新乡
楼主没有言明材料和热处理工艺,从组织看,电炉处理的组织更均匀。
发表于 2010-1-18 09:14:07 | 显示全部楼层 来自: 中国天津
应该是电炉的好些 更均匀 晶粒也细小些
发表于 2010-1-18 09:29:46 | 显示全部楼层 来自: 中国辽宁辽阳
电炉好些,组织更均匀
发表于 2010-1-18 15:56:25 | 显示全部楼层 来自: 中国辽宁大连
我同意电炉好。但是楼主腐蚀的有点深了。煤气发生炉正火后的组织上网状铁素体了。

评分

参与人数 1三维币 +3 收起 理由
ajhtiger + 3 技术讨论

查看全部评分

发表回复
您需要登录后才可以回帖 登录 | 注册

本版积分规则

Licensed Copyright © 2016-2020 http://www.3dportal.cn/ All Rights Reserved 京 ICP备13008828号

小黑屋|手机版|Archiver|三维网 ( 京ICP备2023026364号-1 )

快速回复 返回顶部 返回列表