QQ登录

只需一步,快速开始

登录 | 注册 | 找回密码

三维网

 找回密码
 注册

QQ登录

只需一步,快速开始

展开

通知     

全站
8小时前
查看: 3066|回复: 11
收起左侧

[分享] 极力分享液压缸图纸全套

 关闭 [复制链接]
发表于 2010-1-16 22:47:58 | 显示全部楼层 |阅读模式 来自: 中国广西防城港

马上注册,结识高手,享用更多资源,轻松玩转三维网社区。

您需要 登录 才可以下载或查看,没有帐号?注册

x
好东西要大家分享,液压缸全套图纸http://hiphotos.baidu.com/%D1%EE%BD%F0%C8%AA2000/pic/item/8826b40a9ae42d156b60fb92.jpg
 楼主| 发表于 2010-1-16 22:55:24 | 显示全部楼层 来自: 中国广西防城港
液压缸图纸全套.rar (726.85 KB, 下载次数: 96)

评分

参与人数 1三维币 +1 收起 理由
自流井 + 1 原创内容

查看全部评分

发表于 2010-1-17 08:17:47 | 显示全部楼层 来自: 中国江苏南通
请完整上传,楼主
发表于 2010-1-17 13:56:00 | 显示全部楼层 来自: 中国河北石家庄
能介绍介绍是哪种型号的油缸吗?
头像被屏蔽
发表于 2010-1-22 15:43:31 | 显示全部楼层 来自: 中国湖北黄冈
提示: 作者被禁止或删除 内容自动屏蔽
发表于 2010-2-18 10:35:41 | 显示全部楼层 来自: 中国江苏徐州
楼主啊,能贴个详图出来吗?5 \3 H$ h: i7 o. K( y8 |9 n- R
这样对大家都好啊!
发表于 2010-2-26 11:39:02 | 显示全部楼层 来自: 中国河南濮阳
本帖最后由 55555wqc 于 2010-2-26 11:40 编辑 / X1 G/ u7 ~6 u* }2 U- ?* D
4 J/ }3 ?9 N& D
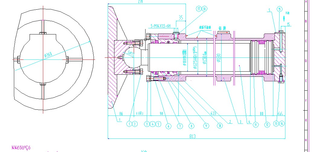
我来帮大家贴个截图吧.4 D/ f. H  e$ K8 I: V6 H! i6 {( p
论坛上已经有了,http://www.3dportal.cn/discuz/viewthread.php?tid=726709&highlight=%D2%BA%D1%B9%B8%D7%CD%BC%D6%BD
1.jpg
2.jpg
发表于 2010-2-26 15:57:16 | 显示全部楼层 来自: 中国陕西西安
很好,非常谢谢楼主
发表于 2010-10-19 15:30:24 | 显示全部楼层 来自: 中国江苏苏州
这套所谓的图纸,已经发了无数遍了,.........................
发表于 2010-10-20 08:25:05 | 显示全部楼层 来自: 中国江苏无锡
呵呵,发了无数遍?很经典啊
发表于 2010-12-25 15:07:08 | 显示全部楼层 来自: 中国山东聊城
活塞杆那一个打不开啊!!!!!!!!!!!!
发表于 2010-12-25 20:32:43 | 显示全部楼层 来自: 中国辽宁大连
应该是一个支腿油缸
发表回复
您需要登录后才可以回帖 登录 | 注册

本版积分规则

Licensed Copyright © 2016-2020 http://www.3dportal.cn/ All Rights Reserved 京 ICP备13008828号

小黑屋|手机版|Archiver|三维网 ( 京ICP备2023026364号-1 )

快速回复 返回顶部 返回列表