QQ登录

只需一步,快速开始

登录 | 注册 | 找回密码

三维网

 找回密码
 注册

QQ登录

只需一步,快速开始

展开

通知     

全站
4天前
查看: 4984|回复: 26
收起左侧

[已答复] 300长的M24螺栓(加工前须锻造)用什么材质比较好

[复制链接]
发表于 2010-1-22 00:14:37 | 显示全部楼层 |阅读模式 来自: 中国辽宁鞍山

马上注册,结识高手,享用更多资源,轻松玩转三维网社区。

您需要 登录 才可以下载或查看,没有帐号?注册

x
此螺栓用在设备的关键部位的卡子锁紧(用一个),主要受轴向拉力,或侧向拉力(后果是弯曲变形)。要求韧性好,综合力学性能好,即使弯曲也不能折断。
% W. p2 e1 J5 k9 {' M问:用什么材质锻造后加工比较好及用什么热处理方式?用45号钢可不可以?
发表于 2010-1-22 08:23:26 | 显示全部楼层 来自: 中国山西太原
本帖最后由 gaoyns 于 2010-1-22 08:24 编辑
/ l: v: E, f9 `: N- `
& K, ^  p3 P# V, h6 y! ]# h) m$ A根据受力的大小可选45钢、40Cr、或42CrMo等。选圆钢锻造六方头后加工,进行调质处理。

评分

参与人数 1三维币 +3 收起 理由
plc + 3 应助

查看全部评分

发表于 2010-1-22 08:42:02 | 显示全部楼层 来自: 中国贵州黔西南布依族苗族自治州
最好经过螺栓的受力分析、理论计算后选定材料加工做热处理。这样使用才放心。

评分

参与人数 1三维币 +3 收起 理由
plc + 3 应助

查看全部评分

发表于 2010-1-22 10:12:11 | 显示全部楼层 来自: 中国江苏常州
用40Cr把0 v0 X6 b  j; ]
不过最好是别用锻造的
/ Z7 d+ I! i) m1 C就调质,淬火后车
$ a+ |9 {& E' ?/ t5 j$ A! W做成双头的螺栓  P1 ?" W5 z* p  K/ p' L
用双螺母放松就是了。

评分

参与人数 1三维币 +3 收起 理由
userkypdy + 3 积极交流,谢谢

查看全部评分

发表于 2010-1-22 10:40:40 | 显示全部楼层 来自: 中国山东淄博
35CrMo、42CrMo。锻件,但须经调制处理,硬度HB240~260

评分

参与人数 1三维币 +2 收起 理由
userkypdy + 2 积极交流,谢谢

查看全部评分

头像被屏蔽
发表于 2010-1-22 11:05:24 | 显示全部楼层 来自: 中国辽宁丹东
提示: 作者被禁止或删除 内容自动屏蔽
发表于 2010-1-22 14:44:31 | 显示全部楼层 来自: 中国湖北十堰
40Cr常用的做螺栓的材料,最终经过调质处理可以达到高强度级别的螺栓!

评分

参与人数 1三维币 +2 收起 理由
userkypdy + 2 积极交流,谢谢

查看全部评分

 楼主| 发表于 2010-1-22 20:50:24 | 显示全部楼层 来自: 中国辽宁鞍山
根据受力的大小可选45钢、40Cr、或42CrMo等。选圆钢锻造六方头后加工,进行调质处理。
% c2 r. P* o0 F- Y! Lgaoyns 发表于 2010-1-22 08:23 http://www.3dportal.cn/discuz/images/common/back.gif
! Y( [9 Z0 ~) r) }
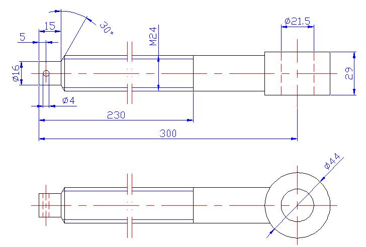
谢谢,此螺栓正常情况下受轴向拉力,突发情况受侧向拉力,只要不折断,即使发生弯曲变形也也能接受。另外把图片发上来,欢迎大家指出不足之处。目前暂定45#钢。。
卡紧螺栓.jpg
发表于 2010-1-22 20:54:22 | 显示全部楼层 来自: 中国广东佛山
作应力分析或计算,选用合适的材料就可以了,M24不用锻造吧。
 楼主| 发表于 2010-1-22 23:48:02 | 显示全部楼层 来自: 中国辽宁鞍山
作应力分析或计算,选用合适的材料就可以了,M24不用锻造吧。
- X9 g  B4 C5 o& Ufxr1101 发表于 2010-1-22 20:54 http://www.3dportal.cn/discuz/images/common/back.gif

% i$ w, I5 i& t8 d7 ]' y9 V9 f" d原来的螺栓就是锻造的,正常情况下受力并不大,突发情况下一旦折断,后果很严重。现在的螺栓已经弯曲变形,没折,故要重新做一个,安全第一。
 楼主| 发表于 2010-1-22 23:48:48 | 显示全部楼层 来自: 中国辽宁鞍山
现场条件并不允许做受力分析
发表于 2010-1-23 09:28:03 | 显示全部楼层 来自: 中国江苏苏州
我也遇到过这样螺栓弯曲的情况。只有修改了设计,这样才能有效解决问题
发表于 2010-1-23 09:57:43 | 显示全部楼层 来自: 中国重庆
本帖最后由 lussssssssss 于 2010-1-23 10:03 编辑 8 D$ Y+ Y5 y1 V

5 r7 j7 A: g7 i: Y3 k. j如果真很重要,建议采用40Cr锻造+调质处理,更复杂点的需正火后再调质,比型材机械性能提升很多,不过要正规锻造厂才能达到这个效果。
. P7 i! @0 h! `* W# B, r3 x$ P) LM24的直径45钢淬透性已经难以保证,还是采用合金钢才好,并且要求螺纹加工好点,表面光滑些。
7 s* t1 ?1 ]/ Y+ P) }; J0 n" r
3 o: m& r: u# j右边两圆柱相交角R尽量大点

评分

参与人数 1三维币 +2 收起 理由
userkypdy + 2 积极交流,谢谢

查看全部评分

发表于 2010-1-23 10:55:11 | 显示全部楼层 来自: 中国浙江嘉兴
用A808.8级螺栓!
, S3 g0 U# G  R* m0 U奥氏体的

评分

参与人数 1三维币 +3 收起 理由
userkypdy + 3 积极交流,谢谢

查看全部评分

发表于 2010-1-23 11:13:19 | 显示全部楼层 来自: 中国湖北十堰
楼主可以在适当的位置配打两个锥销。这样螺栓受力就好多了。
发表于 2010-1-23 12:28:48 | 显示全部楼层 来自: 中国浙江杭州
用45# 调质处理即可

评分

参与人数 1三维币 +1 收起 理由
userkypdy + 1 积极交流,谢谢

查看全部评分

发表于 2010-1-23 13:06:57 | 显示全部楼层 来自: 中国湖南长沙
42CrMo较好,只是热处理等各方面设计加工都必须能匹配保证好,否则,有可能连45#钢制螺栓的性能都赶不上

评分

参与人数 1三维币 +2 收起 理由
userkypdy + 2 积极交流,谢谢

查看全部评分

 楼主| 发表于 2010-1-23 23:14:40 | 显示全部楼层 来自: 中国辽宁鞍山
如果真很重要,建议采用40Cr锻造+调质处理,更复杂点的需正火后再调质,比型材机械性能提升很多,不过要正规锻造厂才能达到这个效果。
2 Y, H" O' h) q5 h$ hM24的直径45钢淬透性已经难以保证,还是采用合金钢才好,并且要求螺纹加工好点 ...
: k/ X+ m; H: P6 }9 Ilussssssssss 发表于 2010-1-23 09:57 http://www.3dportal.cn/discuz/images/common/back.gif

, m! c, \8 S+ Y/ k谢谢,右边两圆柱相交的圆角确实应该大点,实物确实是大圆角,图上没画出来。不过"M24的直径45号钢已经难以保证“,没理解这句话/ n9 W: |, ]- E) q
,
发表于 2010-1-24 14:25:16 | 显示全部楼层 来自: 中国重庆
本帖最后由 lussssssssss 于 2010-1-24 14:28 编辑 2 Y: Y/ w5 ~1 |- L$ ^; A! N
谢谢,右边两圆柱相交的圆角确实应该大点,实物确实是大圆角,图上没画出来。不过"M24的直径45号钢已经难以保证“,没理解这句话3 s- C3 {1 `' n; a9 s* g
,. J) E, \$ n6 @% \/ e; o4 Z, g" I
回家987 发表于 2010-1-23 23:14 http://www.3dportal.cn/discuz/images/common/back.gif
5 V+ j  `+ F7 }( S( u1 x
7 {7 Q& W0 I) g) E( V9 L+ E
你不是要热处理嘛,45#淬透深度要求低的话能达10mm,要求高的话只有3mm,就用低要求也才20mm的直径,但你的要求高,所以热处理效果差,机械性能差。; o) U+ l9 ^1 [& F# G7 x3 }
40Cr基本上可以达到你的要求,当然42CrNiMo是很高级的材料,42CrMo也非常好,但40Cr为最常用材料之一。
发表于 2010-4-11 08:56:24 | 显示全部楼层 来自: 中国浙江台州
40Cr,肯定的,锻造-加工-热处理-磨床-滚丝-表面处理
5 E+ S  ^% H4 D# l! Y我们的长螺栓都这样,这样长的不可能是8.8级的
发表于 2010-4-11 12:01:12 | 显示全部楼层 来自: 中国辽宁沈阳
采用什么材质和工艺,关键是看你的具体使用工况和要求。) T& D: z, ~) }4 k1 O* u5 ^4 e& R
若采用45#,则调质使用就可以了。其锻造性能一般不是很好。
2 a. x- p7 T. O若希望机械性能更高一些的话,可以采用40Cr的。
发表于 2010-4-12 14:15:32 | 显示全部楼层 来自: 中国安徽宣城
我司一般用40Cr,仅供参考
发表于 2010-4-13 20:56:36 | 显示全部楼层 来自: 中国江苏
8.8级以上的高强度螺栓可能用42CrMo,然后调质,所以建议用42CrMo.
发表于 2010-4-14 12:50:08 | 显示全部楼层 来自: 中国江苏无锡
不推荐使用40Cr的完全没必要
+ }) l2 `( u5 R- V其实用45#钢调质处理后完全可以满足使用要求了
5 `1 w9 T" ?! \. D" T  p不放心的话最多使用35CrMo的也行
发表于 2010-4-14 13:20:21 | 显示全部楼层 来自: 中国江苏苏州
看用途,一般用45# 调质处理
发表回复
您需要登录后才可以回帖 登录 | 注册

本版积分规则

Licensed Copyright © 2016-2020 http://www.3dportal.cn/ All Rights Reserved 京 ICP备13008828号

小黑屋|手机版|Archiver|三维网 ( 京ICP备2023026364号-1 )

快速回复 返回顶部 返回列表