QQ登录

只需一步,快速开始

登录 | 注册 | 找回密码

三维网

 找回密码
 注册

QQ登录

只需一步,快速开始

展开

通知     

全站
7天前
查看: 1511|回复: 4
收起左侧

[原创] 数控编程训练 课程设计 凸台零件

[复制链接]
发表于 2010-1-22 15:07:51 | 显示全部楼层 |阅读模式 来自: 中国辽宁朝阳

马上注册,结识高手,享用更多资源,轻松玩转三维网社区。

您需要 登录 才可以下载或查看,没有帐号?注册

x
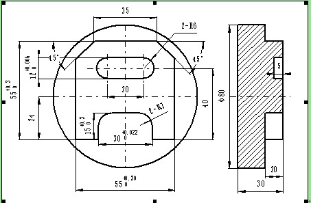
凸台零件的加工过程 走到路线 等  设计说明书
凸台零件.jpg

数控机床2.rar

1.93 MB, 下载次数: 5

数控机床3.rar

1.93 MB, 下载次数: 5

 楼主| 发表于 2010-1-22 15:11:38 | 显示全部楼层 来自: 中国辽宁朝阳
少发了个 郁闷
 楼主| 发表于 2010-1-22 15:17:39 | 显示全部楼层 来自: 中国辽宁朝阳
再发一遍 我就不信了
 楼主| 发表于 2010-1-22 15:19:42 | 显示全部楼层 来自: 中国辽宁朝阳
这回真是杯具了

数控机床1.rar

1.64 MB, 下载次数: 3

数控机床4.rar

491.82 KB, 下载次数: 3

 楼主| 发表于 2010-1-22 15:20:21 | 显示全部楼层 来自: 中国辽宁朝阳
成功了 自己顶一下 额呵呵
发表回复
您需要登录后才可以回帖 登录 | 注册

本版积分规则


Licensed Copyright © 2016-2020 http://www.3dportal.cn/ All Rights Reserved 京 ICP备13008828号

小黑屋|手机版|Archiver|三维网 ( 京ICP备2023026364号-1 )

快速回复 返回顶部 返回列表