QQ登录

只需一步,快速开始

登录 | 注册 | 找回密码

三维网

 找回密码
 注册

QQ登录

只需一步,快速开始

展开

通知     

查看: 1560|回复: 5
收起左侧

[求助] 关于蓄能器用法

[复制链接]
发表于 2010-1-29 09:18:42 | 显示全部楼层 |阅读模式 来自: 中国青海西宁

马上注册,结识高手,享用更多资源,轻松玩转三维网社区。

您需要 登录 才可以下载或查看,没有帐号?注册

x
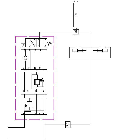
图.JPG 2 ?; s; V. F, A
, h, ~: t- S0 a
该系统用于轧钢冷剪,按设计方案是用于缓冲,但目前该功能并未实现,蓄能器的安装比较费解,还有阀块下两个阀,不知道具体用于什么,请各位高手指点!谢谢!
发表于 2010-1-29 10:06:41 | 显示全部楼层 来自: 中国江苏南京
蓄能器有皮囊,隔膜,和活塞三种形式,作用有补充压力,缓冲,减轻冲击等,下面的阀块为安全阀。
 楼主| 发表于 2010-1-29 10:20:12 | 显示全部楼层 来自: 中国青海西宁
就目前这些设备,如何实现缓冲的目的
发表于 2010-1-29 11:28:00 | 显示全部楼层 来自: 中国陕西宝鸡
从上往下数,第三个阀是安全阀,第四个阀是顺序阀说明此回路是顺序动作(应该还有其他动作回路),关于蓄能器缓冲,你应该指的的是换向后造成的液压冲击把,所以蓄能器安装一般是放在离油泵越近的位置,而不是跟油缸油腔直连。
发表于 2010-1-29 11:33:15 | 显示全部楼层 来自: 中国四川成都
看这个图,应该是极其不规范的画法,1、油缸单行程走过之后看不出如何复位,从图上分析应该无法复位;2、最下面的阀,貌似减压阀,但分析不可能,ISO符号又没有此种画法(可能是我的见识太少);: Y* G& g% a; Q, P5 P

" Q6 L0 X3 O8 t& }$ A缓冲是可以实现,加压时,先给蓄能器充压,缓慢建压,逐渐加大到克服阻力工作;失压时,蓄能器缓慢释放卸载,但从现在的图上看,不完整。下面第二个阀是卸荷阀。
 楼主| 发表于 2010-1-29 14:43:09 | 显示全部楼层 来自: 中国青海西宁
油缸是缓冲油缸,阀是直接参照阀块标牌上的画法。图画的不够详细,请大家谅解。
发表回复
您需要登录后才可以回帖 登录 | 注册

本版积分规则


Licensed Copyright © 2016-2020 http://www.3dportal.cn/ All Rights Reserved 京 ICP备13008828号

小黑屋|手机版|Archiver|三维网 ( 京ICP备2023026364号-1 )

快速回复 返回顶部 返回列表