QQ登录

只需一步,快速开始

登录 | 注册 | 找回密码

三维网

 找回密码
 注册

QQ登录

只需一步,快速开始

展开

通知     

查看: 2265|回复: 2
收起左侧

[已答复] CGA580螺纹的牙形角是多少度

[复制链接]
发表于 2010-1-29 11:27:33 | 显示全部楼层 |阅读模式 来自: 中国江苏镇江

马上注册,结识高手,享用更多资源,轻松玩转三维网社区。

您需要 登录 才可以下载或查看,没有帐号?注册

x
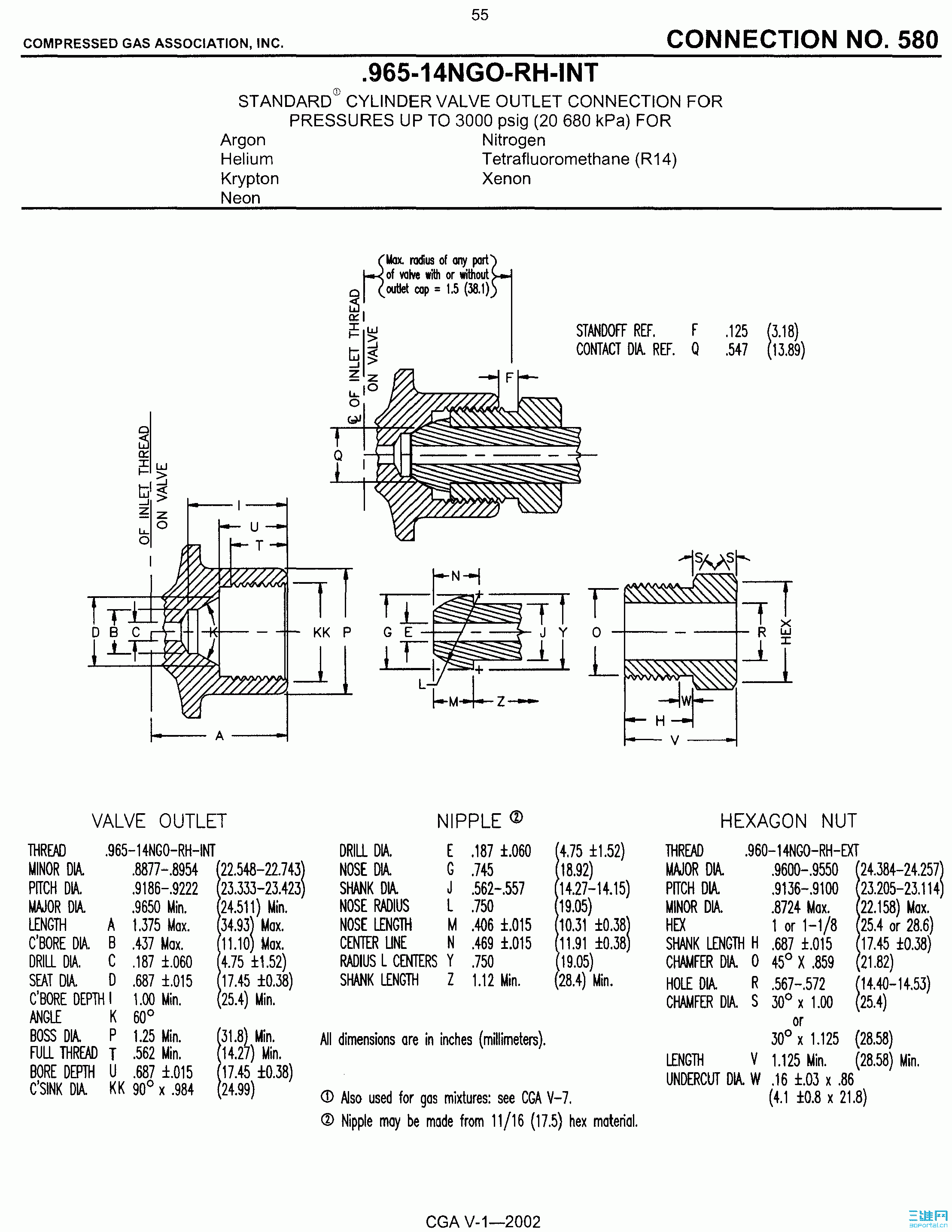
求助:CGA580螺纹的牙形角是多少度
发表于 2010-3-4 15:54:24 | 显示全部楼层 来自: 中国台湾
你应该是指气瓶阀门进出口螺纹
9 q7 ]5 G3 {7 u4 K4 F
% g3 a4 }; N7 W* S
5 ?: G" e, J# C9 K: }
60
度牙角、螺纹标称为NGO
" b/ D$ R; |+ a! S. y
. w& l' ?' Y9 H& u$ ?$ G8 G

7 y" B( A* b% ]* z标准为CGA V1-2005
' o) P# [$ d, p7 h$ J+ K 0 |6 }& q& V2 R8 h9 T  o
请参考附图....
CGA V1-2002.GIF

评分

参与人数 1三维币 +3 收起 理由
xl.zhuo + 3 应助

查看全部评分

 楼主| 发表于 2010-3-11 21:57:17 | 显示全部楼层 来自: 中国山西晋城
谢谢啊,确定了,放心了
发表回复
您需要登录后才可以回帖 登录 | 注册

本版积分规则


Licensed Copyright © 2016-2020 http://www.3dportal.cn/ All Rights Reserved 京 ICP备13008828号

小黑屋|手机版|Archiver|三维网 ( 京ICP备2023026364号-1 )

快速回复 返回顶部 返回列表