QQ登录

只需一步,快速开始

登录 | 注册 | 找回密码

三维网

 找回密码
 注册

QQ登录

只需一步,快速开始

展开

通知     

查看: 2449|回复: 11
收起左侧

[已答复] 内螺纹的同心度问题

[复制链接]
发表于 2010-2-3 08:40:48 | 显示全部楼层 |阅读模式 来自: 中国江苏苏州

马上注册,结识高手,享用更多资源,轻松玩转三维网社区。

您需要 登录 才可以下载或查看,没有帐号?注册

x
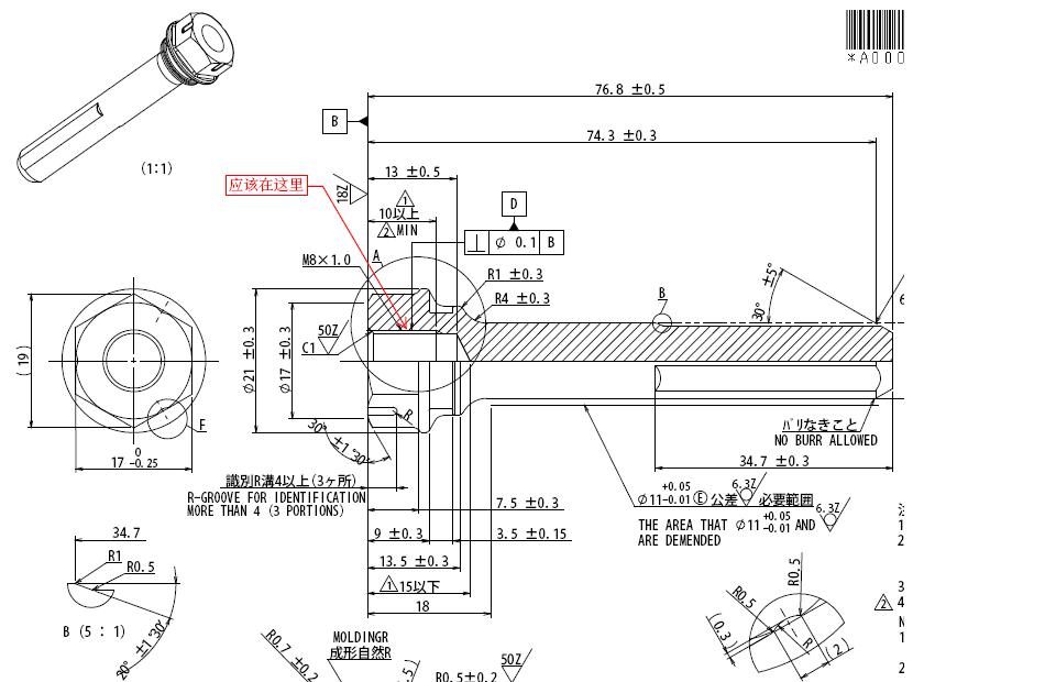
内螺纹的同心度问题:请教各路高手帮忙解决此图面内螺纹与轴的同心度加工,工艺应好如何设定,

141361-10370-B.pdf

62.35 KB, 下载次数: 10

 楼主| 发表于 2010-2-3 15:10:44 | 显示全部楼层 来自: 中国江苏苏州
怎么没有人应答啊,急急急
发表于 2010-2-3 15:12:22 | 显示全部楼层 来自: 中国山东烟台
看不清结构螺纹在哪?
发表于 2010-2-3 15:42:24 | 显示全部楼层 来自: 中国江苏
我下载了 也没看见
发表于 2010-2-3 15:43:17 | 显示全部楼层 来自: 中国北京
贴出来啊?
发表于 2010-2-3 16:20:00 | 显示全部楼层 来自: 中国上海
好像只能用M8*1的底孔作为定位了。提高加工精度,加工时候注意打底孔时候的垂直度等问题。
未命名.JPG
 楼主| 发表于 2010-2-5 12:42:54 | 显示全部楼层 来自: 中国江苏苏州
1# cc19750202 谢谢以上的各位的指点,1 H. f6 S0 j  w4 M6 A5 `
别的产品一般是以轴为基准测量螺纹的同心度的,这个产品是以螺纹为基准测量轴前端的同心度,相比较要难很多,哪位高人能指点一下,
 楼主| 发表于 2010-2-5 12:45:33 | 显示全部楼层 来自: 中国江苏苏州
以往加工方法是直接用7.55的钻头钻孔,再用M8*1.0 B7丝攻攻丝.但是这个图纸不行的,加工出来的产品同轴度达不到客户要求.
发表于 2010-2-5 13:13:58 | 显示全部楼层 来自: 中国四川成都
一个思路(仅就这两个工序说明):; W. J/ j* P; z2 P, d5 u
要保证螺纹孔与外圆同轴度公差,最重要是要保证螺纹底孔与外圆的同轴度公差。
, m3 t+ k; D8 y2 e1、精密加工螺纹底孔,严格控制孔径公差;' a  x7 q# T5 O
2、加工外圆端部中心孔;8 D* Z$ e3 @  f$ e  n% S
3、以螺纹底孔及外圆端部中心孔顶针装夹加工外圆;  K) |% E7 b/ p0 ~- s
4、以外圆定位装夹加工螺纹。
发表于 2010-2-5 14:00:05 | 显示全部楼层 来自: 中国四川资阳
来个Y的;先加工好螺底孔 端面同时拉一刀 攻好丝 加工好其它的部位但轴要留一二刀精车量 。另车好M8螺栓不动不要取下 将工件上好拧紧端面 尾座松紧适度 精车一二刀 切除顶针搭子。
发表于 2010-4-11 12:46:43 | 显示全部楼层 来自: 中国浙江台州
螺纹数控车,一刀成形
发表于 2010-4-11 12:57:28 | 显示全部楼层 来自: 中国湖北孝感
11楼的 可以说具体点吗
发表回复
您需要登录后才可以回帖 登录 | 注册

本版积分规则


Licensed Copyright © 2016-2020 http://www.3dportal.cn/ All Rights Reserved 京 ICP备13008828号

小黑屋|手机版|Archiver|三维网 ( 京ICP备2023026364号-1 )

快速回复 返回顶部 返回列表