QQ登录

只需一步,快速开始

登录 | 注册 | 找回密码

三维网

 找回密码
 注册

QQ登录

只需一步,快速开始

展开

通知     

查看: 2003|回复: 7
收起左侧

[已答复] 简单零件加工工艺

[复制链接]
发表于 2010-2-4 11:44:34 | 显示全部楼层 |阅读模式 来自: 中国江苏常州

马上注册,结识高手,享用更多资源,轻松玩转三维网社区。

您需要 登录 才可以下载或查看,没有帐号?注册

x
有两个简单工件加工
% P. ]5 n6 a* F5 F帮忙写出具体加工过程,

+ f  X+ {5 q! o7 T" y另外,有这方面的资料请分享下,谢谢* R" ^% s9 h7 ]1 {
* [; F( G1 x+ p" J
压盖.jpg
4 _6 e! z' A4 u$ c4 q5 | 阀杆.jpg 4 M2 a7 C3 e1 F) I# e6 [" u

. I3 p8 h/ i$ a" y, ~* L1 N3 ~* d$ ^5 v' X. B) Y# G; X
发表于 2010-2-4 11:54:24 | 显示全部楼层 来自: 中国山西太原
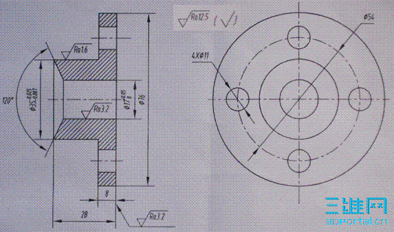
这是旋塞阀(考克)的阀芯和填料压盖。形状简单,一般是铸出毛坯,车削加工各部分,然后划线钻孔,阀芯还需铣四方。精度和表面粗糙度都要求不高,容易加工。

评分

参与人数 1三维币 +2 收起 理由
渔樵 + 2 应助

查看全部评分

 楼主| 发表于 2010-2-4 12:29:49 | 显示全部楼层 来自: 中国江苏常州
"这是旋塞阀(考克)的阀芯和填料压盖。形状简单,一般是铸出毛坯,车削加工各部分,然后划线钻孔,阀芯还需铣四方。精度和表面粗糙度都要求不高,容易加工。"* c  b% w$ d5 m$ N" G* g

) [6 Q% F; F4 a# H' f4 W压盖的锥面有精度要求,如何加工
8 R6 H2 b* @# T0 O9 {% q- Z! n' n2 T, q
阀杆锥面上的孔怎么钻,装夹
发表于 2010-2-4 12:40:04 | 显示全部楼层 来自: 中国安徽合肥
第一个零件:1、用三爪卡盘夹持零件大端外圆后,车小端外圆及台阶等尺寸到要求;  h1 |: t7 s  M0 ^5 X
            2、掉头夹持小端外圆,车大端锥圆柱及长度到要求;
2 w( T, j% G" f% F; E9 F1 b            3、上钻床出直径15mm孔(批量大的话配工装,批量小的话划线);
( t; o& W% N% z+ w. Q            4、上立铣铣四方(批量大的话配工装,批量小的话划线)
. }8 k0 Y- R  f            5、去毛刺、交检。( q7 \( g, n: h* {3 R5 A* P8 A
第二个零件基本雷同,所用设备也同上

评分

参与人数 1三维币 +2 收起 理由
渔樵 + 2 应助

查看全部评分

发表于 2010-2-4 13:03:02 | 显示全部楼层 来自: 中国上海
本帖最后由 tzg 于 2010-2-4 13:04 编辑
9 P0 X  o& `- C4 x- K- P2 |0 s+ v8 f2 e, O5 D6 y6 D
阀芯工艺:
) y6 s: E$ h& A( o1、车圆柱φ16部分至尺寸  U4 `+ Q- b* f  b# K' ~
2、夹圆柱车锥面至尺寸. ~+ q+ F  F% v+ T
3、夹圆柱钻锥面上的孔
& m1 @$ y6 r/ K) d9 l" f4、分度头上夹圆柱采用卧铣四方,工效快省刀具
发表于 2010-2-4 14:16:34 | 显示全部楼层 来自: 中国辽宁沈阳
个人观点:, ]" e- l3 y5 M7 {4 Z
第一件三爪夹盘夹紧左侧外圆,先车外圆76平右端面,卸下工件反向装夹,钻15.5里孔,换内孔车刀车至16尺寸公差,粗车外圆单边留量0.1—0.2,平左端面至28尺寸,平台肩面至8尺寸,车刀扳角30度车锥口至最大外圆处,精车外圆至尺寸,划线钻孔完成" N$ c/ q$ V" v3 }. B
第二件三爪夹盘夹紧右端,粗精车左端至尺寸,长度60,平左端面,反向装夹,车右锥平右端面完成,配车一带内锥口圆柱,在预打孔两侧铣扁,工件及辅助工装配合夹紧后,划线钻孔,尺寸要求不严上立铣四方,否则卧铣

评分

参与人数 1三维币 +2 收起 理由
渔樵 + 2 技术讨论

查看全部评分

发表于 2010-2-4 14:26:55 | 显示全部楼层 来自: 中国辽宁沈阳
我在车间待了近三年,类似的活都是这么干的,不过我们车间工人技术比较高,车锥口的时候留量控制得好,一般就三两道活,尺寸影响不到,这里锥口外圆35多留了点,保守估计
发表于 2010-2-4 16:04:57 | 显示全部楼层 来自: 中国山西太原
3# love6417 ! F# E$ _3 h3 X* F
锥面上的φ8孔,可在铣床上分度头三爪夹阀杆,另一端顶尖顶住,为定心准确,最好先用φ8立铣刀铣平,再换钻头钻通。

评分

参与人数 1三维币 +1 收起 理由
渔樵 + 1 技术讨论

查看全部评分

发表回复
您需要登录后才可以回帖 登录 | 注册

本版积分规则


Licensed Copyright © 2016-2020 http://www.3dportal.cn/ All Rights Reserved 京 ICP备13008828号

小黑屋|手机版|Archiver|三维网 ( 京ICP备2023026364号-1 )

快速回复 返回顶部 返回列表