QQ登录

只需一步,快速开始

登录 | 注册 | 找回密码

三维网

 找回密码
 注册

QQ登录

只需一步,快速开始

展开

通知     

查看: 2645|回复: 5
收起左侧

[分享] 发个摸具图试试

 关闭 [复制链接]
发表于 2005-12-1 20:14:00 | 显示全部楼层 |阅读模式 来自: 中国重庆

马上注册,结识高手,享用更多资源,轻松玩转三维网社区。

您需要 登录 才可以下载或查看,没有帐号?注册

x
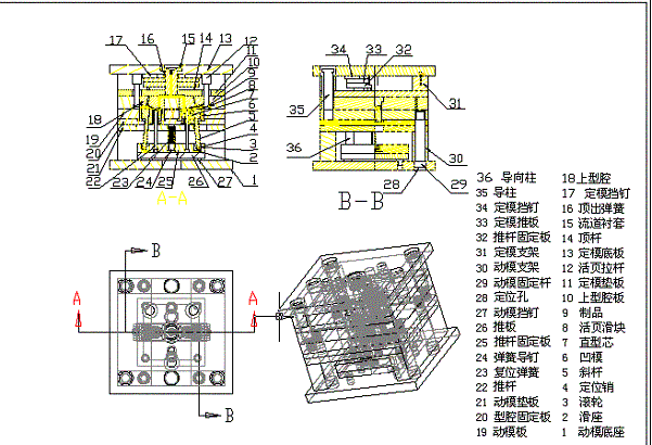
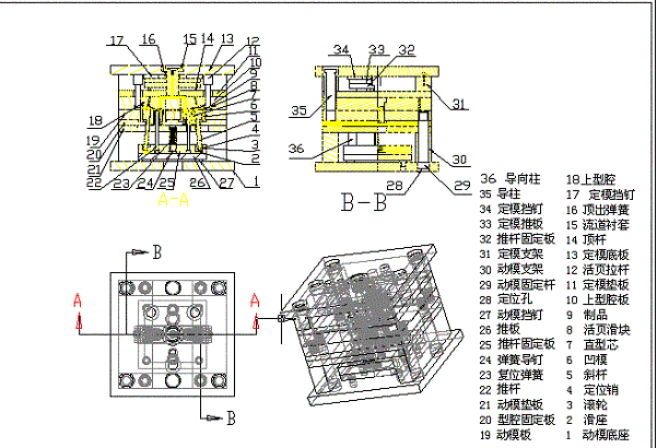
给大家看看标准的图纸
发表于 2006-7-3 22:13:31 | 显示全部楼层 来自: 中国广东汕头

这就是摸具!!!!!1

是不是?
4 Q! w( {1 y6 g- C1 }
  i8 k& Q" {- G* _( [; \6 {4 f[ 本帖最后由 sxw68 于 2006-11-8 17:15 编辑 ]
1.gif
1.gif
发表于 2006-7-6 20:45:29 | 显示全部楼层 来自: 中国广东东莞
不错啊,我要努力学习。。
发表于 2006-8-31 10:53:40 | 显示全部楼层 来自: 中国湖北荆门
这是什么呀,看也看不清楚,不爽
发表于 2006-8-31 17:47:59 | 显示全部楼层 来自: 中国广东汕头
看不到啊!!!!!!!  e! j+ Z" s! i; V; i

7 l& L/ |* A4 R5 V1 ]& b& w( @' B/ y3 n/ k5 r: V6 j

5 V6 `1 k3 m6 _% p! N9 u1 \% H
7 W( w5 i& D1 [! |很清楚的
3 J- P& F  h; h! ]. D
: a; d0 D+ i! h4 W  w
[ 本帖最后由 阿帕奇 于 2006-8-31 22:14 编辑 ]
发表于 2006-9-4 21:20:47 | 显示全部楼层 来自: 中国广东佛山
怎么看不到呢,真不好. Y% [- v1 y, A# Z. {5 L9 S* W

. J; G8 z3 H* [7 A# \3 S
2 a. e' S% E7 o" P是模架图片4 E% ]( C* s: |+ }, L6 O
9 T* i; V' L' R. d' j
[ 本帖最后由 阿帕奇 于 2006-9-6 22:36 编辑 ]
发表回复
您需要登录后才可以回帖 登录 | 注册

本版积分规则


Licensed Copyright © 2016-2020 http://www.3dportal.cn/ All Rights Reserved 京 ICP备13008828号

小黑屋|手机版|Archiver|三维网 ( 京ICP备2023026364号-1 )

快速回复 返回顶部 返回列表