QQ登录

只需一步,快速开始

登录 | 注册 | 找回密码

三维网

 找回密码
 注册

QQ登录

只需一步,快速开始

展开

通知     

查看: 1969|回复: 7
收起左侧

[求助] 比例伺服阀P口可否可以加压力补偿器?

[复制链接]
发表于 2010-2-20 19:30:34 | 显示全部楼层 |阅读模式 来自: 中国辽宁沈阳

马上注册,结识高手,享用更多资源,轻松玩转三维网社区。

您需要 登录 才可以下载或查看,没有帐号?注册

x
闭环控制系统,比例伺服阀P口可否可以加压力补偿器,如果加压力补偿器对阀控缸系统动态性能是否有影响?
发表于 2010-2-20 19:42:42 | 显示全部楼层 来自: 中国江苏徐州
稳定性会更好
发表于 2010-2-20 19:42:56 | 显示全部楼层 来自: 中国河北石家庄
闭环系统没有那个必要装压力补偿器吧!
发表于 2010-2-21 10:03:14 | 显示全部楼层 来自: 中国上海
同意三楼的观点。
0 T. T! {! @/ v! R$ ^如果是闭环系统是不需要的,因为闭环系统带有反馈,可以根据反馈回来的信号自动调节。
 楼主| 发表于 2010-2-21 11:33:43 | 显示全部楼层 来自: 中国辽宁沈阳
我加压力补偿器的目的如下:' Y2 E5 v5 R" Y" O. n+ P
1、油缸的流量变化范围很大,且要求最小可控速度越低越好,比例伺服阀前后压差固定,提高阀的流量分辨率。力士乐教材上说可以大概提高3倍。: @( K" o  Y; W( _& h
2、比如系统压力25MPa,有个缸最大压力需要5MPa即可,通过先导溢流阀限制压力补偿器控制油的压力(也就是梭阀反馈A或B的压力),达到限压的目的,类似于负载敏感的多路阀的工作原理。' |" j8 \" f! Z, ?: Z' Y  z
我见到的使用比例伺服阀的系统好像也没有加,但是如果加了会带来什么新问题么?

评分

参与人数 1三维币 +2 收起 理由
华氏911 + 2 技术讨论

查看全部评分

发表于 2010-2-21 13:47:22 | 显示全部楼层 来自: 中国浙江温州
从原理上来说用比例伺服阀加缸的传感器反馈构成闭环控制系统的话能保证系统精度,但如果楼主系统是对负荷敏感且对速度控制(稳定性)要求较高的话,可以加,对系统动态性能不会有影响的
4 R9 p" \- M/ i我做过的一个系统,用比例阀(不是比例伺服阀)控制液压缸(带位移传感器)组成的闭环控制系统就在比例阀的P口加了压力补偿器的
: ?: h2 e9 W, o& K$ R5 D& C; \我加的是出口压力补偿器,楼主这个应当加进口压力补偿器

评分

参与人数 1三维币 +3 收起 理由
华氏911 + 3 技术讨论

查看全部评分

发表于 2010-2-22 22:42:35 | 显示全部楼层 来自: 中国河北石家庄
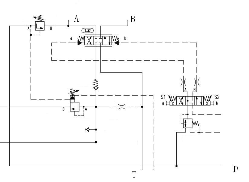
本帖最后由 snybzyy 于 2010-2-22 22:53 编辑 5 D, v( C$ x9 ~, X1 Z, ~8 S

9 u: _' J8 a  Z& A$ `8 w' x还有就是常见的钢厂步进炉液压系统,采用的比例阀控制和位移传感器组成的闭式控制回路,主要是速度控制。阀的出入口都采用的压力补偿阀 ,就跟力士乐书上讲的一样。速度控制的非常好。就是如果比例阀给定值不当的话就会产生振荡。附加一个你说的那种控制系统原理图。
比例控制系统.JPG
发表于 2010-2-23 20:22:32 | 显示全部楼层 来自: 中国河北唐山
没有必要使用压力补偿器。
发表回复
您需要登录后才可以回帖 登录 | 注册

本版积分规则


Licensed Copyright © 2016-2020 http://www.3dportal.cn/ All Rights Reserved 京 ICP备13008828号

小黑屋|手机版|Archiver|三维网 ( 京ICP备2023026364号-1 )

快速回复 返回顶部 返回列表