QQ登录

只需一步,快速开始

登录 | 注册 | 找回密码

三维网

 找回密码
 注册

QQ登录

只需一步,快速开始

展开

通知     

查看: 2729|回复: 18
收起左侧

[求助] 蓄能器的安装方式

[复制链接]
发表于 2010-2-24 22:15:13 | 显示全部楼层 |阅读模式 来自: 中国内蒙古呼和浩特

马上注册,结识高手,享用更多资源,轻松玩转三维网社区。

您需要 登录 才可以下载或查看,没有帐号?注册

x
本帖最后由 lszdyx 于 2010-2-24 22:19 编辑
$ X( U( [5 }; H+ L' I9 k' U* ^6 z2 A) \% D* d
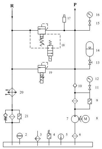
我的一套伺服系统油源中,我打算安装一个1L的蓄能器,稍微吸收一下压力脉动,该伺服系统用于结构静力加载试验。0 S' @1 b  {7 r; v5 v8 S8 H2 F; u  d
一般常见的需要有蓄能器的排放回路,也就是使它不用时或检修时里面的油液排回油箱,不知道此装置能否不加?如必须加需要注意什么问题?
$ l5 G/ C; Q0 W, i2 \& g! o8 B, O. f1 d, ]; E. ~; K
另外小蓄能器能否直接装在阀块上,而不需要安装架?????
1.jpg
发表于 2010-2-25 07:56:59 | 显示全部楼层 来自: 中国上海
没装过,请知道的朋友说一下,谢谢!
 楼主| 发表于 2010-2-25 11:13:53 | 显示全部楼层 来自: 中国内蒙古呼和浩特
希望高手指点啊
发表于 2010-2-25 18:00:42 | 显示全部楼层 来自: 中国安徽淮北
小蓄能器一般都安装在油路块上;
) V* M3 j+ m+ V1 R5 K# K一般是独立的油路块+板式安全阀或蓄能器安全阀组;
发表于 2010-2-27 09:49:37 | 显示全部楼层 来自: 中国辽宁阜新
本帖最后由 engineerlw 于 2010-2-27 09:57 编辑
9 p/ L  J2 X7 Q* u, q7 D3 }3 s% Z7 a6 q5 f( W$ `$ f/ U
从原理图看蓄能器油可以通过系统泄压,可不装放油阀。可在阀板上安装一个板式节流阀(开关),控制蓄能器通断。/ f' `4 }- \1 ~
蓄能器是可通过法兰或接头安装在阀板上。

评分

参与人数 1三维币 +2 收起 理由
自流井 + 2 技术讨论

查看全部评分

发表于 2010-2-28 16:59:18 | 显示全部楼层 来自: 中国辽宁大连
蓄能器有专用的安全阀组,上面就有排回邮箱的截止阀。或者蓄能器安全阀组上面的溢流阀卸荷也可以让油回油箱。, D7 c; f( u( k8 _; G" G8 r  m
& }( S. A0 |4 v7 I  [! r
另外这么小的蓄能器完全可以装在阀块上,不用固定没问题。最大我用过125L的蓄能器安装在阀块上,就是固定上面要想办法了。

评分

参与人数 1三维币 +2 收起 理由
自流井 + 2 技术讨论

查看全部评分

 楼主| 发表于 2010-2-28 22:49:16 | 显示全部楼层 来自: 中国内蒙古呼和浩特
谢谢各位的帮忙,蓄能器充氮是自己充吗,厂家给吗
发表于 2010-2-28 23:46:35 | 显示全部楼层 来自: 中国辽宁鞍山
自己用充氮小车冲
 楼主| 发表于 2010-3-1 09:59:31 | 显示全部楼层 来自: 中国内蒙古呼和浩特
还的买充氮小车,有氮气瓶不不行吗
发表于 2010-3-1 18:56:46 | 显示全部楼层 来自: 中国河北石家庄
看看黎明的样本,有充氮工具的,接上气源就可以充氮了!
发表于 2010-3-2 07:48:00 | 显示全部楼层 来自: 中国江苏南通
1L的蓄能器完全可以装在阀块上一体,你的原理图可以卸荷.
7 w7 U3 f# N" X: ]/ j$ N; x' f! i0 Q$ Z
不需要固定之.. g- l8 _4 P2 }3 Z
; H1 r3 [/ ~2 y% q/ E7 P
充氮工具另配,厂家会自已充,很简单的
 楼主| 发表于 2010-3-2 19:44:30 | 显示全部楼层 来自: 中国内蒙古呼和浩特
您说我的原理图可以卸荷,您认为从那里可以卸荷
发表于 2010-3-3 09:00:52 | 显示全部楼层 来自: 中国辽宁阜新
阀18通电也可卸荷。
发表于 2010-3-3 14:08:00 | 显示全部楼层 来自: 中国上海
我汇总一下
( }' Z3 ]& l6 X* x' }0 U8 q0 L. n- c这么小的蓄能器可以直接安装在阀块上
: e" S$ B8 d: s6 W$ m( Y7 U1 w* Z充气的话需要自己充,20bar以内厂家可以代充
4 s& j* U# J/ s: \0 E6 x; N- _; J) t充气需要充气工具+氮气瓶即可,如果压力太高(如300bar以上一般需要充气小车)6 r9 C$ _* I  |, o# C
最后问你一句:1L的这个容积你算对 了吗?
 楼主| 发表于 2010-3-3 19:19:19 | 显示全部楼层 来自: 中国内蒙古呼和浩特
答复各楼:
) W1 U* B" q  Y" ]我安装此蓄能器主要是吸收脉动,如果按此,您认为如何计算蓄能器的容积以及充气压力?. i% u( c$ f7 o! v
我的系统最高工作压力为28MPa,因为是试验系统,所以每次工作压力随任务而定,一般为0~28MPa之间,系统泵为恒压变量柱塞泵,型号为贵州力源L10VSO28DRG/31R-PPA12NOO,希望楼主谈谈如何确定蓄能器规格,另外此系统用来给4个伺服阀供油,伺服阀为704所的CSDY1-20(额定流量20,额定压力为21).
! s- Z* b) Z8 L5 O
3 O  N1 f# N6 E+ M0 |) u2 S6 |另外系统的原理图已经改动,我已经重新发帖,请参见:http://www.3dportal.cn/discuz/viewthread.php?tid=876604
发表于 2010-3-3 22:10:20 | 显示全部楼层 来自: 中国浙江宁波
一般来说蓄能器要独立安装,距阀块远一些,可以减少对阀的冲击!
发表于 2010-3-4 13:40:04 | 显示全部楼层 来自: 中国辽宁阜新
加节流阀(开关)的简图,是CAXA2005版

简图.rar

7.61 KB, 下载次数: 6

 楼主| 发表于 2010-3-11 23:29:42 | 显示全部楼层 来自: 中国内蒙古呼和浩特
17楼,您好,我没有该软件,能否转为图片,谢谢
发表于 2010-3-12 12:24:14 | 显示全部楼层 来自: 中国江苏徐州
小型的可以直接订购套装成品,深圳桑特就有,联系一下吧
发表回复
您需要登录后才可以回帖 登录 | 注册

本版积分规则


Licensed Copyright © 2016-2020 http://www.3dportal.cn/ All Rights Reserved 京 ICP备13008828号

小黑屋|手机版|Archiver|三维网 ( 京ICP备2023026364号-1 )

快速回复 返回顶部 返回列表