QQ登录

只需一步,快速开始

登录 | 注册 | 找回密码

三维网

 找回密码
 注册

QQ登录

只需一步,快速开始

展开

通知     

查看: 1752|回复: 7
收起左侧

[已解决] 形位公差标注

[复制链接]
发表于 2010-3-2 20:16:10 | 显示全部楼层 |阅读模式 来自: 中国上海

马上注册,结识高手,享用更多资源,轻松玩转三维网社区。

您需要 登录 才可以下载或查看,没有帐号?注册

x
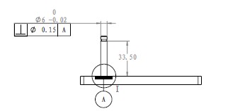
QQ截图未命名.jpg 图中的垂直度,是不是表示,轴相对于基准面最大倾斜为0.15还是0.075
, w' S  \; K- X3 o% h. Z: }0 h2 `
( b6 p$ U. Z7 t7 k4 i6 m$ a$ t: S( F新手请帮忙谢谢
发表于 2010-3-2 21:25:11 | 显示全部楼层 来自: 中国江苏南京
楼主我的理解是,以A为基准面,轴的圆柱面形状公差直径0.15。个人见解
; F7 U) J0 U0 p8 L; R& Q; ]也请搞机加工的说说
发表于 2010-3-2 21:29:10 | 显示全部楼层 来自: 中国江苏常州
1.图纸画的不规范;' k  }% e# J6 W
2.图中的垂直度,应该是指Φ6的轴心线在垂直于基准面的直径为Φ0.15的理想圆柱内;9 j3 d, U, f' l+ `: j" a/ t
3.规范的定义和说法,多看看书吧。

评分

参与人数 1三维币 +3 收起 理由
华氏911 + 3 应助

查看全部评分

发表于 2010-3-2 22:10:24 | 显示全部楼层 来自: 中国山西晋城
本帖最后由 trues2006 于 2010-3-2 22:12 编辑 * `0 l2 }  N  C% E* y  z- E. b
( O6 k  p' C/ u3 K+ v  k" e
该垂直度是指,圆6-0.02,所在的公差为直径等于公差值0.15mm为直径的,且于基准垂直的圆柱体内的区域。
头像被屏蔽
发表于 2010-3-3 08:11:18 | 显示全部楼层 来自: 中国辽宁丹东
提示: 作者被禁止或删除 内容自动屏蔽
发表于 2010-3-3 08:45:46 | 显示全部楼层 来自: 中国山西太原
φ6(0/-0.02)的轴线对基准面A的垂直度误差不大于0.15mm。这里要求的是垂直度而不是倾斜度,二者符号和定义都不相同。
发表于 2010-3-3 10:36:04 | 显示全部楼层 来自: 中国江苏常州
基准的标注有问题. P$ X# X/ `6 d4 e$ q* H1 d
如果是相对于板的上平面那么应该是反过来向上标注在上平面上方
7 R1 v' f. i( ]: f$ T7 o) c* s或是在尺寸线的延长线上标柱0 @& k, }4 W/ a& }+ M% K4 B8 R( U
如果是对于圆柱的断面
, Z) r2 z  M& `( A1 }$ D% b5 Q呢么不应该标柱在焊装图上,应该标注在零件图上8 @& z; b- \- [0 `3 ^: s4 `7 z
这个图纸可能混淆
- K0 c2 v) I0 q4 q; Q而机械的图纸是唯一的& l+ Y0 m  E  f1 B- }) f. o/ ^" |
所以有问题

评分

参与人数 1三维币 +3 收起 理由
天际孤帆 + 3 技术交流

查看全部评分

发表于 2010-3-3 11:15:29 | 显示全部楼层 来自: 中国浙江宁波
实际中按楼主第二种理解是正确的。
发表回复
您需要登录后才可以回帖 登录 | 注册

本版积分规则


Licensed Copyright © 2016-2020 http://www.3dportal.cn/ All Rights Reserved 京 ICP备13008828号

小黑屋|手机版|Archiver|三维网 ( 京ICP备2023026364号-1 )

快速回复 返回顶部 返回列表