|
|

楼主 |
发表于 2010-3-3 19:12:21
|
显示全部楼层
来自: 中国内蒙古呼和浩特
首先感谢各位白忙中给予的答复!" ^/ n0 n' L" \% A0 p, U
答复4楼:
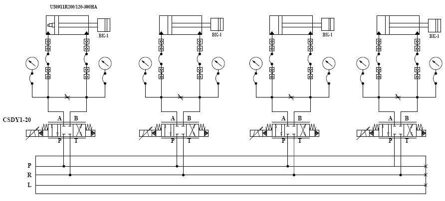
/ n! [: `, Y% n0 x* r3 Q8 _1、接收4楼版主的建议,给蓄能器增加卸荷回路,增加一节流阀用于检修卸荷。/ e, H, j- ~& Q" y4 o
2、图中原理图伺服阀机能可能画的有点问题,伺服阀为704的CSDY1-20; |' K5 K& p8 M. v3 S6 D# ~) t
3、风冷选择南京翰坤公司的风冷却器,应该是吸风的。- ^) t; y+ j8 r. C& m3 \, S
————————————————
( @! h3 ?7 l4 S5 N, y答复5楼:2 Y; h- C/ V8 O, T; Y" r
1、接收您的建议,希望您能帮我画个示意图,谢谢!
! I4 q# C/ O: k- d————————————————' s- x W& F4 |
答复6楼:
0 u# R6 |- Z# X/ q. s1、接收第一条建议;但不知道选择什么类型的,该如何连接,板式还是螺纹连接?8 K' Q( _& U0 B
2、比例溢流阀的标准画法希望楼主传一个;
9 T+ b- n: H! e9 [' ]5 J3、伺服阀是704所的CSDY1-20,希望楼主给个图:% k6 p) w# M) s4 m. j7 _( D0 B9 c" V1 j
————————————————
7 K- t6 w& P; |0 {8 L% z! H答复7楼:/ w. X" C k- t7 b/ |
1、您说的旁通阀是指油缸大小腔之间的节流阀吗?我安装此的目的是为了该套静力加载系统在加载时避免一些冲击,使缸输出力平稳些,实际工作时,节流阀几乎关闭,大小腔之间稍微有些油液通过此法渗漏,如果安装球阀是否就不能起到这样的作用了?
- ~' ?# e7 t$ l( C( X @
; }, G7 u9 u/ [% G 另外按照楼主称之为旁通阀,您认为安装球阀和我认为是否起一样的作用/?如果不是,麻烦您帮我分析一下,谢谢。 |
|