QQ登录

只需一步,快速开始

登录 | 注册 | 找回密码

三维网

 找回密码
 注册

QQ登录

只需一步,快速开始

展开

通知     

全站
8天前
查看: 4576|回复: 9
收起左侧

[已答复] 求助:风电轮毂的图纸和技术要求

[复制链接]
发表于 2010-3-22 16:11:14 | 显示全部楼层 |阅读模式 来自: 中国黑龙江哈尔滨

马上注册,结识高手,享用更多资源,轻松玩转三维网社区。

您需要 登录 才可以下载或查看,没有帐号?注册

x
本帖最后由 武昌鱼 于 2010-3-23 16:35 编辑
8 g7 X% |% _6 V2 C8 z: `# ~/ j9 _1 \8 b* b' e7 y& J6 C
求助:  ^0 X! t, B7 G4 x8 n$ i5 o" F& F+ H
      风电轮毂的图纸和技术要求,验收条件和材料要求等,, _. S5 O" {8 p* i
      做风电轮毂材料试验和建模用。各种机型均可(请注明)
发表于 2010-3-29 13:57:43 | 显示全部楼层 来自: 中国北京
这个 都应该属于公司机密吧,估计不能随便给的哦
发表于 2010-3-29 16:09:26 | 显示全部楼层 来自: 中国山东
请问做啥?品种太多,0.75~5MW型号若干,而且各单位都不一样。
5 V6 k; a- L! |( G1 j1 K6 W# h需要可联系qq:365911460
发表于 2010-5-3 09:05:31 | 显示全部楼层 来自: 中国浙江杭州
我有1.5MW的图纸。不过公司要保密
发表于 2011-2-4 07:48:42 | 显示全部楼层 来自: 中国山东青岛
看来你是做大型的,不同的机型不同的结构" z& d( |% o. G3 c
看你的求助,不知道你具体想做什么?7 ?) z3 |$ p: H& t  h, J# t' N2 k
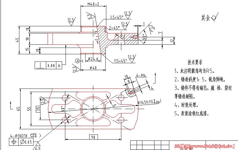
我有个小小型的图纸
未命名.jpg

评分

参与人数 1三维币 +3 收起 理由
武昌鱼 + 3 辛苦了,新年快乐

查看全部评分

 楼主| 发表于 2011-2-5 05:10:26 | 显示全部楼层 来自: 中国黑龙江哈尔滨
QQ:1196057222
 楼主| 发表于 2011-2-5 05:11:16 | 显示全部楼层 来自: 中国黑龙江哈尔滨
希望大家支持,进行课题实验
发表于 2011-2-5 07:24:47 | 显示全部楼层 来自: 中国山东
品种太多了,0.75MW、1.5MW、1.65MW、2.0MW、2.5MW、3.0MW、5.0MW。而且各单位也都不一样,比如GE、WESTAS、金凤、华瑞等各不一样。
2 n% q' B7 {3 E. v  `需要联系qq:365911460

评分

参与人数 1三维币 +2 收起 理由
武昌鱼 + 2 新年快乐!

查看全部评分

 楼主| 发表于 2011-2-5 21:55:52 | 显示全部楼层 来自: 中国黑龙江哈尔滨
联系邮箱:wqy_06@tom.com
发表于 2011-10-15 15:47:22 | 显示全部楼层 来自: 中国四川成都
严厉打击非法窃取企业机密
发表回复
您需要登录后才可以回帖 登录 | 注册

本版积分规则


Licensed Copyright © 2016-2020 http://www.3dportal.cn/ All Rights Reserved 京 ICP备13008828号

小黑屋|手机版|Archiver|三维网 ( 京ICP备2023026364号-1 )

快速回复 返回顶部 返回列表