QQ登录

只需一步,快速开始

登录 | 注册 | 找回密码

三维网

 找回密码
 注册

QQ登录

只需一步,快速开始

展开

通知     

查看: 2376|回复: 2
收起左侧

[求助] 跪求电工一课题解决方案

[复制链接]
发表于 2010-3-28 21:10:15 | 显示全部楼层 |阅读模式 来自: 中国北京

马上注册,结识高手,享用更多资源,轻松玩转三维网社区。

您需要 登录 才可以下载或查看,没有帐号?注册

x
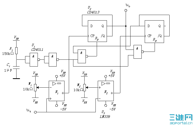
回差可调至负的施密特触发器,图见附件
( L4 s/ H/ r1 \( i& I$ P简要说明:
* r" T1 N. O* d/ x7 L* W0 V7 z
& [# E2 h/ b& s$ g, T- P* ~% }0 U2 Z9 \& N1 j) U
一般的施密特触发器低阈值最低可接近0V。本电路高低阈值分别可调并且可调到负值,因而有更大的灵活性。% r+ z  s% V! B" E/ a  M
思考题:1 ?+ v! e) j5 t. @

3 J% _/ V* n- ^2 r9 P0 k1.电路中W1W2分别是调整什么用的?$ u# ]9 ?+ l# m$ ]7 E. I
该电路的电源电压范围最大可以达到多少?受什么因素限制?# \* X* a- F3 a7 Q6 ~0 Y/ B; d

5 c' E( l: P5 D4 F
9 i; F+ B( F" I# T7 V/ ~/ k主要是图看不懂的啊
  j" n! Z- h5 V4 }
无标题.jpg
发表于 2010-10-17 22:14:27 | 显示全部楼层 来自: 中国浙江杭州
好好看看数字电路的书籍,就不需要来这里下跪了
头像被屏蔽
发表于 2010-10-25 01:37:32 | 显示全部楼层 来自: 中国浙江金华
提示: 作者被禁止或删除 内容自动屏蔽
发表回复
您需要登录后才可以回帖 登录 | 注册

本版积分规则


Licensed Copyright © 2016-2020 http://www.3dportal.cn/ All Rights Reserved 京 ICP备13008828号

小黑屋|手机版|Archiver|三维网 ( 京ICP备2023026364号-1 )

快速回复 返回顶部 返回列表