QQ登录

只需一步,快速开始

登录 | 注册 | 找回密码

三维网

 找回密码
 注册

QQ登录

只需一步,快速开始

展开

通知     

查看: 3954|回复: 10
收起左侧

[求助] 二位二通液控换向阀与液控单向阀在功能、使用上有什么区别

[复制链接]
发表于 2010-4-1 10:34:48 | 显示全部楼层 |阅读模式 来自: 中国北京

马上注册,结识高手,享用更多资源,轻松玩转三维网社区。

您需要 登录 才可以下载或查看,没有帐号?注册

x
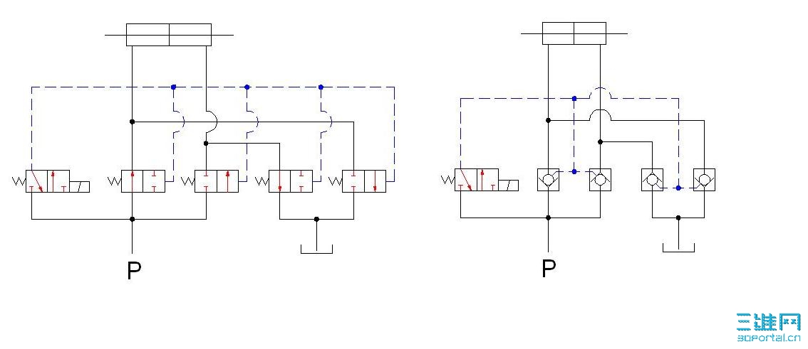
图一所示的液压系统简图# a$ @! T" U8 w" h
用一个小流量的电磁阀控制四个大流量二位二通液控换向阀,到达一个二位四通换向阀的目的。目前受体积、安装方式等影响,不能直接用一般插装式二位四通电磁换向阀;板式阀、叠加阀更不能
- z# V7 V, I- Z2 P! J5 k# H3 h' u用。我能否用四个大流量的液控单向阀代替四个大流量二位二通液控换向阀% ]9 O: ^! c& B3 L0 c
图二  为二位二通常闭液控换向阀。 伊顿的导压开液控单向阀与此阀的结构基本相同。(螺纹插装阀)( p' ~* U" k- q# Y0 D
5 \9 r* a4 F) G/ X. n6 y
图三  为二位二通常开液控换向阀,我目前没有找到导压关液控单向阀。 (螺纹插装阀)
3 T& V4 V: K# s. K. r哪位高手有螺纹插装阀这方面的资料,不妨提供一下,在下感激不尽。
图二.jpg
图三.jpg
图一.JPG
头像被屏蔽
发表于 2010-4-1 12:35:11 | 显示全部楼层 来自: 中国湖北武汉
提示: 作者被禁止或删除 内容自动屏蔽
 楼主| 发表于 2010-4-1 14:47:51 | 显示全部楼层 来自: 中国北京
因受结构影响。 普通的电磁插装换向阀都太大,挺别是电磁线圈太大了。而且电磁线圈还要浸泡在液压油里。液压系统是闭式液压系统。流量每分钟8升。前提我们的结构太小了。我想知道在图一所示的液压系统中,液控单向阀是否可以代替二位二通换向阀。谢谢!如果可以我就直接买液控单向阀了。
发表于 2010-4-1 14:52:18 | 显示全部楼层 来自: 中国江苏南通
液控单向阀容易泄露,建议还是换向阀好。。
发表于 2010-4-1 15:01:13 | 显示全部楼层 来自: 中国江苏常州
从原理上来看,基本是一样的。。。我也迷糊了
 楼主| 发表于 2010-4-1 15:16:37 | 显示全部楼层 来自: 中国北京
像这类插装换向阀就用不了。结构不允许。
图四.JPG
发表于 2010-4-1 21:15:03 | 显示全部楼层 来自: 中国安徽马鞍山
原理可行,楼主思路挺开阔的。不知液控单向阀控制活塞的密封是寿命怎样?
8 O' V: e6 E+ K. g5 _6 ]8 z另外,好像8L/min流量不大,普通6通径的电磁换向阀足够的。
发表于 2010-4-1 22:33:00 | 显示全部楼层 来自: 中国江苏南京
需要看整个液压系统的原理。液控单向阀与换向阀的结构和原理是不一样的。两种阀使用的场合也不一样。# z: o: w5 D1 w
将液控阀换成换向阀,承载大时可靠性会下降。液压系统最难分析的是预见故障和预防故障。不能以简单的能不能实现动作来下结论。阀的选用还得根据阀的结构和应用场合的需要来确定。
发表于 2010-4-1 22:42:18 | 显示全部楼层 来自: 中国广东佛山
你的想法是不错的,你的回路还要分支出最低的控制压力,不然控制不了阀芯。
发表于 2010-4-1 22:47:21 | 显示全部楼层 来自: 中国广东佛山
楼主图1液控单向阀画法有误,液控单向阀正向自由打开,反向靠控制油打开,因此不能实现楼主所说功能,只能用二位液控换向阀。
 楼主| 发表于 2010-4-2 16:37:12 | 显示全部楼层 来自: 中国北京
我目前找到了体积非常小的二位三通电磁换向阀。流量是1升每分,工作温度200℃,压力4000PSI,体积跟图二阀的体积差不多大。我看只能用来当作液控阀的控制油路。我目前没有找到体积小的二位二通液控换向阀。唉,咱这么难呢
发表回复
您需要登录后才可以回帖 登录 | 注册

本版积分规则


Licensed Copyright © 2016-2020 http://www.3dportal.cn/ All Rights Reserved 京 ICP备13008828号

小黑屋|手机版|Archiver|三维网 ( 京ICP备2023026364号-1 )

快速回复 返回顶部 返回列表