QQ登录

只需一步,快速开始

登录 | 注册 | 找回密码

三维网

 找回密码
 注册

QQ登录

只需一步,快速开始

展开

通知     

查看: 1702|回复: 6
收起左侧

[已答复] 有请那位老师帮忙出点工艺文件

[复制链接]
发表于 2010-4-3 19:52:43 | 显示全部楼层 |阅读模式 来自: 中国山东济宁

马上注册,结识高手,享用更多资源,轻松玩转三维网社区。

您需要 登录 才可以下载或查看,没有帐号?注册

x
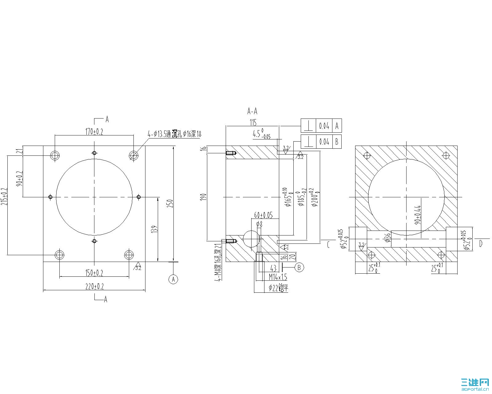
52的孔要求同轴度很严在0.03之内,
; n) x" l7 n% Z  l; k- h各位有什么加工同轴度的工装可以借鉴下吗?" R& w6 K/ K! F% I2 e
感激不尽
5555.jpg
发表于 2010-4-3 20:01:28 | 显示全部楼层 来自: 中国江苏常州
图有点看不清,能不能发清楚一点我们再讨论。
发表于 2010-4-7 22:17:41 | 显示全部楼层 来自: 中国湖北襄阳
镗床加工应该可以保证吧
头像被屏蔽
发表于 2010-4-8 10:32:30 | 显示全部楼层 来自: 中国辽宁大连
提示: 作者被禁止或删除 内容自动屏蔽
发表于 2010-4-8 11:42:01 | 显示全部楼层 来自: 中国山东济南
这个不难加工的,上加工中心就可以,精加工之前可以上平面磨床磨出两个基准。上镗床也行。。。
发表于 2010-4-8 14:51:56 | 显示全部楼层 来自: 中国浙江杭州
镗孔一端52孔定位及端面靠平,然后工作台转180度,再镗另一52孔即可.
发表于 2010-4-9 17:41:26 | 显示全部楼层 来自: 中国浙江台州
支持,加工中心
发表回复
您需要登录后才可以回帖 登录 | 注册

本版积分规则


Licensed Copyright © 2016-2020 http://www.3dportal.cn/ All Rights Reserved 京 ICP备13008828号

小黑屋|手机版|Archiver|三维网 ( 京ICP备2023026364号-1 )

快速回复 返回顶部 返回列表