QQ登录

只需一步,快速开始

登录 | 注册 | 找回密码

三维网

 找回密码
 注册

QQ登录

只需一步,快速开始

展开

通知     

全站
1天前
查看: 4295|回复: 9
收起左侧

[求助] 同志们还有没有人会画截止阀啊

[复制链接]
发表于 2010-4-7 13:59:00 | 显示全部楼层 |阅读模式 来自: 中国上海

马上注册,结识高手,享用更多资源,轻松玩转三维网社区。

您需要 登录 才可以下载或查看,没有帐号?注册

x
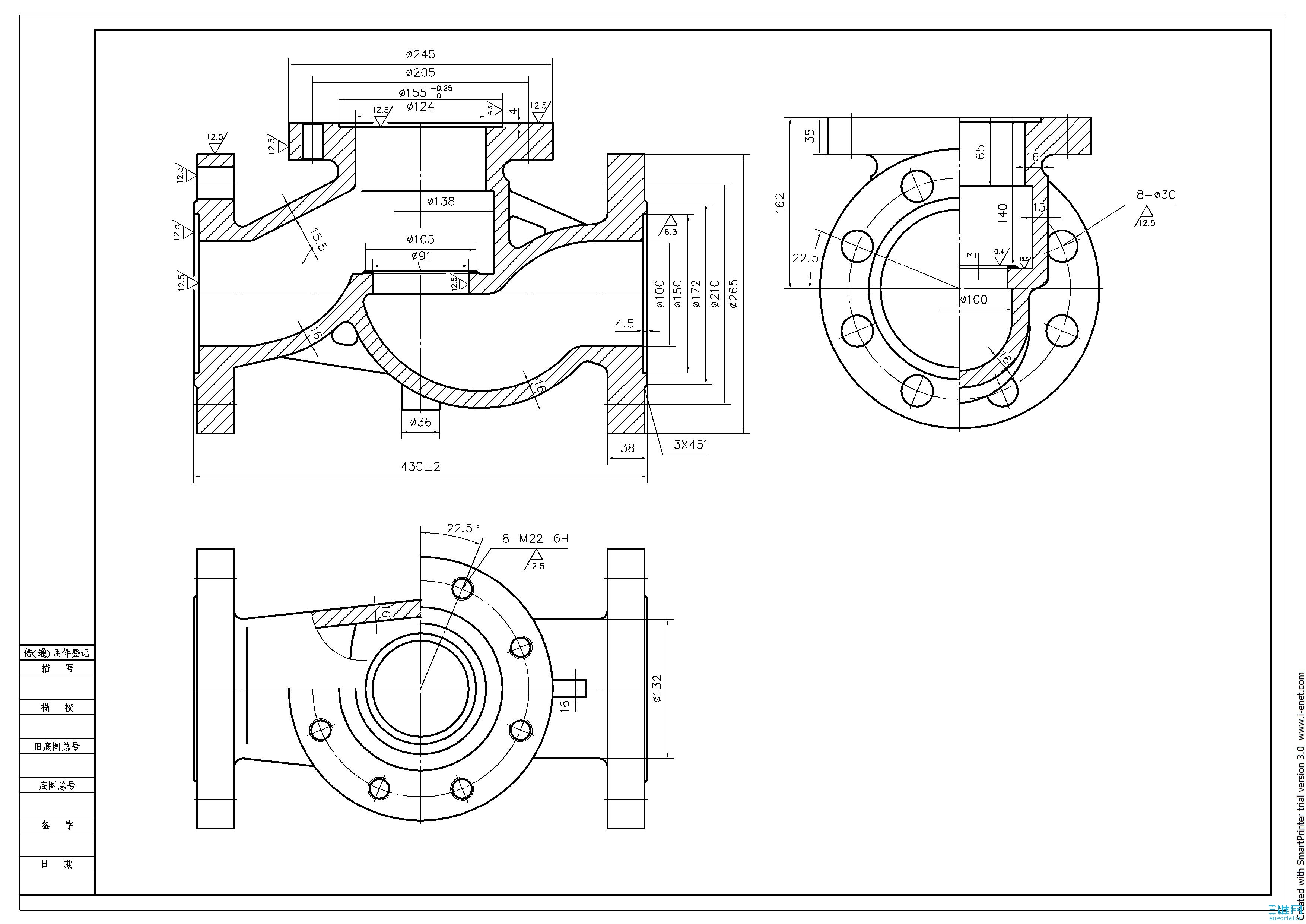
朋友们我们这里还有没有人会画截止阀啊2 J7 |# r- [  M. \4 C- {! {
我这个图发了一个多月了,没有人画出来) c1 t& D) M) D' _+ M, w' c
真的希望高手们多多指教啊
8 `/ `! l9 r0 F8 {! m/ Y我的邮箱 mxt110@163.com,有全套图纸) Q4 P* X3 p7 k, ~
希望大家把它画出来
/ R/ C5 C0 v! R# s: _9 h7 g8 Q( ^ 55.jpg
 楼主| 发表于 2010-4-7 14:00:10 | 显示全部楼层 来自: 中国上海
我是做阀门设计的,希望同行们多多交流!!!
发表于 2010-4-7 14:50:56 | 显示全部楼层 来自: 中国江苏宿迁
做泵阀的,多指教、、、
发表于 2010-4-10 19:56:06 | 显示全部楼层 来自: 中国浙江台州
这种阀,练习里面不是有很多吗?
发表于 2010-4-10 20:06:44 | 显示全部楼层 来自: 中国安徽淮南
有点难度,看了一下,还没有想好。
发表于 2010-4-10 20:42:21 | 显示全部楼层 来自: 中国河北保定
本帖最后由 qiyuezhuifeng 于 2010-4-10 20:44 编辑 - F1 A, T7 V) {. j/ F  c
) C* A5 R2 @0 |' h* f" Q
个人意见:
6 _0 ]8 i! A# o& B7 H) S' e  s; F% P# k三个法兰用“旋转”做出,其余的先用“放样”做好,剩下的细节修饰一下即可
- ^5 V% y" j; a0 J* c总之,任何复杂的模型都是从简单的基础模型逐渐做出来的,希望你不要灰心,坚持通过自己的努力能做多少做多少,实在做不出来再放到论坛上,大家才好有的放矢,帮助你做出来。
发表于 2010-4-10 22:08:32 | 显示全部楼层 来自: 中国山东烟台
对于新手来说确实有难度啊! 1# mxt110
发表于 2010-4-10 22:14:15 | 显示全部楼层 来自: 中国浙江杭州
给钱的么??????????????
发表于 2010-4-10 22:15:04 | 显示全部楼层 来自: 中国浙江杭州
你是打算找免费劳力??
发表于 2010-4-11 21:01:19 | 显示全部楼层 来自: 中国江苏苏州
画不出来说明你的水平不到家,其实你发的这个类型的,阀体基本都是这样子,我们的基本阀、平衡法、减压阀、基本都一样的) t  \- O* `- m; ]9 X
多想想多练练就会了,第一次画的是很可能会感觉比较难;一般就是扫描(扫略)、扫描混合(放样)、旋转、拉伸(凸台)就OK了,左边是扫描的,右边是放样的,中间是旋转的,内部是拉伸到两侧曲面的;其余就是打孔,去除材料的
发表回复
您需要登录后才可以回帖 登录 | 注册

本版积分规则


Licensed Copyright © 2016-2020 http://www.3dportal.cn/ All Rights Reserved 京 ICP备13008828号

小黑屋|手机版|Archiver|三维网 ( 京ICP备2023026364号-1 )

快速回复 返回顶部 返回列表