QQ登录

只需一步,快速开始

登录 | 注册 | 找回密码

三维网

 找回密码
 注册

QQ登录

只需一步,快速开始

展开

通知     

全站
2天前
查看: 2839|回复: 20
收起左侧

[求助] 那位高手帮忙弄下转速器盘的立体图啊?

[复制链接]
发表于 2010-4-11 13:43:17 | 显示全部楼层 |阅读模式 来自: 中国安徽芜湖

马上注册,结识高手,享用更多资源,轻松玩转三维网社区。

您需要 登录 才可以下载或查看,没有帐号?注册

x
谢谢啦,帮 帮忙
8F%{((H55G4_BSN2$DOS$LH.JPG
未命名.jpg
发表于 2010-4-11 14:13:41 | 显示全部楼层 来自: 中国山东潍坊
好,有一定的挑战性
发表于 2010-4-11 14:21:54 | 显示全部楼层 来自: 中国山东潍坊
SW什么版本的都行吗?
 楼主| 发表于 2010-4-11 15:23:13 | 显示全部楼层 来自: 中国安徽芜湖
08版或以前的最好,谢谢啦
发表于 2010-4-11 15:24:39 | 显示全部楼层 来自: 中国浙江宁波
nx7.0画的可以吗?
 楼主| 发表于 2010-4-11 15:38:32 | 显示全部楼层 来自: 中国安徽芜湖
可以,谢谢啦
发表于 2010-4-11 16:15:18 | 显示全部楼层 来自: 中国山东潍坊
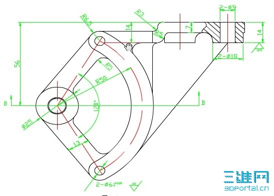
原图纸应该不此是这些吧,少尺寸
发表于 2010-4-11 16:16:10 | 显示全部楼层 来自: 中国山东潍坊
好久没用它了不知还能不能绘出来
 楼主| 发表于 2010-4-11 17:14:29 | 显示全部楼层 来自: 中国安徽芜湖
是的啊,就两个视图,不过上试图那个18(0-0.5)的尺寸错了,就改成14.5吧,未标注圆角R3-5
发表于 2010-4-11 18:06:14 | 显示全部楼层 来自: 中国山东潍坊
我时间和水平有限,先扔块砖 有玉的尽管砸! 1# feixiangquan
新建 BMP 图像.JPG
发表于 2010-4-11 18:07:17 | 显示全部楼层 来自: 中国山东潍坊
是它吗?楼主
 楼主| 发表于 2010-4-11 18:42:24 | 显示全部楼层 来自: 中国安徽芜湖
一个角度看不清楚啊
 楼主| 发表于 2010-4-11 18:47:15 | 显示全部楼层 来自: 中国安徽芜湖
你可不可以把你做的零件图给我啊?邮箱feixiangquan@163.com
发表于 2010-4-11 18:56:18 | 显示全部楼层 来自: 中国广东深圳
有cad 图档的话我帮你整
 楼主| 发表于 2010-4-11 19:17:42 | 显示全部楼层 来自: 中国安徽芜湖
我看看应该有的,我在装AutoCAD,我看看啊
 楼主| 发表于 2010-4-11 19:31:00 | 显示全部楼层 来自: 中国安徽芜湖
cad图等会我弄好了给你吧
发表于 2010-4-11 19:36:23 | 显示全部楼层 来自: 中国河北保定
此为精铸件,建模时应该考虑增加拔模斜度。
 楼主| 发表于 2010-4-11 20:14:45 | 显示全部楼层 来自: 中国安徽芜湖
那个是的,我要的简单些,只要加工到图上的尺寸就可以了
 楼主| 发表于 2010-4-11 21:01:40 | 显示全部楼层 来自: 中国安徽芜湖
转速器盘的CAD图,大体尺寸有了,画的不太好

转速器盘图.zip

89.79 KB, 下载次数: 36

 楼主| 发表于 2010-4-28 15:23:53 | 显示全部楼层 来自: 中国安徽芜湖
我自己做的。还是很些地方不对的。
FRENCF@]%I}5DS3_3S0{U3U.jpg
发表于 2010-4-28 15:33:40 | 显示全部楼层 来自: 中国浙江杭州
呵呵。有图就好整,有cad图纸相对更好整。
发表回复
您需要登录后才可以回帖 登录 | 注册

本版积分规则


Licensed Copyright © 2016-2020 http://www.3dportal.cn/ All Rights Reserved 京 ICP备13008828号

小黑屋|手机版|Archiver|三维网 ( 京ICP备2023026364号-1 )

快速回复 返回顶部 返回列表