QQ登录

只需一步,快速开始

登录 | 注册 | 找回密码

三维网

 找回密码
 注册

QQ登录

只需一步,快速开始

展开

通知     

全站
11天前
查看: 3606|回复: 11
收起左侧

[讨论] 这种涨套如何加工?

[复制链接]
发表于 2010-4-17 11:46:15 | 显示全部楼层 |阅读模式 来自: 中国江苏无锡

马上注册,结识高手,享用更多资源,轻松玩转三维网社区。

您需要 登录 才可以下载或查看,没有帐号?注册

x
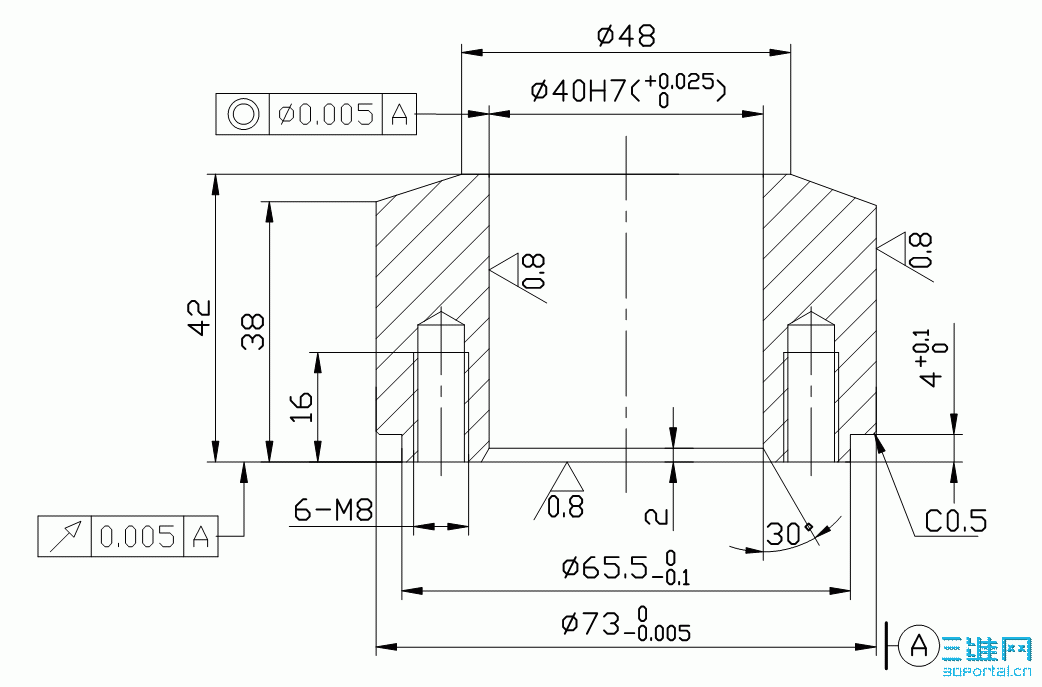
探讨下,这种涨套如何加工?如何使用- v: \# z9 Q- @% ^$ _  a1 a* L' X
111.gif    2.jpg " t4 L/ s  n8 B: b- N  C, C
如图所示~
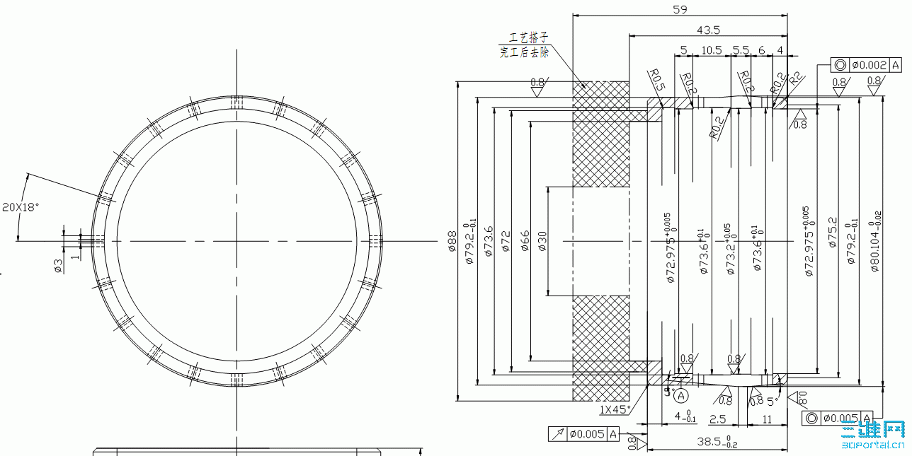
& L; i- F( j6 O; b: o6 ^* ~另外有一张是配合使用的- _( ^1 s! ^- f
22.gif " `: e# A' Z  X0 f' q

( l2 ]1 ^$ m' x6 H- C个人疑问:
) @2 L) B4 A% T0 \7 J& t0 P5 y1.涨套如何加工?内孔的精度如何达到,不是通孔,研磨会形成喇叭口。
/ F1 v  X9 z6 X" ?& R- H2.配合使用的套,这样的话起到什么涨紧作用?我见过的涨套是芯轴是锥形的; o1 Q# Q  K2 `5 J
谢谢~
发表于 2010-4-17 13:08:42 | 显示全部楼层 来自: 中国江苏常州
1.这种胀套精度很高,是专业厂家做的,图中考虑了工艺搭子,装备好的话内孔的精度能够达到,一般不要考虑自己加工了,定制吧。
$ ]! j) y+ y. K3 n; x# k2.这种胀套孔径两端小中间大,靠拉紧端面(图中左端跳动0.005),外圆中部鼓起涨紧。
; |, @3 Q( S5 Q8 v. s) a3.两图中孔轴配合是否有问题:轴73(0,-0.005),孔72.975(+0.005,0)。
& ?# I# R, l/ S( Y1 p+ s   大家发表意见。
 楼主| 发表于 2010-4-18 10:50:19 | 显示全部楼层 来自: 中国江苏无锡
2# ftgww123
2 ~" E! w: y" r: m; e1. 非通孔,壁薄,磨削内孔可以达到要求么?一般这个精度的我们做都是研磨的
( p" G) ?3 u0 I2 x$ Q5 j( ^! r2. 靠端面拉紧的话,会不会造成端面受力大,下面喇叭口的情况啊?这样的话重复装夹会有问题的吧?( Z$ I0 W1 d+ E3 I
3. 公差我也感到有问题的,在继续沟通中
$ I0 |. C/ I( ?4 |
/ q7 b0 z+ O8 W( [另外:这种涨套配合这样的芯轴可以起到涨紧的作用么?芯轴是固定尺寸的啊?0 S  g( k1 T; i5 O) ]
  我感觉有问题的,这样的没有接触过,请多多指点,谢谢
发表于 2010-4-18 12:01:12 | 显示全部楼层 来自: 中国江苏常州
1.夹持工艺搭子就是为了解决非通孔薄壁问;
$ a$ r0 c. D" V1 C2.涨套为弹簧钢,与芯轴两头定位,中间壁更薄、开槽,端面拉紧只会中部涨大,不会造成端面影响,端面垂直度很重要。
. @) d7 n0 O# C& E! j* |, J7 K3.涨套可以起到涨紧的作用,芯轴是定位导向作用。工件定位除涨紧外还必须靠端面。
发表于 2010-4-19 15:39:09 | 显示全部楼层 来自: 中国江苏无锡
需要调试处理么?
发表于 2010-4-20 14:33:17 | 显示全部楼层 来自: 中国广东广州
先热处理  再磨到尺寸要求!!
发表于 2010-6-2 10:14:40 | 显示全部楼层 来自: 中国北京
孔内圆角R0.5不怎么好做,也没必要吧?
发表于 2010-6-2 14:01:45 | 显示全部楼层 来自: 中国浙江台州
这样的涨套从加工角度来讲,难度太大了,不可能做到,同时仿佛感觉是设计者对工艺人员开了一个玩笑,从设计角度来讲,辅助夹位在加工完毕后切掉,整体弹性套是否会变形呢?会变多少呢?另外,同轴度0.002该如何加工呢?建议还是请设计人员来编制这份工艺比较恰当吧!
发表于 2010-7-22 13:03:49 | 显示全部楼层 来自: 中国北京
把每次的加工量控制的小点,问题不大。
头像被屏蔽
发表于 2010-7-23 16:37:50 | 显示全部楼层 来自: 中国福建三明
提示: 作者被禁止或删除 内容自动屏蔽
发表于 2010-7-23 22:38:44 | 显示全部楼层 来自: 中国四川资阳
不知道是做什么用的?
发表于 2010-8-2 22:02:03 | 显示全部楼层 来自: 中国天津
这种套的热处理也很重要,否则会产生裂纹的。
发表回复
您需要登录后才可以回帖 登录 | 注册

本版积分规则


Licensed Copyright © 2016-2020 http://www.3dportal.cn/ All Rights Reserved 京 ICP备13008828号

小黑屋|手机版|Archiver|三维网 ( 京ICP备2023026364号-1 )

快速回复 返回顶部 返回列表