QQ登录

只需一步,快速开始

登录 | 注册 | 找回密码

三维网

 找回密码
 注册

QQ登录

只需一步,快速开始

展开

通知     

查看: 1523|回复: 6
收起左侧

[求助] 十万火急~~在线等~~~

[复制链接]
发表于 2010-4-19 15:17:02 | 显示全部楼层 |阅读模式 来自: 中国浙江台州

马上注册,结识高手,享用更多资源,轻松玩转三维网社区。

您需要 登录 才可以下载或查看,没有帐号?注册

x
十万火急~~在线等~~~' x7 a# G; z, p7 ]( v* U1 B3 n
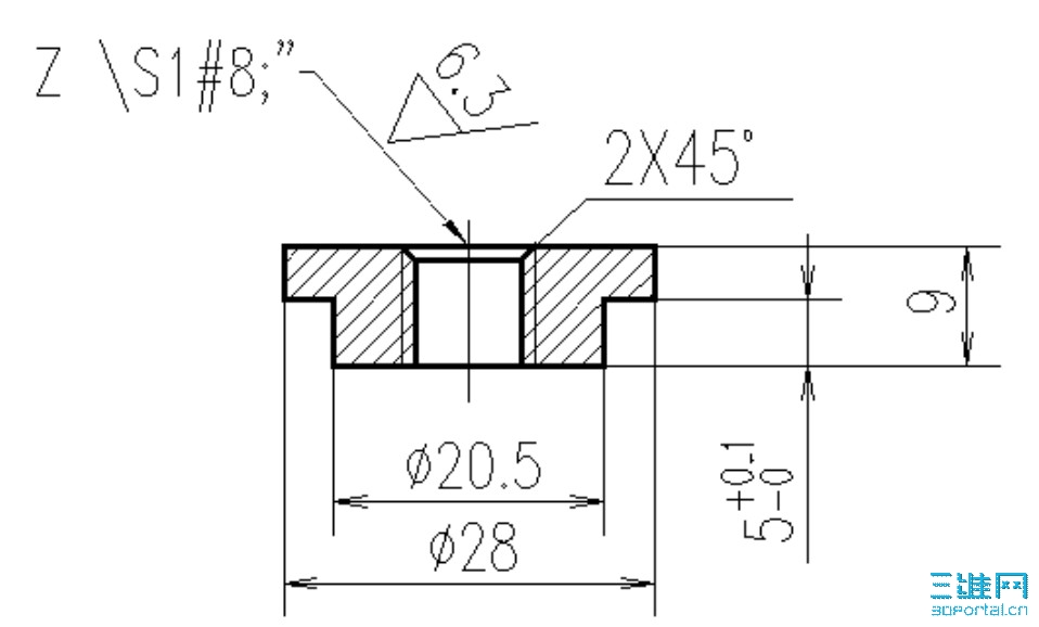
图中螺纹找遍了整本螺纹书都没找到,麻烦了~~
螺纹.jpg
发表于 2010-4-19 15:30:48 | 显示全部楼层 来自: 中国山东泰安
您好,可能是1-8的管螺纹
发表于 2010-4-19 16:04:31 | 显示全部楼层 来自: 中国天津
是不是乱码,更新下CAD中字形或字库。
 楼主| 发表于 2010-4-19 18:00:21 | 显示全部楼层 来自: 中国浙江台州
不是乱码,客户发给我们是图片;万一不行打电话问对方了
发表于 2010-4-19 19:44:15 | 显示全部楼层 来自: 中国山东泰安
还是打个电话保险些,没啥子丢人的
发表于 2010-4-20 09:21:07 | 显示全部楼层 来自: 中国山西太原
感觉像管螺纹,但没见过Z的
发表于 2010-4-20 12:18:23 | 显示全部楼层 来自: 中国浙江杭州
这好像是企业标准号,可查该公司对应的号.
发表回复
您需要登录后才可以回帖 登录 | 注册

本版积分规则


Licensed Copyright © 2016-2020 http://www.3dportal.cn/ All Rights Reserved 京 ICP备13008828号

小黑屋|手机版|Archiver|三维网 ( 京ICP备2023026364号-1 )

快速回复 返回顶部 返回列表